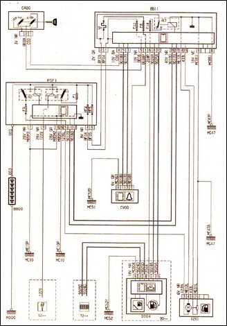
Схема электропитания электробензонасоса Peugeot 307

 

Обозначения на схемах