Система смазки дизеля комбинированная

Масляный насос - шестеренного типа, односекционный

Схема системы смазки: 1 - картер масляный; 2 - форсунки охлаждения поршней; 3 - вал коленчатый; 4 - вал распределительный; 5 - шестерня промежуточная; 6 - горловина маслоналивная; 7 - пробка масляного картера; 8 – маслоприемник; 9 - насос масляный; 10 - жидкостно-масляный теплообменник (ЖМТ); 11 - клапан перепускной; 12 - фильтр масляный; 13 - клапан перепускной; 14 - клапан предохранительный; 15 - датчик давления; 16 - турбокомпрессор; 17 - компрессор; 18 - топливный насос высокого давления; 19 - масляный канал оси коромысел

Привод масляного насоса осуществляется от шестерни, установленной на коленчатом валу.

Масляный насос 9 через маслоприемник 8 забирает масло из масляного картера 1 и по каналам в блоке цилиндров и каналам корпуса масляного фильтра подает в жидкостно-масляный теплообменник 10, а затем в полнопоточный масляный фильтр 12 и в масляную магистраль дизеля.

Из главной магистрали дизеля по каналам в блоке цилиндров масло поступает ко всем коренным подшипникам коленчатого и шейкам распределительного валов.

От коренных подшипников по каналам в коленчатом вале масло поступает ко всем шатунным подшипникам.

От первого коренного подшипника масло по специальным каналам поступает к втулкам промежуточной шестерни и шестерни привода топливного насоса, а также к топливному насосу.

Детали клапанного механизма смазываются маслом, поступающим от заднего подшипника распределительного вала по каналам в блоке, головке цилиндров, сверлению в "IV" стойке коромысел во внутреннюю полость оси коромысел и через отверстие во втулке коромысла, от которой по каналу идет на регулировочный винт и штангу.

К компрессору масло поступает из главной магистрали по сверлениям в блоке цилиндров и специальному маслопроводу. Из компрессора масло сливается в картер дизеля.

Масло к подшипниковому узлу турбокомпрессора поступает по трубке, подключенной на выходе из корпуса масляного фильтра.

Из подшипникового узла турбокомпрессора масло по трубке отводится в масляный картер

Перепускные (редукционные) клапаны установлены в корпусе жидкостно-масляного теплообменника - 11 (значение давления срабатывания - 0,15-0,20 мПа) и в масляном фильтре - 13 (значение давления срабатывания 0,13-0,17 мПа).

При пуске дизеля на холодном масле, когда сопротивление прохождению масла в жидкостно-масляном теплообменнике превышает значение 0,15-0,2 мПа, перепускной клапан открывается, и масло, минуя жидкостно-масляный теплообменник, поступает в масляный фильтр, а при сопротивлении в масляном фильтре 0,13-0,17 мПа, открывается перепускной клапан масляного фильтра и масло, минуя масляный фильтр, поступает в масляную магистраль.

Перепускные клапаны нерегулируемые.

В корпусе фильтра встроен предохранительный регулируемый клапан 14, предназначенный для поддержания давления масла в главной масляной магистрали 0,25-0,35 мПа.

Избыточное масло сливается через клапан в картер дизеля.

В случае чрезмерного засорения, когда сопротивление масляного фильтра становится выше 0,13-0,17 мПа перепускной клапан фильтра также открывается, и масло, минуя масляный фильтр, поступает в масляную магистраль.

Внимание! На работающем дизеле категорически запрещается отворачивать пробку редукционного клапана!

Обслуживание системы смазки заключается в ежедневном контроле уровня масла в картере двигателя, контроле давления масла, своевременной замене масла и фильтра.

Проверка уровня масла выполняется ежедневно перед пуском двигателя и не ранее, чем через 3 минуты после остановки двигателя.

Автобус должен быть установлен на ровной горизонтальной площадке. Уровень масла должен быть между нижней и верхней метками масломерного щупа.

Запрещается работа двигателя с уровнем масла ниже нижней и выше верхней метки масломера.

Давление масла системы смазки двигателя контролируется по указателю, расположенному на щитке приборов. При работе дизеля с номинальной частотой

вращения и температурой охлаждающей жидкости (85-95) °С, давление масла должно находиться на уровне (0,25-0,35) МПа, допускается значение давления на непрогретом двигателе до 0,8 МПа.

При минимальной частоте вращения холостого хода давление масла в системе смазки прогретого двигателя должно быть не менее 0,08 МПа.

Замена масла производится через каждые 8000 км. Допускается замена масла через 10000 км.

Внимание! В случае применения дублирующих масел или топлива с повышенным содержанием серы замена масла должна проводиться через (4000-5000) км пробега.

К дублирующим относятся масла: М-10 Г2К и М-8 Г2К.

Замена масла в картере дизеля производится на предварительно прогретом двигателе.

Для слива масла нужно отвернуть пробку масляного картера. После того, как все масло вытечет из картера, завернуть пробку на место.

Масло в дизель заливать через маслоналивной патрубок до уровня верхней метки на масломере.

Следует заливать в масляный картер только рекомендованное настоящим руководством масло, соответствующее периоду эксплуатации.

Применение масел других марок может привести к возникновению неисправностей дизеля.

Замена масляного фильтра производится одновременно с заменой масла в картере двигателя и результатам диагностики системы "COMMON RAIL" в следующей последовательности:

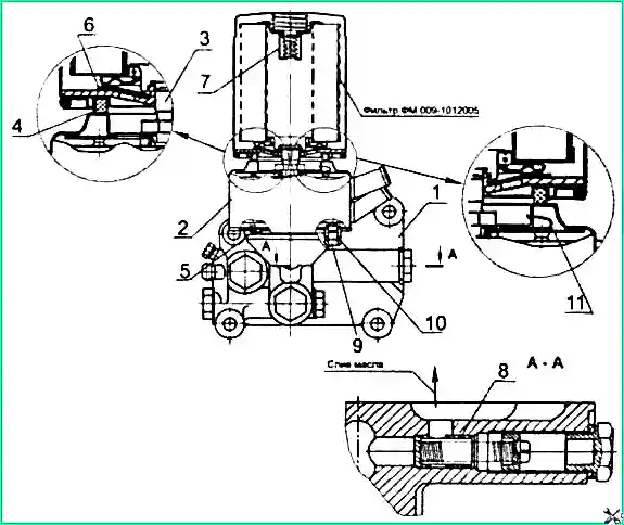
Масляный фильтр: 1 - корпус фильтра; 2 - жидкостно-масляный теплообменник (ЖМЕТ); 3 - штуцер; 4 - прокладка фильтра; 5 - прокладка ЖМТ; 6 - клапан противодренажный; 7 - клапан перепускной; 8 - клапан предохранительный; 9 - пробка для слива охлаждающей жидкости; 10 - кольцо уплотнительное; 11 - предохранительный клапан ЖМТ

  1. Очистите от грязи место сопряжения масляного фильтр и корпуса клапанов 1.
  2. Отверните фильтр ФМ 009-1012005 или М5101 со штуцера 3, используя специальный ключ или другие подручные средства.
  3. Протрите привалочную поверхность в корпусе клапанов.
  4. Заполните новый фильтр чистым маслом и установите (наверните на штуцер) фильтр ФМ 009-101201 или М5101 в сборе с прокладкой 4, которую предварительно смажьте моторным маслом.
  5. После касания прокладкой чашки корпуса фильтра доверните фильтр ещё на 1-1,5 оборота.

Установку фильтра производить только усилием руки

Вместо фильтра ФМ 009-1012005 и М5101 допускается установка фильтр-патронов неразборного типа: мод. X149 фирмы «АС Lelko» (Франция), мод. L37198 фирмы «Purolator» (Италия) и других фирм имеющих в конструкции противодренажный и перепускной клапаны с основными габаритными размерами: - диаметр – 95-105 мм; - высота – 140-160 мм; - резьба – 3/4-16UNF.

Регулировка предохранительного (сливного) клапана проводится при снижении давления масла в системе смазки двигателя ниже 2,5 кгс/см 2.

Регулировку следует проводить на выключенном и прогретом двигателе

Регулировка давления масла: 1 - фильтр масляный; 2 - жидкостно-масляный теплообменник; 3 - корпус масляного фильтра; 4 - пробка редукционного клапана; 5 - прокладка пробки; 6 - пробка регулировочная; 7 - отвертка
  1. Отвернуть пробку 4 (рис. 3), снять прокладку 5.

В канале корпуса масляного фильтра 3 отверткой 7 повернуть регулировочную пробку 6 на один оборот в сторону увеличения или уменьшения значения давления (в зависимости от фактического давления).

  1. Установить прокладку 5 и заверните пробку 4.
  2. При необходимости повторить указанные действия по регулировке.