Автобусы комплектуется задними мостами производства ООО "Рязань Автоагрегат" (сокр."РАА") или ОАО "КААЗ"

Устройство мостов не имеет существенных отличий.

При обслуживании заднего моста проверяется уровень масла в картере и производится замена масла, проверяется крепления фланцев полуосей, картера редуктора, муфты подшипников ведущей шестерни, гайки фланца ведущей шестерни, очищается сапун, проверяется герметичность уплотнений моста, проверяется регулировка подшипников ступиц колес.

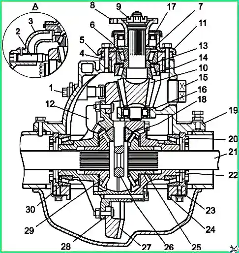
Главная передача ("КААЗ"): 1 - винт регулировочный; 2 - втулка;3 - верхний канал; 4 - регулировочные прокладки; 5 - муфта; 6, 14, 16, 30 - подшипники; 7 - кольцо маслоотгонное; 8 - фланец; 9 - гайка; 10 - шестерня ведущая; 11 - крышка; 12 - маслоуловитель; 13 - кольцо регулировочное; 15 - пробка заливного отверстия; 17 - манжета; 18 - сателлит; 19 - картер; 20 - гайка; 21 - полуось; 22, 28 - коробки сателлитов; 23 - стопорная пластина; 24 - крышка; 25 - шестерня полуоси; 26 - крестовина; 27 - шестерня ведомая; 29 - шайба опорная; А - сечение по масляному каналу подшипников ведущей шестерни

Заливка масла в картер моста производится через заливное отверстие 15 (рис. 1).

Масло заливается до появления течи:

  • - из контрольного отверстия в задней крышке картера (для моста "РАА");
  • - из наливного отверстия (для моста "КААЗ").

Сливается отработанное масло после предварительного прогрева агрегата через сливное отверстие при снятой пробке заливного отверстия.

Для заднего моста производства ООО "РязаньАвтоагрегат" при проведении первого ТО-1 и первого ТО-2 рекомендуется проверить затяжку гайки крепления фланца ведущей шестерни главной передачи.

Момент затяжки гайки должен быть равен (350-440) Нм.

Подшипники главной передачи, боковой зазор и контакт в зацеплении шестерен отрегулированы на заводе и, как правило, не требуют регулировок в эксплуатации.

Их регулировка нужна при замене каких-либо деталей или при большом износе подшипников и требует особой тщательности.

Неправильная регулировка приводит к ускоренному износу шестерен главной передачи.

Увеличенный боковой зазор в зацеплении шестерен главной передачи, получившийся вследствие износа зубьев, уменьшать регулировкой недопустимо, так как это приведет к нарушению взаимного положения приработавшихся поверхностей зубьев и станет причиной повышенного шума или поломки зубьев.

В эксплуатации изменять положение регулировочного винта 1 не рекомендуется.

Регулировку необходимо производить лишь в случае ослабления гайки.

Для этого регулировочный винт 1 (мост "КААЗ") нужно завернуть до отказа, затем отвернуть его на 1/6 оборота и законтрить гайкой.

Периодически следует промывать и продувать сжатым воздухом сапун моста.

При засорении сапуна может повыситься давление в картере моста и появиться течь масла через манжеты и фланцевые соединения.

Регулировать подшипники ступиц передних и задних колес следует только при увеличении осевого зазора в подшипниках более 0,15 мм или в случае нагрева ступицы из-за чрезмерной затяжки гайки подшипников.

Регулировка затяжки подшипников ступиц задних колес ("РАА"):

  1. Поднять колесо домкратом и убедиться, что тормозные колодки не задевают при вращении колеса за барабан.

Ступица заднего колеса "РАА": 1 - полуось; 2 - гайка крепления полуоси; 3, 5 - гайки подшипников ступицы; 4 - шайба замочная; 6 - пробка маслоналивного отверстия; 7 - ступица; 8 - шпилька крепления колеса; 9 - манжета; 10 – шпилька; 11 - ступица; 12 - отверстие под болт-съёмник полуоси

  1. Отвернуть гайки 2 (рис. 2) крепления полуоси, снять конические втулки и вынуть полуось.

Для снятия полуоси ввернуть болты М12 в два специальных отверстия 12.

  1. Отвернуть контргайку 3 и снять замочную шайбу 4.
  2. Поворачивая колесо в обоих направлениях, затянуть гайку 5 моментом (60-80) Нм.
  3. Отвернуть гайку 5 на (1/4-1/3) оборота до совпадения штифта гайки с одним из отверстий в замочной шайбе 4.
  4. Затянуть контргайку 3 моментом затяжки (250-300) Нм.

При правильной регулировке колесо должно вращаться равномерно и свободно в обоих направлениях.

Регулировка затяжки подшипников ступиц задних колес ("КААЗ")

  1. Поднять домкратом задний мост так, чтобы шины не касались пола.

Ступица заднего колеса ”КААЗ": 1 - винт крепления тормозного барабана; 2, 3 - подшипники; 4 - болт-съемник полуоси; 5 - штифт стопорной шайбы; 6 - гайка подшипников ступицы; 7 - контргайка; 8 - шайба стопорная; 9 - шпилька крепления полуоси; 10 - прокладка; 11 - сальник; 12 - ступица; 13 - барабан тормозной; 14 - фланец кожуха полуоси; 15 - кожух полуоси; 16 - полуось; 17 - втулка

  1. Вынуть полуось 16 (рис. 3), ослабив контргайку и ввернув болт-съёмник 4.
  2. Отвернуть контргайку 7, снять стопорную шайбу 8 и, ослабив гайку 6 крепления подшипников на (1/3-1/2) оборота, проверить, свободно ли вращается колесо. В случае тугого вращения колеса устранить причину (задевание тормозных колодок, заедание сальника и т.п.).
  3. Затянуть гайку 6 крепления подшипника ключом с воротком длиной (350-400) мм усилием руки до тугого вращения колеса на подшипниках.

Затянутое таким образом колесо после толчка рукой должно сейчас же остановиться.

  1. Отпустить гайку 6 крепления подшипников на 1/8 оборота.
  2. Установить стопорную шайбу 8 и убедиться, что стопорный штифт 5 вошел в одну из прорезей шайбы 8.

Если штифт не входит в прорезь, провернуть гайку в ту или другую сторону для того, чтобы штифт вошел в ближайшую прорезь стопорной шайбы.

  1. Навернуть и затянуть контргайку 7. При правильной затяжке колесо должно свободно вращаться без заметного осевого люфта.
  2. Вставить полуось 23, установить пружинные шайбы и затянуть гайки шпилек 9 крепления полуоси.

Смазка подшипников ступиц задних колес автобусов ПАЗ-32053-07 с мостом производства ОАО "КААЗ" производится трансмиссионным маслом, поступающим из картера заднего моста по кожухам полуосей.

При смене масла в заднем мосту наполнение полости ступиц производить поднятием правого и левого колеса поочередно на высоту не менее 200 мм.

Не следует добавлять другие масла в ступицы задних колес.

Смазка подшипников ступиц задних колес автобусов ПАЗ-4234 с мостом производства ОАО "КААЗ" производится консистентной смазкой Литол-24.

Смазка подшипников ступиц задних колес ("РАА") выполняется, в зависимости от конструкции ступицы, в двух вариантах:

  • - со смазыванием подшипников консистентной смазкой;
  • - со смазыванием маслом, применяемым для редуктора заднего моста.

Внешне различить ступицы можно по наличию или отсутствию пробки 6.

Если пробки нет, то подшипники следует смазывать консистентной смазкой.

При наличии пробки применяют то же масло, что и для главной передачи.

В этом случае для замены масла следует поднять домкратом колесо, отвернуть пробку 6, повернуть колесо отверстием вниз и слить масло.

Повернуть колесо отверстием вверх и залить 0,6 л масла.

Для замены смазки подшипников ступиц передних и задних колес, в случае применения консистентной смазки, ступицы следует снять.

Ступицы следует снимать осторожно, чтобы не повредить манжету 9.

Подшипники тщательно промыть и заложить смазку между роликами и сепараторами равномерно по всей полости подшипников, а также нанести тонкий слой смазки на внутреннюю поверхность манжеты.

Возможные неисправности заднего моста и методы устранения неисправностей

Повышенный шум

- Неправильная регулировка зацепления шестерен главной передачи

Отрегулировать

- Износ или задиры зубьев шестерен

Заменить неисправные детали

- Нарушение регулировки или износ подшипников

Отрегулировать или заменить неисправные детали

Большой угловой люфт ведущей шестерни

- Износ шлиц полуосей

Заменить неисправные детали

- Износ зубьев шестерен

Заменить неисправные детали

- Нарушение регулировки или износ подшипников

Отрегулировать или заменить неисправные детали

Течь масла

- Износ сальников, ослабление затяжки или засорение сапуна

Заменить неисправные детали, затянуть болты, очистить сапун