Гидравлический модулятор тормозов УАЗ Патриот
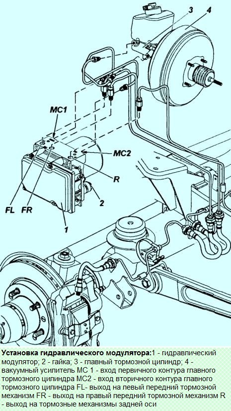
Гидравлический модулятор (см. рис. 1) АБС устанавливается в моторном отсеке на левом брызговике на кронштейне, регулировок не требует
Обслуживание заключается в проверке надежности крепления и герметичности соединении с трубопроводами.
Антиблокировочная система тормозов регулирует давление в тормозных механизмах всех колес автомобиля при торможении, предотвращая блокировку колес, и обеспечивает сокращение тормозного пути при экстренном торможении с сохранением устойчивости и управляемости автомобиля.
Во время торможения автомобиля электронный блок управления ABS получает сигнал от всех датчиков скорости вращения колес и определяет, какое колесо в данный момент находится на грани блокировки.
На основании полученных сигналов электронный блок приводит в действие соответствующий электромагнитный клапан в гидравлическом блоке дня обеспечения требуемого давления в соответствующем трубопроводе передних или задних колес автомобиля.
Антиблокировочная система обеспечивает следующие преимущества:
- объезд препятствий с более высокой степенью безопасности, в том числе и при экстренном торможении;
- сокращение тормозного пути при экстренном торможении с сохранением курсовой устойчивости и управляемости автомобиля, в том числе и в повороте.
В случае неисправности системы предусмотрены функции самодиагностики и поддержание работы при отказах системы.
Различают следующие режимы работы ABS:
- режим нормального торможения
При нормальном торможении электромагнитный клапан обесточен, входной клапан открыт, выходной клапан закрыт.
При нажатии на педаль тормоза тормозная жидкость под давлением подается в рабочий цилиндр через электромагнитный клапан и приводит в действие тормозные механизмы колес.
При отпускании педали тормоза тормозная жидкость возвращается в главный тормозной цилиндр через входной и выходной клапаны;
- режим экстренного торможения
Если при экстренном торможении начинается блокировка колес, блок управления ABS дает команду на электронный клапан уменьшить подачу тормозной жидкости, затем напряжение подается на каждый электромагнитный клапан.
Входной клапан закрывается, подача тормозной жидкости из главного тормозного цилиндра перекрывается, выходной клапан открывается, тормозная жидкость поступает из рабочего цилиндра в главный тормозной цилиндр и затем в бачок, что вызывает снижение давления;
- режим поддержания давления
При максимальном снижении давления в рабочих цилиндрах блок управления ABS выдает команду на электромагнитный клапан с целью поддержать давление тормозной жидкости, напряжение подается на входной клапан и не подается на выходной клапан. При этом входной и выходной клапаны закрыты и тормозная жидкость из рабочих цилиндров не уходит;
- режим повышения давления
Если блок управления ABS определяет, что колесо не заблокировано, то он обесточивает электромагнитный клапан.
Напряжение на электромагнитные клапаны не подается, тормозная жидкость поступает через входной клапан в рабочие цилиндры, и давление возрастает.

Электронный блок управления и гидравлический блок ABS объединены в единый модуль, установленный в моторном отсеке на правом брызговике


При скорости автомобиля менее 8 км/ч электронный блок ABS отключает систему
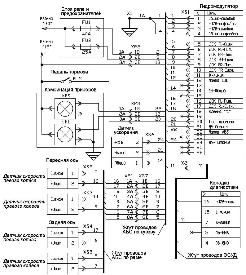
Электрическая схема АБС (рис. 3)