Методика диагностики АБС
Управление системой тормозов АБС-8.0/УАЗ выполняется гидромодулятором, имеющим встроенный электронный блок управления (ЭБУ).
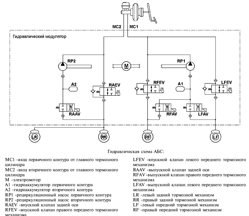
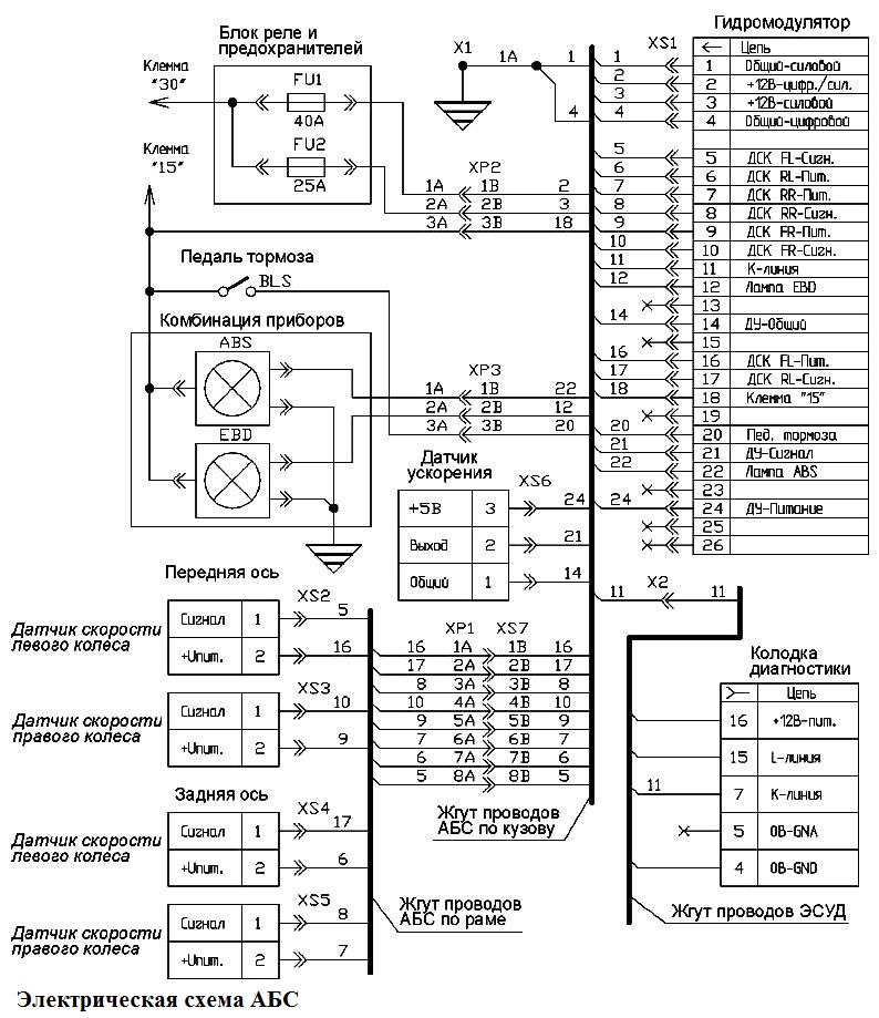
Гидравлическая электрическая схемы системы приведены на рисунках.

АБС тормозов выполняет оперативный сброс давления в тормозных контурах колес, что исключает их блокировку и сохраняет управляемость автомобиля на скользкой дороге.
Ниже приводится методика диагностики системы АБС-8 и технологические операции, выполняемые с применением сканера-тестера (тестера) СТМ - 5.
2. Меню управления тестером АБС включает разделы:
РЕЖИМ V< 10км/ч -тестирование и диагностика, выполняемые на скорости ниже 10 км/ч;
РЕЖИМ V>10км/ч -диагностика, выполняемая на скорости выше 10 км/ч.
Просмотр – «Up/Dn» выбор –«Entr», выход – «Esc».
После запуска тестового раздела «РЕЖИМ V< 10км/ч» лампы «ABS» и «EBD» должны гореть. Если тестовый раздел активен и наблюдается движение автомобиля со скоростью более 10 км/ч, то диагностическая сессия прерывается.
3. Раздел «РЕЖИМ V<10км/ч» включает режимы и процедуры:
НЕИСПРАВНОСТИ - чтение-сброс кодов неисправностей;
ПАРАМЕТРЫ просмотр параметров системы;
ПАСПОРТ - чтение паспортных данных гидромодулятора;
ЗАПОЛНЕНИЕ-90с.. - заполнение внутренних полостей гидромодулятора тормозной жидкостью;
СЛИВ ГИДРОМОДУЛ. - слив гидравлического блока;
ТЕСТ ПРИВОДА - проверка АБС на тормозном стенде;
ТЕСТ ДАТЧИКОВ - проверка исправности зубчатых колес и датчиков скорости на тормозном стенде.
4. Раздел «РЕЖИМ V>10км/ч» включает режимы и процедуры:
НЕИСПРАВНОСТИ - чтение кодов (без сброса);
ПАРАМЕТРЫ - просмотр параметров системы;
ПАСПОРТ - чтение паспортных данных гидромодулятора.
5. Режим НЕИСПРАВНОСТИ включает операции:
ВСЕ КОДЫ - чтение кодов неисправностей системы;
СБРОС КОДОВ - сброс кодов неисправностей.
5.1. Внешнее проявление: при включении зажигания, работающем двигателе или в движении автомобиля загораются одна (или две) лампы диагностики АБС на панели приборов:
EBD -внутренняя неисправность ЭБУ, исполнительных механизмов или неисправность силовых цепей электропитания гидромодулятора;
ABS -неисправность внешних электрических цепей датчиков скорости колес или ускорения автомобиля.
Примечание. Лампы EBD и ABS должны загораться после включения зажигания на 2-3 с и гаснуть, если неисправностей в системе не обнаружено.
5.2. Порядок работы:
-остановить двигатель, подключить тестер к системе через диагностический разъем и включить зажигание, чтобы активизировать ЭБУ (при этом новый код неисправности помещается в его энергонезависимую память ошибок (EEPROM));
- выбрать диагностику «РЕЖИМ V< 10км/ч», затем процедуру «НЕИСПРАВНОСТИ/ВСЕ КОДЫ»;
- клавишами просмотреть коды неисправностей системы и идентифицировать их согласно приложению 3;
После выявления причин и устранения неисправностей сбросить накопленные коды командой «НЕИСПРАВНОСТИ/СБРОС»;
- выключить-включить зажигание и проверить в процедуре «НЕИСПРАВНОСТИ/ВСЕ КОДЫ» наличие сообщения «ОШИБОК НЕТ», что означает, что все неисправности электрического характера в системе отсутствуют или устранены.
5.3. Если неисправности появляются: при шевелений жгута АБС, при работающем двигателе или в момент движения автомобиля, то необходимо проверить вероятность короткого замыкания или обрыва проводов жгута, надежность сопряжения электрических колодок и фиксации их проводов в гнездах, качество опрессовки проводов, наличие коррозии или повреждения контактов в колодках, надежность затяжки и отсутствие коррозий на проводах в месте подключения на «массу» кузова и др.
6. Процедура ПАРАМЕТРЫ включает операции:
СКОРОСТЬ КОЛЕС - контроль скорости* колес;
ВХОДЫ АЦП - контроль входных параметров;
СОСТОЯНИЕ МЕХ. - контроль состояния исполнительных механизмов гидромодулятора;
СТАТУС БЛОКА - просмотр статуса заполнения гидромодулятора тормозной жидкостью;
ЗАПИСЬ СТАТУСА - запись статуса заполнения. Просмотр операций и параметров –«Up/Dn», останов отображения параметров (фиксация среза параметров) - повторное нажатие «Entr» - восстановление отображения-смены параметров, выход из процедуры – «Esc»
6.1. Операция СКОРОСТЬ КОЛЕС включает контроль скорости колес, км/ч:
VS_FL=ХХХ.Х - переднего левого колеса;
VS_FR=ХХХ.Х - переднего правого колеса;
VS_RL=ХXX.Х - заднего левого колеса;
VS_RR=ХХХ.Х - заднего правого колеса;
Особенность каналов измерения скорости колес - при неподвижных колесах они выдают значение 2,6 - 2,7 км/ч.
6.2. Операция ВХОДЫ АЦП включает просмотр значении входных параметров:
UB= ХХ.Х - напряжение бортовой сети, В;
AX=+-ХХХ.Х - ускорение/замедление автомобиля м/с2 плюс -ускорение, минус - замедление.
Ускорение неподвижного автомобиля +-0,9 м/с2.
6.3. Операция СОСТОЯНИЕ МЕХ. включает просмотр состояния исполнительных механизмов гидромодулятора:
EV_FL=0/1 - впускной передний левый клапан;
AV_FL=0/1 - выпускной передний левый клапан;
EV_FR=0/1 - впускной передний правый клапан;
AV_FR=0/1 - выпускной передний правый клапан;
EV_RA=О/1 - впускной задний клапан;
AV_RA=0/1 - выпускной задний клапан;
BLS=0/1- датчик положения тормозной педали;
PMS=0/1 - электромотор привода насосов;
VRS=0/1 - реле клапанов гидромодулятора.
Обозначение: О=НЕТ/выключен; 1 = ЕСТЬ/включен.
6.4. Операция СТАТУС БЛОКА включает проверку статуса заполнения гидравлического блока:
00 - заполнение успешно завершено;
АА - заполнение не завершено.
6.5. Операция ЗАПИСЬ СТАТУСА позволяет записать статус заполнения гидромодулятора командами:
«00 - ЗАПОЛНЕН» - признак нормального заполнения;
«АА - НЕ ЗАПОЛНЕН» - признак незаполнения.
Все другие признаки, в отличие от «00» являются признаками незаполнения или незавершения заполнения.
Выбрать строку и нажать: «Entr» - для записи признака, «Ecs»- для отказа от записи.
Операция выполняется по фактическим результатам выполнения процедуры «ЗАПОЛНЕНИЕ-90с..» (см. ниже).
7. Процедура ПРОСМОТР ПАСПОРТНЫХ ДАННЫХ позволяет провести сверку паспортных данных ЭБУ гидромодулятора:
- номер гидромодулятора ОАО «УАЗ»: «31633538015»;
- наименование системы: «АВS 8.0»;
- номер ЭБУ гидромодулятора: «0265800499»;
- номер программы ЭБУ: «39841»;
- версия программы ЭБУ:
- вариант кодирования ЭБУ: «001»;
Просмотр данных – «Up/Dn», выход из процедуры – «Esc»
Типы гидромодуляторов (маркировка на корпусе):
- незаполненный 0 265 231 023 (3163-3538015) - поставляется на сборку автомобиля;
- заполненный 0 265 231 024 (3163-3538013) - может поставляться в запасные части.
Для чтения паспортных данных необходимо:
- остановить двигатель, подключить тестер к системе через диагностический разъем и включить зажигание, чтобы активировать ЭБУ;
- выбрать диагностику «РЕЖИМ V<10км/ч» или «РЕЖИМ V>10км/ч», затем режим «ПАСПОРТ» просмотреть паспортные данные на соответствие указанным выше;
- при несоответствии паспортных данных фиксировать неисправность АБС и принять меры по выявлению причин неправильного комплектования автомобиля и последующей замене гидромодулятора.
«Сухой» гидромодулятора необходимо заполнить тормозной жидкостью, используя процедуру «ЗАПОЛНЕНИЕ-90с..»
8. Процедура ЗАПОЛНЕНИЕ-90с.. проводится с целью заполнения тормозной жидкостью «сухого» гидромодулятора, установленного на автомобиль и подсоединенного к его гидравлической тормозной системе и электрооборудованию.
8.1. Процедура представляет собой непрерывный автоматический цикл длительностью около 90 с, во время которого работают все выпускные клапаны, а по окончании -включается привод насосов гидромодулятора.
Прервать процедуру можно только выключением зажигания. Параметры АБС и состояние исполнительных механизмов можно наблюдать в режиме «ПАРАМЕТРЫ», для чего нужно предварительно выйти из процедуры ЗАПОЛНЕНИЕ-90с.. по клавише «Esc».
8.2. Порядок работы:
- подключить тестер к системе через диагностический разъем и включить зажигание, чтобы активировать ЭБУ и гидромодулятор;
- выбрать диагностику «РЕЖИМ V< 10км/ч», затем процедуру «ПАРАМЕТРЫ/СТАТУС БЛОКА» и прочитать статус заполнения гидравлического блока.
Если записан признак «00», то гидравлический блок заполнен и процедуру проводить не требуется, если записан любой другой признак, то процедуру необходимо провести по приведенной ниже методике:
- проверить напряжение бортовой сети в процедуре «ПАРАМЕТРЫ/ВХОДЫ АЦП» (должно быть UB>12.0 В,) в противном случае нужно выполнить профилактические работы или заменить аккумуляторную батарею;
- процедурой «НЕИСПРАВНОСТИ/СБРОС КОДОВ» сбросить накопленные коды неисправности системы;
- выключить-включить зажигание и с помощью процедуры «НЕИСПРАВНОСТИ/ВСЕ КОДЫ» прочитать коды неисправностей системы:
в случае появления кодов: 4060,4070,4090,4110,4121 необходимо выполнить ремонт и обслуживание системы АБС с целью устранения данных неисправностей. Например, проверить надежность подсоединения проводов «массы» АБС к кузову автомобиля;
- проверить достаточность тормозной жидкости в бачке;
- запустить процедуру «ЗАПОЛНЕНИЕ 90с..»;
- при ручном выполнении процедуры (в условиях СТО) давление в тормозной системе создавать путем циклического нажатия до упора и отпускания тормозной педали с периодичностью 3-5 с;
- в случае успешного завершения процедуры педаль становится достаточно «жесткой», в противном случае заполнение необходимо повторить;
- прокачать тормозную систему традиционным способом путем удаления воздуха из первичного и вторичного контуров тормозной системы для каждого из колес, например, против часовой стрелки: RL- > FL- > FR- > RR это необходимо выполнять также в случае, если магистраль была уже заполнена, так как воздух из «сухого» гидромодулятора может попасть в тормозную систему;
- проконтролировать герметичность системы путем осмотра тормозных трубок и их соединений на предмет подтеканий;
- проверить уровень тормозной жидкости в бачке;
- выполнить проверку тормозных механизмов автомобиля на тормозном стенде(см. «ТЕСТ ПРИВОДА») и при положительных результатах испытаний записать статус заполнения гидравлического блока в процедуре «ПАРАМЕТРЫ/ЗАПИСЬ СТАТУСА» командой «00- ЗАПОЛНЕН», проверить правильность его записи командой «ПАРАМЕТРЫ/СТАТУС БЛОКА».
8.3. Нормально заполненный гидромодулятор. если он не снимался с автомобиля, не требует повторного заполнения, даже в случае ремонта тормозной системы После завершения ремонтных работ тормозная система прокачивается традиционным способом.
9. Процедура СЛИВ ГИДРОМОДУЛ. обеспечивает слив тормозной жидкости из гидромодулятора и контуров колес:
ФАЗА 1 - заднего левого - 25 с;
ФАЗА 2 - переднего левого - 35 с;
ФАЗА 3 - переднего правого - 99 с;
ФАЗА 4 - заднего правого -72 с.
В процессе процедуры слива тормозные клапаны колес должны быть открыты, давление для слива в системе создавать путем циклического нажатия ногой на тормозную педаль с периодичностью 2-3 с.
Процедура предусмотрена для ремонта тормозной системы и может применяться перед демонтажем гидромодулятора. Вновь установленный на автомобиль гидромодулятор необходимо заполнить, используя процедуру «3АПОЛНЕНИЕ-90с..».
10. Процедура ТЕСТ ПРИВОДА включает команды управления исполнительными механизмам и гидромодулятора с целью оценки их исправности, правильности подключения тормозных трубок и контроля тормозных сил колес:
МОТОР ВКЛЮЧИТЬ - включить привод насосов;
КЛАПАНЫ ОТКРЫТЬ - открыть все впускные клапаны;
СБРОС ДАВЛЕНИЯ П.Л. - сброс давления в контуре переднего левого колеса;
ДАВЛЕНИЕ П.Л. - подъем давления в контуре переднего левого колеса;
СБРОС ДАВЛЕНИЯ П.П. – сброс давления в контуре переднего правого колеса;
ДАВЛЕНИЕ П.П. - подъем давления в контуре переднего правого колеса;
СБРОС ДАВЛ. 3.ОСИ - сброс давления в контуре колес задней оси,
ДАВЛЕНИЕ 3.ОСИ - подъем давления в контуре колес задней оси;
КЛАПАНЫ ЗАКРЫТЬ - закрыть все впускные клапаны;
МОТОР ВЫКЛЮЧИТЬ - выключить привод насосов.
Выбор команды – «Up/Dn», запуск команды – «Entr», возврат к выполнению команды –«Esc», выход из процедуры - повторное нажатие «Esc».
10.1 Для двухосевых барабанов тормозного стенда тест проводится в виде задания команд в вышеуказанной последовательности.
Для одноосевых тормозных барабанов тест проводится поочередно Для задней и передней оси - последовательно задаются все указанные команды.
Перед проведением теста проверить и привести в норму давление в шинах. Время вращения барабанов должно быть не менее 30 с.
При проведении теста двигатель должен быть заглушен, скорость барабанов соответствовать 3,5-7 км/ч, усилие на тормозную педаль 250-490 Н.
10.2. Управление тормозным стендом (с независимым приводом колес), как правило, производится из кабины автомобиля с помощью дистанционного пульта.
Последовательность:
- включить привод барабанов стенда;
- нажать и удерживать тормозную педаль с заданным тормозным усилием;
- последовательно включать процедуры теста;
- наблюдать на мониторе тормозного стенда гистограммы (осциллограммы) тормозных усилий и скорость сброса-подъема давления.
10.3. Контрольные значения:
норма высокого давления (подъем):
- передних колес (MIN=2,0 кН);
- задних колес (MIN=0,9 кН);
- норма низкого давления (сброс) – MAX=0,4 кН.
Заданное тестом время изменения давления в тормозной системе:
- сброс - 250 мс;
- подъем - 50 мс.
10.4. Если минимальное тормозное усилие при подъеме давления в контуре ниже нормы:
- недостаточное усилие на тормозной педали;
- проверить работоспособность тормозных цилиндров и тормозных колодок;
- выполнить повторное заполнение тормозной системы и гидромодулятора;
- проверить работоспособность тормозной системы при отключенном от гидромодулятора жгуте проводов, при необходимости заменить гидромодулятор.
10.5. Если максимальное тормозное усилие при сбросе давления в контуре остается большим или скорость изменения тормозных сил очень низкая, то причиной могут быть:
- чрезмерное усилие на тормозную педаль;
- засоренность тормозной системы (при необходимости, произвести замену тормозной жидкости);
- возможные механические повреждения в деформации тормозных трубок при их прокладке или при сильной затяжке, несоответствие проходного сечения трубок заданному;
- неработоспособность тормозных цилиндров я наличие подклинивания тормозных колодок;
- неисправность гидромодулятора (проверяется путем его отключения от жгута проводов) й датчиков колес (см. ниже ТЕСТ ДАТЧИКОВ); при необходимости заменить компоненты АБС.
11. Процедура ТЕСТ ДАТЧИКОВ включает операции:
ФАЗА 1-СТАРТ - фаза 1 проверки;
ФАЗА 2-СТАРТ - фаза 2 проверки;
ФАЗА 3-СТАРТ - фаза 3 проверки;
ФАЗА 4-СТАРТ - фаза 4 проверки;
РЕЗУЛЬТАТ - фаза 5 выдачи результатов проверки.
Выбор операции – «Up/Dn», запуск – «Entr», возврат к выполнению операции –«Esc», выход из процедуры - повторное нажатие «Esc».
Длительность выполнения каждой из фаз -0,5 с.
Правильный результат - минимальные (MIN) и максимальные (МАХ) скорости колес - достигается только при обязательном выполнении всех четырех фаз.
11.1, Тест проводится на тормозных барабанах с независимым приводом колес. Перед проведением теста проверить и привести в норму давление в шинах.
При проведения теста двигатель должен быть заглушен, скорость барабанов соответствовать 3,5-7 км/ч, усилие на тормозную педаль не создавать. Время вращения барабанов должно быть не менее 20 с.
11.2. Для двухосевых тормозных барабанов тест проводятся последовательным выполнением указанных команд - ФАЗА 1...ФАЗА 4 + РЕЗУЛЬТАТ.
Для одноосевых тормозных барабанов тест проводятся поочередно для каждой оси:
- сначала для передней оси - ФАЗА I..,ФАЗА 4 + РЕЗУЛЬТАТ;
- затем для задней оси - ФАЗА 1...ФАЗА 4 + РЕЗУЛЬТАТ.
Результаты контроля скорости для невращающихся колес автомобиля игнорируются.
11.3. Нормативы:
- допустимый диапазон изменения скорости колеса 0,5 км/ч от номинальной скорости вращения тормозных барабанов;
- допустимая разница между максимальной и минимальной скоростью колес 0,6 км/ч.
11.4. Если скорость колеса ниже номинала:
- отсутствует синхродиск, неправильная установка ил и механическое повреждение синхродиска;
- не установлен или не подключен датчик скорости колеса, обрыв жгута проводов;
- неисправность тормозного стенда.
11.5. Если скорость колеса выше номинала:
- механическое повреждение синхродиска;
- неисправен датчик скорости колеса или канал ЭБУ.
11.6. Если разброс скорости превышает норму:
- имеет место подтормаживание колес;
- большое отклонение по давлению в шинах;
- неисправность или повреждение синхродиска;
- неисправность датчика скорости или канала ЭБУ.
Коды неисправностей системы АБС
Код - Наименование неисправности
4035 Неисправность цепи датчика скорости левого переднего колеса
4040 Неисправность цепи датчика скорости правого переднего колеса
4045 Неисправность цепи датчика скорости левого заднего колеса
4050 Неисправность цепи датчика скорости правого заднего колеса
4060 Неисправность цепи насоса № 1 или выпускного клапана левого переднего колеса (LFAV)
4065 Неисправность цепи насоса № 2 или впускного клапана левого переднего колеса (LFEV)
4070 Неисправность цепи насоса №1 или выпускного клапана правого переднего колеса (RFAV)
4075 Неисправность цепи насоса № 2 или впускного клапана правого переднего колеса (RFEV)
4090 Неисправность цепи насоса 1 или выпускного клапана задней оси (RAAV)
4095 Неисправность цепи насоса № 2 или впускного клапана задней оси (RAEV)
4110 Привод (мотор) насоса плохо работает или не останавливается
4121 Неисправность цепи питания клапанов
4161 Неисправность цепи выключателя сигнала торможения
4245 Ошибка частоты датчика скорости колеса
4287 Неисправность цепи датчика ускорения
4550 Неисправность контроллера управления ABS
4800 Низкое или высокое напряжение бортовой сети, (вне диапазона 7,5-16 В)