Электрическая цепь состоит из переключателей, реле, электродвигателей, предохранителей, автоматических выключателей, проводов и разъемов, которые соединяют потребитель тока с аккумуляторной батареей и кузовом

 Для помощи в поиске источников неисправности системы электрооборудования в статье приведены схемы электрооборудования автомобиля.

Прежде чем пытаться определить источник неисправности, изучите соответствующую схему электрооборудования для получения представления об элементах этой цепи.

Число возможных источников неисправности можно уменьшить, если проверить работу других элементов, входящих в данную цепь.

Если несколько элементов или цепей выходят из строя одновременно, возможно, неисправен предохранитель, общий для этих цепей или элементов, или нарушено соединение с кузовом – «массой».

Причинами неисправности являются ослабленные или окисленные разъемы, нарушение контакта с кузовом, перегоревшие предохранители или неисправные реле.

Визуально проверьте состояние всех предохранителей, проводов и разъемов в вышедшей из строя цепи, прежде чем приступать к проверке остальных элементов.

Используйте схемы электрооборудования для определения концевых зажимов, которые необходимо проверить для определения источника неисправности.

Основными приборами, необходимыми для обнаружения источника неисправности, являются тестер или вольтметр, контрольная лампа на 12 В, омметр, батарея и набор проводов со щупами, желательно с автоматическим выключателем или предохранителем, который используется для обхода проверяемых проводов или элементов.

Кроме нарушения соединения проводов в системе электрооборудования, возможны еще два основных типа неисправностей – разъединение цепи или короткое замыкание.

Цепь размыкается из-за обрыва, в результате ток прерывается, вызывая отключение элемента электрооборудования.

Для определения целости цепи подсоедините прибор для проверки схем или вольтметр: один вывод – к отрицательной клемме аккумуляторной батареи или заземленному элементу, другой – к контакту в проверяемой цепи, желательно ближайшему к аккумуляторной батарее или предохранителю.

Проверяемый участок цепи должен находиться под напряжением от аккумуляторной батареи, за исключением случая, когда разъем подключения к батарее не проводит тока или перегорел предохранитель (не забывайте, что некоторые цепи электрооборудования включаются лишь при повороте ключа в замке зажигания в определенное положение).

Включите цепь, затем подсоедините щуп тестера к соединению, ближайшему к выключателю цепи на стороне проверяемого элемента.

Если есть напряжение (о чем свидетельствует загорание контрольной лампы или показания вольтметра), значит, на участке цепи между соответствующим соединением и выключателем нет разрывов.

Если обнаружен участок, на котором нет напряжения, значит, обрыв цепи произошел между этой точкой и точкой предыдущей проверки, на которой было напряжение.

Обрыв цепи обусловлен поврежденным или ослабленным разъемом.

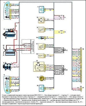
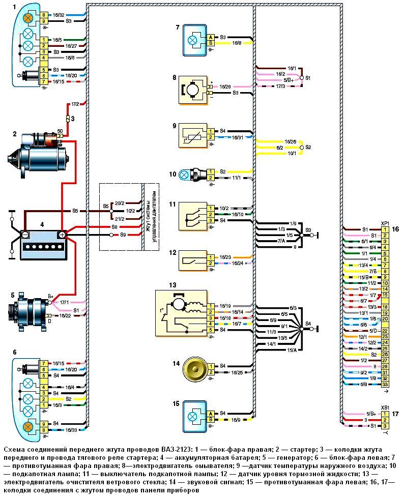
Схема соединений переднего жгута проводов BA3-2123: 1 - блок-фара правая; 2 - стартер; 3 - колодки жгута переднего и провода тягового реле стартера; 4 - аккумуляторная батарея; 5 - генератор; 6 - блок-фара левая; 7 - противотуманная фара правая; 8 - электродвигатель омывателя; 9 - датчик температуры наружного воздуха; 10 - подкапотная лампа; 11 - выключатель подкапотной лампы; 12 - датчик уровня тормозной жидкости; 13 - электродвигатель очистителя ветрового стекла; 14 - звуковой сигнал; 15 - противотуманная фара левая; 16, 17 - колодки соединения с жгутом проводов панели приборов

1. Схема соединений переднего жгута проводов BA3-2123

Схема соединений жгута проводов панели приборов BA3-2123: 1 - колодка диагностики; 2 - колодка соединения со жгутом проводов системы управления двигателем; 3, 4 - колодки соединения с передним жгутом проводов; 5 - левый подрулевой переключатель; 6 - выключатель зажигания; 7 - правый подрулевой переключатель; 8 - комбинация приборов; 9 - колодка соединения со жгутом проводов подсветки блока управления отоплением, вентиляцией и кондиционированием; 10,11 - лампы подсветки блока управления отоплением, вентиляцией и кондиционированием; 12 - выключатель аварийной сигнализации; 13 - монтажный блок предохранителей и реле; 14 - плафон освещения вещевого ящика; 15 - выключатель плафона вещевого ящика; 16 - выключатель сигналов торможения; 17 - выключатель звукового сигнала; 18 - реле противотуманных фар; 19 - реле стеклоподъемников; 20 - реле звукового сигнала; 21 - реле обогрева сидений; 22 - реле стартера; 23 - выключатель наружного освещения; 24 - электродвигатель вентилятора отопителя; 25 - выключатель обогрева стекла двери багажного отделения; 26 - выключатель противотуманных фар; 27 - выключатель заднего противотуманного света; 28 - выключатель кондиционера; 29 - переключатель электродвигателя отопителя; 30 - прикуриватель; 31 - регулятор направления пучков света фар; 32 - регулятор яркости подсветки приборов; 33 - дополнительный резистор вентилятора отопителя; 34 - блок управления автомобильной противоугонной системы; 35, 36 - колодки подключения к головному устройству звуковоспроизведения; 37, 38 - колодки соединения с задним жгутом проводов

2. Схема соединений жгута проводов панели приборов BA3-2123

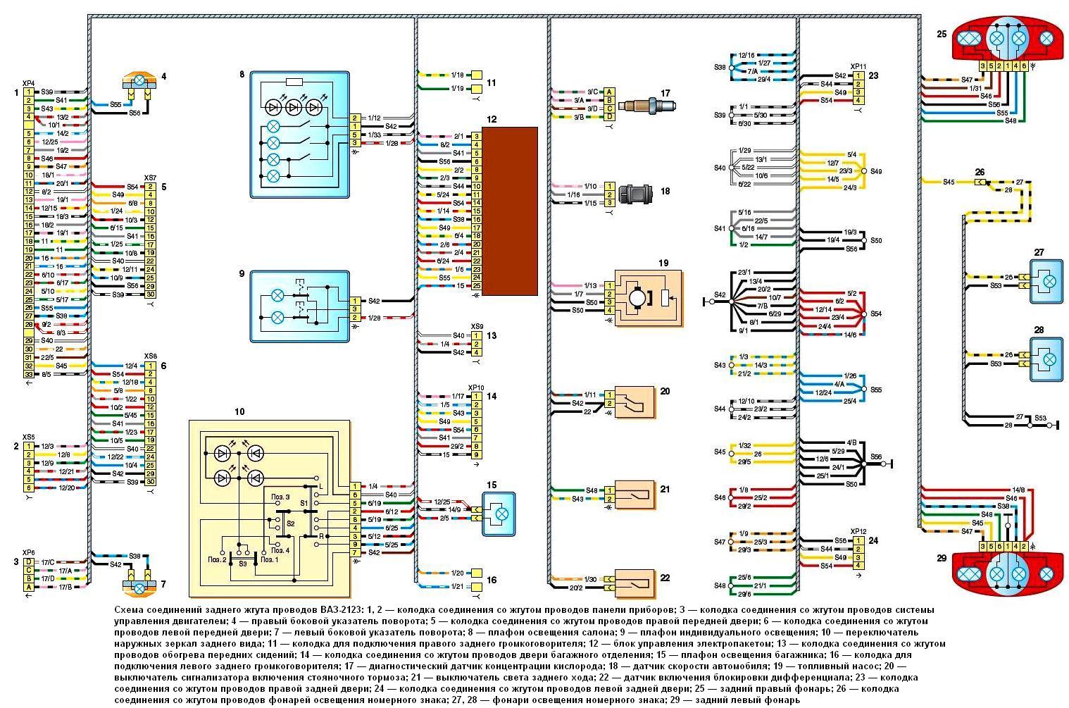
Схема соединений заднего жгута проводов BA3-2123: 1, 2 - колодка соединения со жгутом проводов панели приборов; 3 - колодка соединения со жгутом проводов системы управления двигателем; 4 - правый боковой указатель поворота; 5 - колодка соединения со жгутом проводов правой передней двери; 6 - колодка соединения со жгутом проводов левой передней двери; 7 - левый боковой указатель поворота; 8 - плафон освещения салона; 9 - плафон индивидуального освещения; 10 - переключатель наружных зеркал заднего вида; 11 - колодка для подключения правого заднего громкоговорителя; 12 - блок управления электропакетом; 13 - колодка соединения со жгутом проводов обогрева передних сидений; 14 - колодка соединения со жгутом проводов двери багажного отделения; 15 - плафон освещения багажника; 16 - колодка для подключения левого заднего громкоговорителя; 17 - диагностический датчик концентрации кислорода; 18 - датчик скорости автомобиля; 19 - топливный насос; 20 - выключатель сигнализатора включения стояночного тормоза; 21 - выключатель света заднего хода; 22 - датчик включения блокировки дифференциала; 23 - колодка соединения со жгутом проводов правой задней двери; 24 - колодка соединения со жгутом проводов левой задней двери; 25 - задний правый фонарь; 26 - колодка соединения со жгутом проводов фонарей освещения номерного знака; 27, 28 - фонари освещения номерного знака; 29 - задний левый фонарь

3. Схема соединений заднего жгута проводов BA3-2123

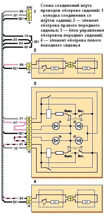
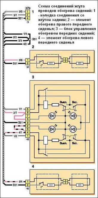
Схема соединений жгута проводов обогрева сидений: 1 – колодка соединения с жгутом задним; 2 – элемент обогрева правого переднего сиденья; 3 – блок управления обогревом передних сидений; 4 – элемент обогрева левого переднего сиденья

4. Схема соединений жгута проводов обогрева сидений

Схема соединений дополнительного жгута проводов (двери багажного отделения): 1 - колодка соединения со жгутом задним; 2 - концевой выключатель двери багажного отделения; 3 - мотор-редуктор блокировки замка двери багажного отделения; 4 - электродвигатель омывателя стекла двери багажного отделения; 5 - дополнительный сигнал торможения; 6 - элемент обогрева стекла двери багажного отделения; 7 - очиститель стекла двери багажного отделения; 8 - реле очистителя стекла двери багажного отделения

5. Схема соединений дополнительного жгута проводов (двери багажного отделения)

Схема соединений жгутов проводов левой и правой задних дверей: 1, 2 - колодки соединения со жгутом задним; 3 - мо­тор-редуктор блокировки замка правой двери; 4 - концевой выключатель правой двери; 5 - концевой выключатель левой двери; 6 - мотор-редуктор блокировки замка левой двери

6. Схема соединений жгутов проводов левой и правой задних дверей

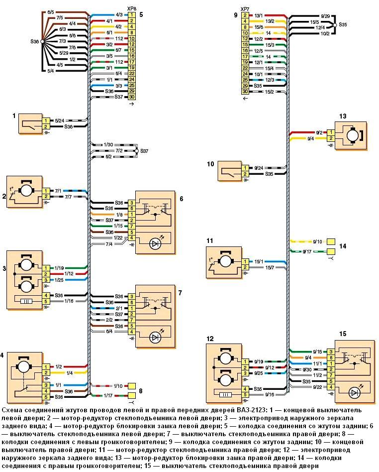
Схема соединений жгутов проводов левой и правой передних дверей BA3-2123: 1 - концевой выключатель левой двери; 2 - мотор-редуктор стеклоподъемника левой двери; 3 - электропривод наружного зеркала заднего вида; 4 - мотор-редуктор блокировки замка левой двери; 5 - колодка соединения со жгутом задним; 6 - выключатель стеклоподъемника левой двери; 7 - выключатель стеклоподъемника правой двери; 8 - колодки соединения с левым громкоговорителем; 9 - колодка соединения со жгутом задним; 10 - концевой выключатель правой двери; 11 - мотор-редуктор стеклоподъемника правой двери; 12 - электропривод наружного зеркала заднего вида; 13 - мотор-редуктор блокировки замка правой двери; 14 - колодки соединения с правым громкоговорителем; 15 - выключатель стеклоподъемника правой двери

7. Схема соединений жгутов проводов левой и правой передних дверей BA3-2123

Схема соединений жгута проводов системы управления двигателем BA3-2123: 1 - колодка соединения со жгутом проводов панели приборов; 2 - клапан продувки адсорбера; 3 - регулятор холостого хода; 4 - датчик положения дроссельной заслонки; 5 - датчик температуры охлаждающей жидкости; 6 - реле компрессора кондиционера; 7- предохранитель реле компрессора кондиционера; 8 - датчик давления хладагента; 9 - компрессор кондиционера; 10 - колодка соединения со жгутом проводов компрессора кондиционера; 11 - датчик массового расхода воздуха; 12 - датчик положения коленчатого вала; 13 - управляющий датчик концентрации кислорода; 14 - датчик детонации; 15 - датчик фаз; 16 - датчик недостаточного давления масла; 17 - датчик указателя температуры охлаждающей жидкости; 18 - реле правого вентилятора системы охлаждения; 19 - блок предохранителей, защищающий цепи правого вентилятора и реле топливного насоса; 20 - правый вентилятор системы охлаждения; 21 - левый вентилятор системы охлаждения; 22 - блок предохранителей, защищающий цепи левого вентилятора и реле зажигания; 23 - реле левого вентилятора системы охлаждения; 24 - дополнительное реле; 25 - реле топливного насоса; 26 - реле зажигания; 27 - катушка зажигания; 28 - свечи зажигания; 29 - форсунки; 30 - дополнительный резистор; 31 - предохранитель цепи питания контроллера; 32- колодка соединения со жгутом проводов форсунок; 33 - блок управления двигателем (контроллер); 34 - колодка соединения с задним жгутом проводов

8. Схема соединений жгута проводов системы управления двигателем BA3-2123

Для обнаружения источника короткого замыкания выключите, потребители электроэнергии – лампы, электродвигатели, нагревательные элементы и др.

Снимите соответствующий предохранитель и подсоедините выводы тестера или вольтметра к контактам предохранителя.

Включите питание в цепи; не забывайте, что некоторые цепи электрооборудования включаются лишь при повороте ключа в замке зажигания в определенное положение.

Если в цепи есть напряжение (о чем свидетельствует загорание контрольной лампы или показания вольтметра), значит, в цепи короткое замыкание.

Если при проверке напряжения нет, а предохранитель по-прежнему перегорает при подключении той же нагрузки, – из строя вышел элемент нагрузки.

Отрицательная клемма аккумуляторной батареи подключается к «массе» – кузову, двигателю или коробке передач.

Ненадежное или окисленное крепление может привести к отказу элемента или нарушению его работы.

Не забывайте, что на многих автомобилях используются «массовые» провода между некоторыми элементами, такими как двигатель/трансмиссия и кузов, то есть в тех местах, где нет непосредственного контакта между металлическими элементами из-за мягких резиновых креплений или слоя краски.

Для проверки надежности заземления элемента необходимо отключить аккумуляторную батарею и подключить один из выводов омметра к надежно заземленному элементу.

Подсоедините другой вывод к проводу или соединению с кузовом, которое необходимо проверить.

Показываемое омметром сопротивление должно быть равно нулю, в противном случае проверьте соединение так как описано ниже.

Если вызывает сомнение надежность контакта с «массой», разберите соединение, удалите загрязнения и зачистите контакты.

При сборке подтяните крепление разъема, для чего нанесите слой технического вазелина или силиконовой смазки для предотвращения коррозии.

Проверка целости цепи проводится для того, чтобы убедиться, что цепь, ее участок или элемент проводят ток.

Отсоедините провода от клемм аккумуляторной батареи и подсоедините щуп контрольной лампы с собственным источником питания, например прибор для проверки целости цепей, – к одному концу цепи, а другой щуп ко второму концу цепи.

Если лампа загорится, значит, цепь не прерывается и проводит электрический ток. Выключатели можно проверить таким же образом.