Возможные неисправности освещения и световой сигнализации Нива Шевролет

Причина неисправности

Способ устранения

Не горят отдельные лампы фар и фонарей

- Перегорели предохранители

Проверьте, замените предохранители, статья - "Блоки предохранителей и реле"

- Перегорели нити ламп

Замените лампы

- Окисление контактов выключателей или реле

Зачистите контакты

- Повреждение проводов, окисление их наконечников или ослабление соединений проводов

Проверьте, замените поврежденные провода, зачистите наконечники

- Окисление контактных перемычек на месте установки реле контроля ламп

Проверьте, зачистите контактные перемычки

Не фиксируются рычаги подрулевого переключателя

- Разрушение фиксаторов рычагов

Замените поврежденный переключатель, статья - "Снятие подрулевых переключателей"

Указатели поворота не выключаются автоматически после окончания поворота

- Повреждение механизма возврата рычага переключателя указателей поворота в исходное положение

Замените переключатель указателей поворота и света фар

Контрольная лампа указателей поворота мигает с удвоенной частотой

- Перегорела одна из ламп указателей поворота

Замените лампу, статья - "Как поменять лампочки и снять блок-фару"

Запотевание рассеивателя блок-фары

- Негерметичность в месте склейки рассеивателя с корпусом

Заглушите дренажное отверстие (если имеется) в нижней части корпуса и опустите блок»фару рассеивателем в воду. При проникновении воды замените блок-фару

- Попадание воды со стороны моторного отсека при мойке автомобиля

Удалите влагу из блок-фары

Описание схем фар и световой сигнализации

На автомобиле Нива Шевроле применяются блок фары, в которых объединены фары ближнего и дальнего света и указатели поворота

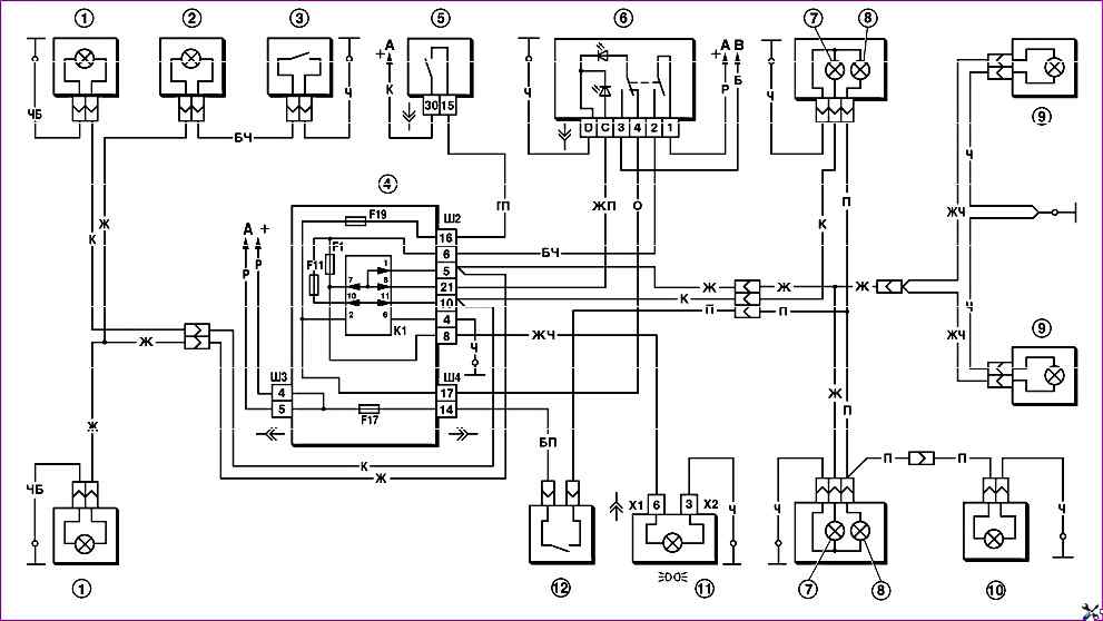
Схема включения фар на рисунке 1

Схема включения фар: 1 – блок-фары; 2 – монтажный блок; 3 – переключатель света фар; 4 – выключатель зажигания; 5 – выключатель наружного освещения; 6 – контрольная лампа дальнего света фар в комбинации приборов; К4 – реле включения ближнего света фар; К5 – реле включения дальнего света фар; А – к источникам питания

Ближний и дальний свет фар включается с помощью реле К4 и К5, которые расположены в монтажном блоке

Управляющее напряжение на реле подается от переключателя 3 света фар, если полностью нажата клавиша переключателя 5 наружного освещения

При включении ближнего света горят лампы ближнего света, а при включении дальнего света – все лампы ближнего и дальнего света

Также можно кратковременно включать дальний свет фар, с помощью переключателя 3, оттягивая рычаг переключателя на себя. При этом напряжение к контакту «30» переключателя 3 подается непосредственно от источников питания

Схема включения противотуманных фар показана на рисунке 2

Схема включения противотуманных фар: 1 – противотуманные фары; 2 – монтажный блок; 3 – выключатель наружного освещения; 4 – выключатель противотуманных фар; 5 – реле включения противотуманных фар; А – к источникам питания

Противотуманные фары включаются выключателем 4 с помощью вспомогательного реле 5 типа 904.3747-11 или 904.3747-11А, установленного в колодке, прикрепленной к задней стороне монтажного блока

Противотуманные фары можно включить только, если переключателем 3 включено наружное освещение

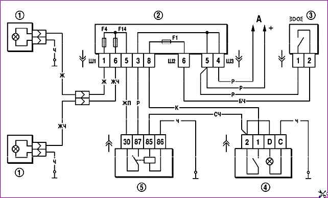
Схема включения противотуманного света показана на рисунке 3

Схема включения противотуманных огней: 1 – выключатель зажигания; 2 – переключатель наружного освещения; 3 – лампы противотуманного света в задних фонарях; 4 – выключатель задних противотуманных огней; 5 – блок управления автомобильной противоугонной системы

Лампы противотуманного света 3 в задних фонарях включаются выключателем 4 через блок 5 управления противоугонной системой только в случае, если включены фары.

При выключении габаритных огней задние противотуманные огни выключаются автоматически

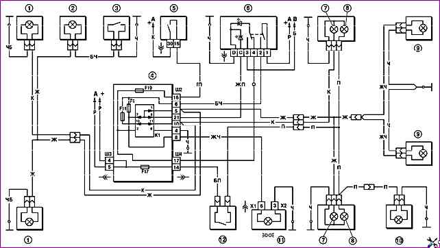
Схема включения наружного освещения показана на рисунке 4

Схема включения наружного освещения: 1 – лампы габаритного света в блок-фарах; 2 – лампа подкапотная; 3 – выключатель подкапотной лампы;4 – монтажный блок; 5 – выключатель зажигания; 6 – переключатель наружного освещения; 7 – лампы габаритного света в задних фонарях; 8 – лампы стоп-сигнала в задних фонарях; 9 – дополнительный сигнал торможения; 10 – фонари освещения номерного знака; 11 – контрольная лампа включения наружного света в комбинации приборов; 12 – выключатель стоп-сигнала; К1 – реле контроля исправности ламп (внутри реле показаны контактные перемычки, которые устанавливаются при отсутствии реле); А – к источникам питания; В – к лампам освещения приборов

Питание ламп габаритного света и стоп-сигнала происходит через реле К1 контроля исправности ламп. Если реле контроля на установлено в монтажном блоке, то нужно установить перемычки, показанными стрелками на рисунке 4

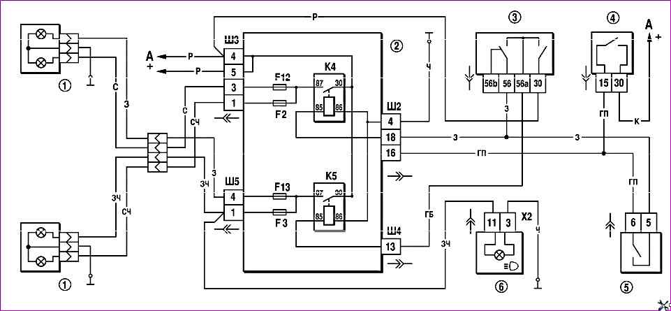
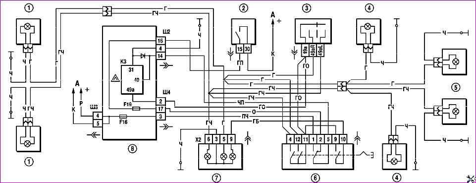
Схема включения указателей поворота и аварийной сигнализации показана на рисунке 5

Схема включения указателей поворота и аварийной сигнализации: 1 – лампы указателей поворота в блок-фарах; 2 – выключатель зажигания; 3 – переключатель указателей поворота; 4 – боковые указатели поворота; 5 – лампы указателей поворота в задних фонарях; 6 – выключатель аварийной сигнализации; 7 – комбинация приборов; 8 – монтажный блок; К3 – реле прерыватель; А – к источникам питания

Габаритный свет включается переключателем 6 наружного освещения

Указатели поворота правого или левого борта включаются переключателем 3. В режиме аварийной сигнализации выключателем 6 включаются все указатели поворота

Мигание ламп обеспечивается реле-прерывателем К3 в монтажном блоке