В вариантном исполнении на автомобиль устанавливается АБС тормозов
Антиблокировочная система тормозов является частью рабочей тормозной системы автомобиля и предназначена для автоматического регулирования степени проскальзывания колес в направлении их вращения во время торможения за счет изменения давления тормозной жидкости в рабочих тормозных цилиндрах с целью предотвращения потери управляемости и устойчивости автомобиля и повышения эффективности торможения.
АБС также выполняет функции распределения тормозных сил по осям автомобиля и распределения тормозных сил по бортам автомобиля при торможении в повороте.
АБС состоит из следующих основных узлов:
- - гидроагрегата;
- - двух датчиков скорости передних колес;
- - двух датчиков скорости задних колес;
- - двух роторов передних колес. Ротор переднего колеса входит в состав наружного шарнира;
- - двух роторов задних колес. Ротор заднего колеса входит в состав полуоси;
Гидроагрегат конструктивно состоит из электронного блока управления и гидромодулятора, содержащего электромагнитные клапаны, возвратный насос и электродвигатель возвратного насоса.
Датчики скорости колес вырабатывают сигналы о скорости каждого колеса автомобиля, которые передаются в электронный блок управления гидроагрегата.
В основу работы колесных датчиков положен принцип электромагнитной индукции.
При вращении колеса мимо датчика проходят зубцы и впадины специального ротора и наводят в обмотке датчика электрический сигнал, частота которого пропорциональна угловой скорости колеса и количеству зубцов на роторе.
Электронный блок управления производит логическую обработку сигналов о скорости колес и, в зависимости от их состояния (чрезмерное ускорение или замедление колеса), направляет управляющие команды к гидромодулятору.
Гидромодулятор по полученным командам, включая или отключая электромагнитные клапаны, снижает, повышает или удерживает постоянным давление тормозной жидкости в колесных тормозных цилиндрах, обеспечивая тем самым оптимальное регулирование тормозных сил.
При снижении давления излишняя тормозная жидкость перекачивается возвратным насосом в главный тормозной цилиндр.
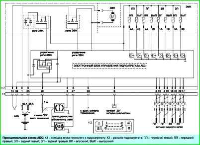
Принципиальная схема АБС приведена на рисунке
Назначение контактов разъема гидроагрегата:
Контакт - Цепь
- 1 - Клемма "+" АКБ. Напряжение питания ЭВН гидроагрегата.
- 3 - Выход на лампу диагностики электронного распределения тормозных сил.
- 4 - Входной сигнал переднего правого ДСК.
- 6 - Выход/вход К-линия.
- 8 - Входной сигнал переднего левого ДСК.
- 13 - "Масса". Общий провод питания ЭВН гидроагрегата.
- 16 - Напряжение питания переднего правого ДСК.
- 17 - Напряжение питания заднего правого ДСК.
- 18 - Входной сигнал заднего левого ДСК.
- 19 - Напряжение питания переднего левого ДСК.
- 25 - Клемма "+" АКБ. Напряжение питания ЭМК гидроагрегата.
- 27 - Выход на лампу диагностики антиблокировочной системы тормозов.
- 28 - Клеммы "15" выключателя зажигания. Напряжение питания ЭБУ ГА.
- 29 - Входной сигнал заднего правого ДСК.
- 30 - Вход от выключателя сигнала торможения.
- 31 - Напряжение питания заднего левого ДСК.
- 38 - "Масса". Общий провод питания ЭМК и ЭБУ гидроагрегата.
Диагностика АБС
Контрольная лампа антиблокировочной системы тормозов (АБС) загорается на короткое время желтым светом при включении зажигания.
Это свидетельствует о выполнении самотестирования и работоспособности лампы индикации.
В случаях, если:
- лампа не загорается при включении зажигания, загорается и не гаснет, загорается во время движения, в системе возможно наличие неисправностей.
Загорание лампы АБС, за исключением самотестирования при включении зажигания, свидетельствует о неработоспособности АБС.
При этом работа гидравлического привода тормозов не нарушается, но тормоза в автомобиле будут работать так, как если бы АБС в автомобиле не было.
Контрольная лампа электронного распределения тормозных сил загорается на короткое время красным светом при включении зажигания одновременно с лампой АБС.
Это свидетельствует о выполнении самотестирования системы и работоспособности лампы индикации.
В случаях, если:
- лампа не загорается при включении зажигания, загорается и не гаснет, загорается во время движения, в системе возможно наличие неисправностей.
Загорание лампы электронного распределения тормозных сил всегда происходит одновременно с контрольной лампой АБС.
Одновременное загорание лампы АБС и лампы электронного распределения тормозных сил, за исключением самотестирования при включении зажигания, свидетельствует об отказе всех функций АБС.
Для просмотра кодов неисправностей и параметров АБС используется диагностический прибор ДСТ-2, 10,12 с соответствующей прошивкой.
Перечень кодов неисправностей АБС, отображаемых диагностическим прибором:
Код - Описание кода
- С0035 - Неисправность датчика скорости переднего левого колеса
- С0040 - Неисправность датчика скорости переднего правого колеса
- С0045 - Неисправность датчика скорости заднего левого колеса
- С0050 - Неисправность датчика скорости заднего правого колеса
- С0060 - Неисправность цепи впускного клапана переднего левого колеса
- С0065 - Неисправность цепи выпускного клапана переднего левого колеса
- С0070 - Неисправность цепи впускного клапана переднего правого колеса
- С0075 - Неисправность цепи выпускного клапана переднего правого колеса
- С0080 - Неисправность цепи впускного клапана заднего левого колеса
- С0085 - Неисправность цепи выпускного клапана заднего левого колеса
- С0090 - Неисправность цепи впускного клапана заднего правого колеса
- С0095 - Неисправность цепи выпускного клапана заднего правого колеса
- С0110 - Неисправность цепи мотора помпы гидромодуля
- С0121 - Неисправность цепи реле клапанов
- С0161 - Неисправность цепи переключателя тормозов
- С0245 - Ошибка частоты датчика скорости колеса
- С0550 - Неисправность ЭБУ
- С0800 - Неисправность цепи питания устройства
- С0640 - Некорректно запрограммирована информация в EEPROM или дефектна ячейка EEPROM
При обнаружении кодов неисправностей С0035, С0040, С0045 и С0050 проверьте электрические цепи к соответствующему ДСК на обрыв и замыкание, проверьте напряжение питания соответствующего ДСК (U пит ДСК ≥ 0,8 U пит ЭБУ).
При обнаружении кода неисправности С0110 проверьте напряжение питания на контакте 1 колодки жгута к гидроагрегату.
При обнаружении кода неисправности С0121 проверьте напряжение питания на контакте 25 колодки жгута к гидроагрегату.
При обнаружении кода неисправности С0161 проверьте электрическую цепь к выключателю сигнала торможения на обрыв и замыкание.
На контакте 30 колодки жгута к гидроагрегату должно быть:
- - входное напряжение низкого уровня не более 0,3 U пит;
- - входное напряжение высокого уровня не менее 0,8 U пит.
При обнаружении кода неисправности С0245 проверьте надежность крепления ДСК и зазоры между ДСК и ротором.
Зазор между датчиком скорости переднего колеса и зубцами ротора переднего колеса должен быть 0,72-1,33 мм.
Зазор между датчиком скорости заднего колеса и зубцами ротора заднего колеса должен быть 0,13-1,12 мм.
При обнаружении кода неисправности С0800 проверьте напряжение питания на контакте 28 колодки жгута к гидроагрегату. Оно должно быть в пределах (10-16) В.
При обнаружении кодов неисправностей С0060, С0065, С0070, С0075, С0080, С0085, С0090, С0095, С0550, замените гидроагрегат.
Неисправность, соответствующая коду С0640, не является критической. В случае ее возникновения допускается дальнейшая эксплуатация автомобиля.
Блок предохранителей АБС
Блок предохранителей АБС находится в моторном отсеке на кронштейне рядом с аккумулятором
- 40А – Электродвигатель возвратного насоса гидроагрегата АБС
- 25 А – Электромагнитные клапаны гидроагрегата АБС
- 5А – Электронный блок управления гидроагрегата АБС


Чтобы поменять предохранители, отжимаем фиксатор крышки блока предохранителей АБС

Открываем крышку блока и заменяем предохранитель