РЕГУЛИРОВКА ПРИВОДНОЙ ШЕСТЕРНИ 4
Щупом измерьте зазор между торцем шестерни и ограничителем хода
Номинальное значение: 0,5 .
1. Отсоедините обмотку возбуждения стартера от клеммы "М" тягового реле.
2. Подключите аккумуляторную батарею напряжением 12 В между выводами "S" и "М" стартера.

3.Включите выключатель. При этом рычаг привода переместит приводную шестерню.

ВНИМАНИЕ
Данный тест должен выполняться максимально быстро (не более 10 секунд), чтобы исключить возможность перегрева обмотки тягового реле.
5. Если зазор отличается от приведённых значений, то следует произвести его регулировку. Регулировка осуществляется снятием или установкой дополнительных прокладок между тяговым реле и передним кронштейном.

ПРОВЕРКА ВТЯГИВАЮЩЕЙ ОБМОТКИ ТЯГОВОГО РЕЛЕ

1. Отсоедините обмотку возбуждения стартера от клеммы "М" тягового реле.
ВНИМАНИЕ
Данный тест должен выполняться максимально быстро (не более 10 секунд), чтобы исключить возможность перегрева обмотки тягового реле.
2. Подключите аккумуляторную батарею напряжением 12 В между выводами "S" и "М" стартера.
3. Если приводная шестерня выдвигается из корпуса, то втягивающая обмотка исправна.
Если шестерня не выдвигается, то следует заменить тяговое реле.
ПРОВЕРКА УДЕРЖИВАЮЩЕЙ ОБМОТКИ ТЯГОВОГО РЕЛЕ

1. Отсоедините обмотку возбуждения стартера от клеммы "М" тягового реле.
ВНИМАНИЕ
Данный тест должен выполняться максимально быстро (не более 10 секунд), чтобы исключить возможность перегрева обмотки тягового реле.
2. Подключите аккумуляторную батарею напряжением 12 В между выводом "S" и корпусом стартера.
3. Вручную передвиньте шестерню до упора.
4. Если шестерня остаётся в выдвинутом положении, то удерживающая обмотка исправна. Если приводная шестерня самопроизвольно вдвигается в корпус, то удерживающая обмотка неисправна.
Замените тяговое реле.
ПРОВЕРКА СТАРТЕРА НА РЕЖИМЕ ХОЛОСТОГО ХОДА

1. Зажмите стартер в приспособлении (в тисках), оборудованном мягкими губками, подсоедините к выводам стартера полностью заряженную аккумуляторную батарею.
2. Включите амперметр (с пределом измерений 100 ампер) и угольный реостат последовательно в цепь между положительной клеммой аккумуляторной батареи и зажимом стартера.
3. Подключите вольтметр с пределом измерений 15 вольт к выводам стартера.
4. Введите реостат в положение максимального сопротивления.
5. Подключите провод от отрицательной клеммы аккумуляторной батареи к корпусу стартера.
6. Выводите реостат до тех пор, пока вольтметр не покажет напряжение 11 вольт.
7. Убедитесь в том, что сила тока находится в установленном диапазоне, а якорь стартера вращается без посторонних звуков.
Допускаемый ток:
<4G1> не более 95 ампер
<4G6> не более 90 ампер
ПРОВЕРКА ВОЗВРАТНОГО ХОДА ТЯГОВОГО РЕЛЕ

1. Отсоедините обмотку возбуждения стартера от клеммы "М" тягового реле.
ВНИМАНИЕ
Данный тест должен выполняться максимально быстро (не более 10 секунд), чтобы исключить возможность перегрева обмотки тягового реле.
2. Подключите аккумуляторную батарею с напряжением 12 В между выводом "М" и корпусом стартера.
ПРЕДУПРЕЖДЕНИЕ
Будьте осторожны во время вытягивания приводной шестерни.
3. Вручную вытяните приводную шестерню и отпустите её. Если шестерня быстро возвращается на своё место, то тяговое реле исправно. Если шестерня не возвращается на своё место, то следует заменить тяговое реле.
РАЗБОРКА И СБОРКА

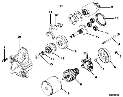
Последовательность разборки стартера
1. Отверните винты
2. Снимите тяговое реле
3. Отверните винты
4. Отверните болт
5. Снимите заднюю крышку
6. Снимите щёткодержатель
7. Снимите задний подшипник
8. Снимите якорь
9. Снимите магнитопровод (корпус)
10.Снимите уплотнение А
11. Снимите уплотнение В
12. Снимите пластину
13. Снимите сателлиты
14. Снимите приводной рычаг
15. Снимите стопорное кольцо
16. Снимите замочное кольцо
17. Снимите обгонную муфту
18. Снимите коронное колесо
19. Снимите водило планетарной передачи
20. Снимите переднюю крышку стартера
Последовательность разборки стартера
СНЯТИЕ ТЯГОВОГО РЕЛЕ

ВНИМАНИЕ
Не зажимайте корпус стартера в тисках.
Отсоедините провод от клеммы "М" тягового реле.
СНЯТИЕ СТОПОРНОГО / ЗАМОЧНОГО КОЛЬЦА

1. С помощью длинной головки соответствующего размера сбейте замочное кольцо до упора в приводную шестерню.

2. С помощью специальных щипцов снимите стопорное кольцо, после этого снимите замочное кольцо и обгонную муфту.
ОЧИСТКА КОМПОНЕНТОВ СТАРТЕРА
Запрещается очищать с помощью растворителя: тяговое реле, щёткодержатель и якорь. При контакте с растворителем может произойти разрушение изоляции проводов.
Очистку этих компонентов следует производить с помощью чистой сухой тряпки.
1. Запрещается погружать детали привода стартера в растворитель. В этом случае пластичная смазка, которой заполняется обгонная муфта на заводе-изготовителе, будет вымыта из внутренних полостей.
Очистку этих компонентов также следует производить с помощью чистой сухой тряпки.
ЗАМЕЧАНИЕ ПО СБОРКЕ
УСТАНОВКА СТОПОРНОГО / ЗАМОЧНОГО КОЛЬЦА

Для посадки замочного кольца до упора в стопорное кольцо используйте подходящий захват.
ПРОВЕРКА КОМПОНЕНТОВ
КОЛЛЕКТОР

1. Установите якорь на две призмы и, вращая якорь, измерьте радиальное биение поверхности коллектора, не находившейся в контакте со щётками.
Номинальное значение:
Предельное допускаемое значение:
2. Измерьте диаметр коллектора.

Номинальное значение:
Предельное допускаемое значение:
3. Измерьте глубину поднутрения изоляции между ламелями коллектора.

Номинальное значение:
Предельное допускаемое значение:
ЩЁТКОДЕРЖАТЕЛЬ

Надавите на щётку. При этом должно ощущаться усилие щёточных пружин.
Если усилие щёточных пружин не ощущается, то следует заменить щёткодержатель.
ОБГОННАЯ МУФТА
1. Убедитесь в том, что шестерня легко вращается по часовой стрелке и не вращается в направлении против часовой стрелки.
2. Проверьте состояние приводной шестерни.
ЩЁТКИ

1. Проверьте состояние поверхностей щёток, контактирующих с коллектором. На этих поверхностях не должно быть заметных неровностей. Проверьте высоту каждой из щёток. Если высота щётки меньше установленного предела, то щёткодержатель следует заменить.
Предельное допускаемое значение:
2. Если производилась зачистка контактной поверхности щётки или замена щёткодержателя, то щётки следует притереть к коллектору, обёрнутому стеклянной абразивной шкуркой.
ЯКОРЬ

1. Проверьте наличие короткозамкнутых витков в обмотке якоря:
2. Установите якорь в дефектоскоп.
ВНИМАНИЕ
Предварительно не забудьте тщательно очистить поверхность якоря.
3. Медленно вращайте якорь, установив тонкую полоску стали параллельно его оси.
Якорь исправен, если стальная полоска не притягивается и не вибрирует во время вращения якоря.

4. Проверьте состояние изоляции между ламелями коллектора и сердечником якоря.
Замыкание обмоток якоря на корпус не допускается.
5. Проверьте сопротивление между пластинами коллектора, к которым подсоединяются выводы секций обмотки. Если цепь замкнута,то обрывов якорной обмотки нет.

ТЯГОВОЕ РЕЛЕ

1. Проверка обрыва обмотки реле
• Проверьте сопротивление между выводом "М" и корпусом тягового реле (точка "А").
• Если цепь разорвана, то следует заменить тяговое реле.
2. Проверка сопротивления между контактными болтами
• Проверьте сопротивление между выводами
"М" и "В" тягового реле.

• Если цепь окажется замкнутой, то следует заменить тяговое реле.
3. Проверка контактного диска реле
• Сильно надавите на якорь тягового реле (как показано на рисунке). При этом контактный диск должен замкнуть контакты реле.
Удерживая якорь реле, измерьте сопротивление между выводами "М" и "В" тягового реле.
• Если цепь разорвана, то следует заменить тяговое реле.