Общие сведения генератора Mitsubishi
Система электроснабжения служит для подзарядки аккумуляторной батареи на автомобиле.
ПРИНЦИП РАБОТЫ

При вращении катушки возбуждения, по которой пропускается электрический ток, в обмотках статора наводится переменное напряжение.
С помощью выпрямительных диодов переменное напряжение генератора выпрямляется.
График выпрямленного напряжения показан на рисунке.
Среднее значение выпрямленного напряжения незначительно изменяется в зависимости от нагрузки.
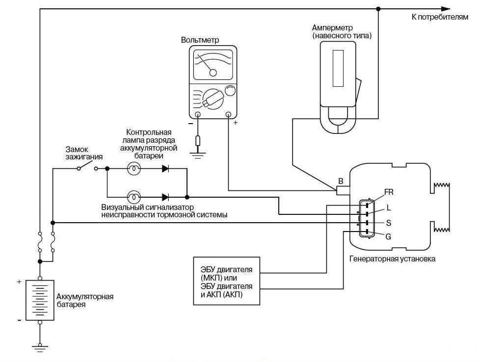
СХЕМА СИСТЕМЫ

При включении зажигания по обмотке возбуждения пропускается ток от аккумуляторной батареи, обеспечивая первоначальное возбуждение генератора.
После запуска двигателя возбуждение генератора обеспечивается за счёт напряжения, наводимого в обмотках статора.
Выходное напряжение генератора возрастает с увеличением тока обмотки возбуждения и уменьшается с уменьшением тока обмотки возбуждения.
В момент, когда напряжение аккумуляторной батареи (напряжение на выводе "S" генератора) достигнет значения приблизительно 14,4 В, ток обмотки возбуждения прекратится.
Как только напряжение аккумуляторной батареи понизится ниже регулируемого значения, регулятор напряжения снова замыкает цепь обмотки возбуждения.
Таким образом, за счёт регулирования тока обмотки возбуждения поддерживается постоянное напряжение бортовой сети.
Если ток обмотки возбуждения остаётся постоянным, то с увеличением частоты вращения двигателя напряжение генератора возрастает.
ОПЕРАЦИИ ТЕХНИЧЕСКОГО ОБСЛУЖИВАНИЯ, ВЫПОЛНЯЕМЫЕ НЕПОСРЕДСТВЕННО НА АВТОМОБИЛЕ
ПРОВЕРКА ПАДЕНИЯ НАПРЯЖЕНИЯ НА ПРОВОДЕ, СОЕДИНЯЮЩИМ ТОКОВЫЙ ВЫВОД ГЕНЕРАТОРА С АККУМУЛЯТОРНОЙ БАТАРЕЕЙ

Этот тест проводится для определения состояния соединительного провода между выводом "В" генератора и положительной клеммой аккумуляторной батареи (включая плавкую вставку).
1. Перед выполнением данного теста проверьте следующее:
- - Крепления генератора
- - Натяжение приводного ремня
- - Плавкую вставку
- - Наличие посторонних шумов, исходящих от генератора при работе двигателя
- 2. Поверните ключ замка зажигания в положение "LOCK" (ВЫКЛЮЧЕНО).
- 3. Отсоедините отрицательный провод от аккумуляторной батареи.
- 4. Подсоедините навесной амперметр постоянного тока с диапазоном измерений 0 - 120 А к проводу между выводом "В" генератора и аккумуляторной батареей.
- Подсоединение обычного амперметра в разрыв цепи возможно в том случае, если не нарушится электрический контакт между выводом "В" генератора и токовым проводом.
- 5. Подключите цифровой вольтметр между выводом "В" генератора и положительным выводом аккумуляторной батареи.
Подсоедините положительный измерительный провод вольтметра к выводу "B" генератора, а отрицательный измерительный провод к положительному выводу аккумуляторной батареи.
- 6. Подсоедините отрицательный провод к аккумуляторной батарее.
- 7. Подсоедините тахометр или диагностический прибор MUTKII/III.
- 8. Во время проведения теста капот автомобиля должен быть открыт.
- 9. Запустите двигатель.
- 10. При частоте вращения 2500 об/мин включите фары и прочие световые приборы. Добейтесь того, чтобы значение тока, измеряемое амперметром, составляло немногим более 30 А.
Плавно снижайте частоту вращения двигателя до тех пор, пока сила тока не окажется равной 30 А. Снимите показания вольтметра.
Предельное допускаемое значение: не более 0,3 В
Если значение тока отдачи генератора велико и не удаётся понизить его до 30 А, то установите значение тока 40 А. Снимите показания вольтметра. При токе 40 А предельное допускаемое значение падения напряжения составляет 0,4 В.
ПОКАЗАТЕЛИ ГЕНЕРАТОРНОЙ УСТАНОВКИ
|
Пункт |
4G1 |
4G6 |
|---|---|---|
|
Тип |
С опорным напряжением, снимаемым с аккумуляторной батареи |
|
|
Номинальный ток отдачи при указанном напряжении |
12/80 |
12/110
|
|
Регулятор напряжения |
Встроенный, интегральный |
|
ДАННЫЕ ДЛЯ КОНТРОЛЯ И РЕГУЛИРОВКИ
|
Пункт |
Номинальное значение |
Предельное допускаемое значение |
|
|---|---|---|---|
|
Падение напряжения на соединительном проводе (при силе тока 30 А), В |
- |
не более 0,3 |
|
|
Регулируемое напряжение В, при температуре окружающей среды
|
-20°C |
14,2 - 15,4 |
- |
|
20°C |
13,9 - 14,9 |
- |
|
|
60°C |
13,4 - 14,6 |
- |
|
|
80°C |
13,1 - 14,5 |
- |
|
|
Ток отдачи |
- |
не менее 70 % от номинального значения |
|
11. Если значение падения напряжения превышает указанные значения, то токовый провод генератора неисправен.
В этом случае необходимо проверить состояние токового провода генератора от вывода "В" до положительной клеммы аккумуляторной батареи (включая плавкую вставку).
Если наконечники провода не сильно затянуты или заметны следы оплавления изоляции, то следует произвести восстановительный ремонт и повторить проверку.
- 12. После проверки отпустите педаль акселератора.
- 13. Выключите все световые приборы. Выключите зажигание.
- 14. Отсоедините тахометр или диагностический прибор MUTKII/III.
- 15. Отсоедините отрицательный провод от аккумуляторной батареи.
- 16. Отсоедините амперметр и вольтметр.
- 17. Подсоедините отрицательный провод к аккумуляторной батарее.
ПРОВЕРКА ТОКА ОТДАЧИ ГЕНЕРАТОРА

Этот тест проводится для определения тока отдачи генератора.
1. Перед выполнением данного теста проверьте:
- - Крепления генератора
- - Аккумуляторную батарею
Аккумуляторная батарея должна быть немного разряжена. С полностью заряженной аккумуляторной батареей трудно обеспечить необходимую электрическую нагрузку.
- - Натяжение приводного ремня
- - Плавкую вставку
- - Наличие посторонних шумов, исходящих от генератора при работе двигателя.
- 2. Поверните ключ замка зажигания в положение "LOCK" (ВЫКЛЮЧЕНО).
- 3. Отсоедините отрицательный провод от аккумуляторной батареи.
Для подключения к электрической цепи не используйте зажимы - прищепки типа "крокодил". Для этого используйте имеющиеся резьбовые соединители.
В противном случае возможное ослабление соединителей - прищепок может привести к негативным последствиям из-за большого значения протекающего по цепи тока.
4. Подсоедините навесной амперметр постоянного тока с диапазоном измерений 0 - 120 А к проводу между выводом "В" генератора и аккумуляторной батареей.
Подсоединение обычного амперметра в разрыв цепи возможно в том случае, если не нарушится электрический контакт между выводом "В" генератора и токовым проводом.
- 5. Подсоедините вольтметр с пределом измерений 0 - 20 В между выводом "В" генератора и "массой" автомобиля (Подсоедините положительный провод вольтметра к выводу "В", а отрицательный провод - к "массе").
- 6. Подсоедините отрицательный провод к аккумуляторной батарее.
- 7. Подсоедините тахометр или диагностический прибор MUTKII/III
- 8. Во время проведения теста капот автомобиля должен быть открыт.
- 9. Вольтметр должен показывать напряжение аккумуляторной батареи.
NOTE: Если вольтметр показывает напряжение 0 В, то вероятной причиной этого может быть обрыв токового провода или плавкой вставки между выводом "В" генератора и положительной клеммой аккумуляторной батареи.
- 10. Включите фары и запустите двигатель.
- 11. Сразу после включения дальнего света фар и максимальной скорости вентилятора отопительной установки увеличьте частоту вращения двигателя до 2500 об/мин и снимите максимальные показания амперметра.
Предельное допускаемое значение: не менее 70 % от номинального значения
- Так как ток зарядки аккумуляторной батареи быстро снижается после запуска двигателя, то для определения максимальной силы тока отдачи генератора тест следует проводить максимально быстро.
- Значение тока отдачи генератора зависит от включённой электрической нагрузки и температуры генератора.
- Если во время теста не удалось создать достаточную электрическую нагрузку, то максимальное значение измеренной силы тока отдачи генератора может оказаться ниже приведённого значения даже при полностью исправном генераторе.
В таком случае попытайтесь немного разрядить аккумуляторную батарею, включив на некоторое время фары (при остановленном двигателе), или воспользуйтесь приборами освещения другого автомобиля в качестве нагрузки.
- Если температура самого генератора или окружающего воздуха достаточно высокая, то ток отдачи генератора также может оказаться меньше установленного значения. В этом случае охладите генератор и повторите тест.
- 12. Значение силы тока отдачи генератора должно быть выше предельно допускаемого значения.
Если ток отдачи генератора меньше предельно допускаемого значения, а токовый провод генератора исправен, то требуется снятие и разборка генератора для определения причины неисправности.
- 13. После проверки отпустите педаль акселератора.
- 14. Поверните ключ замка зажигания в положение "LOCK" (ВЫКЛЮЧЕНО).
- 15. Отсоедините тахометр или диагностический прибор MUTKII/III.
- 16. Отсоедините отрицательный провод от аккумуляторной батареи.
- 17. Отсоедините амперметр и вольтметр.
- 18. Подсоедините отрицательный провод к аккумуляторной батарее.
Проверка регулируемого напряжения

Этот тест предназначен для проверки регулятора напряжения.
- 1. Перед выполнением данного теста проверьте следующее.
- Крепления генератора
- Убедитесь в том, что аккумуляторная батарея, установленная на автомобиле, полностью заряжена.
- Натяжение приводного ремня
- Плавкую вставку
- Наличие посторонних шумов, исходящих от генератора при работе двигателя
- 2. Поверните ключ замка зажигания в положение "LOCK" (ВЫКЛЮЧЕНО).
- 3. Отсоедините отрицательный провод от аккумуляторной батареи.
- 4. С помощью жгута проводов для испытания генератора (MB991519) подсоедините цифровой вольтметр между выводом "S" генератора и "массой" автомобиля (Подсоедините положительный провод вольтметра к выводу "S", а отрицательный провод к точке, имеющей надёжное соединение с "массой" или к отрицательной клемме аккумуляторной батареи).
- 5. Подсоедините навесной амперметр постоянного тока с диапазоном измерений 0 - 120 А к проводу между выводом "В" генератора и аккумуляторной батареей.
NOTE: Подсоединение обычного амперметра в разрыв цепи возможно в том случае, если не нарушится электрический контакт между выводом "В" генератора и токовым проводом.
- 6. Подсоедините отрицательный провод к аккумуляторной батарее.
- 7. Подсоедините тахометр или диагностический прибор MUTKII/III
- 8. Поверните ключ замка зажигания в положение "ON" (ЗАЖИГАНИЕ). При этом вольтметр должен показывать напряжение аккумуляторной батареи.
Если вольтметр показывает напряжение 0 В, то вероятной причиной этого может быть обрыв соединительного провода или плавкой вставки между выводом "S" генератора и положительной клеммой аккумуляторной батареи.
- 9. Выключите все приборы освещения и прочие потребители электрического тока.
- 10. Запустите двигатель.
- 11. Увеличьте частоту вращения двигателя до 2500 об/мин.
- 12. Запишите показания вольтметра в момент, когда ток генератора окажется равным или меньше 10 А.
- 13. Если измеренное напряжение соответствует установленному диапазону, то регулятор напряжения исправен.
Если измеренное напряжение не соответствует установленному диапазону, то неисправен сам генератор или регулятор напряжения.
- 14. После проверки отпустите педаль акселератора.
- 15. Поверните ключ замка зажигания в положение "LOCK" (ВЫКЛЮЧЕНО).
- 16. Отсоедините тахометр или диагностический прибор MUTKII/III.
- 17. Отсоедините отрицательный провод от аккумуляторной батареи.
- 18. Отсоедините амперметр и вольтметр.
- 19. Подсоедините токовый провод генератора к выводу "В" генератора.
- 20. Отсоедините жгут проводов для испытания генератора, подсоедините все электрические разъёмы.
- 21. Подсоедините отрицательный провод к аккумуляторной батарее.
Регулируемое напряжение генератора
Номинальное значение:
|
Точка, в которой измеряется напряжение |
Температура окружающей среды °С |
Напряжение, В
|
|---|---|---|
|
Вывод "S" |
-20 |
14,2 - 15,4 |
|
20 |
13,9 - 14,9 |
|
|
60 |
13,4 - 14,6 |
|
|
80 |
13,1 - 14,5 |