Снятие теплообменника жидкостно-масляного (см. Рис. 1)

  • 1. Снять трубку подвода масла к турбокомпрессору (1) (650.1118220).
  • 2. Снять патрубок слива масла с турбокомпрессора (2) (650.1118340).
  • 3. Снять экран теплозащитный (3) (650.1012510).

Снятие и установка жидкостно-масляного теплообменника ЯМЗ-650

  • 4. Снять трубку подвода охлаждающей жидкости к компрессору воздушному (4) (650.3509228).
  • 5. Снять трубу, подводящую теплообменника жидкостно-масляного (5) (650.1303150).
  • 6. Снять теплообменник жидкостно-масляный (6) (650.1013600) в сборе с элементами фильтрующими масляными (650.1012075).

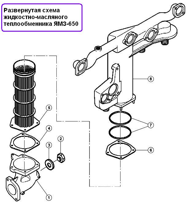
Разборка теплообменника жидкостно-масляного (см. Рис. 2)

Разборка теплообменника жидкостно-масляного ЯМЗ-650

  • 1. Снять патрубок (1).
  • 2. Отложить прокладку (4).
  • 3. Отвернуть заглушку (2).
  • 4. Отложить прокладку (3).
  • 5. Снять теплообменный элемент (5).
  • 6. Отложить прокладку (6).
  • 7. Снять кольцевые уплотнения (7).

Чистка теплообменника жидкостно-масляного

Масляный контур: использовать обезжиривающее средство. Водяной контур: использовать 5 - 6% водный раствор соляной кислоты.

Промывать в течение 30 мин. Промыть в 2 - 3% водном растворе бикарбоната натрия.

Энергично смыть водой. Просушить детали.

Сборка теплообменника жидкостно-масляного (см. Рис. 2)

  • 1. Поставить на место кольцевые уплотнения (7).
  • 2. Установить уплотнение (6).
  • 3. Установить теплообменный элемент (5).
  • 4. Поставить на место прокладку (3).
  • 5. Установить заглушку (2) и затянуть моментом Мкр = 40 ± 5 Нм.
  • 6. Поставить на место уплотнение (4).
  • 7. Установить патрубок (1) и затянуть рекомендуемым моментом.

Заглушка патрубка подвода охлаждающей жидкости к теплообменнику 40 ± 5 Нм

Сливная пробка охлаждающей жидкости на трубке теплообменника 40 ± 5 Нм

Пробка сливного отверстия масла на теплообменнике 20 ± 4 Нм

Контроль теплообменника жидкостно-масляного. (см. Рис. 3)

Контроль теплообменника жидкостно-масляного ЯМЗ-650

Установить приспособление 2548 + 5000040416. Проконтролировать герметичность при погружении в горячую воду (80˚ С) с давлением воздуха в 6 Бар и проверить отсутствие воздушных пузырьков

Приспособления для контроля теплообменника

Приспособления для контроля теплообменника ЯМЗ-650

Установка теплообменника жидкостно-масляного ЯМЗ-650

Установка теплообменника жидкостно-масляного

Для установки теплообменника необходимо:

Установить в канавки отверстий теплообменника кольца резиновые (см. Рис. 5):

  • - 5 колец (1) Ø 40мм (650.1013642)
  • - 1 кольцо (2) Ø 50,3 мм (650.1013638). Не допускается повторное использование резиновых колец.

Установить в резьбовые отверстия М8 (6, 7) (см. Рис. 7) две направляющие для установки теплообменника.

Установить теплообменник на направляющие.

Установка трубы подводящей теплообменника ЯМЗ-650

Установить в отверстия крепления теплообменника болты (1-5) и (8-11) и ввернуть их в блок от руки (болт (11) необходимо заворачивать с герметиком, как показано на Рис. 7).

Извлечь 2 направляющие и в освобожденные отверстия ввернуть болты (6, 7).

Завернуть болты:

  • - (1 - 6) М8х1,25-40,
  • - (7,8) М8х1,25-25,
  • - (9, 10) М8х1,25-40,
  • - (11) М8х1,25-60 окончательно, соблюдая порядок затяжки (см. Рис. 7), моментом Мкр = 20 ± 4 Нм.

Проверить через специальные прорези (3) (см. Рис. 5) наличие колец резиновых.

Установить экран теплозащитный на блок с левой стороны от элементов фильтра, вставить болты (12) М8х1,25-20 в отверстия экрана и ввернуть в блок от руки.

Завернуть болты окончательно моментом Мкр = 20 ± 4 Нм.

смазка ниппеля трубки подвода охлаждающей жидкости к турбокомпрессору.Снятие и установка жидкостно-масляного теплообменника ЯМЗ-650

Смазать отверстие теплообменника под трубку слива масла с турбокомпрессора и саму трубку в месте ее установки в теплообменник.

Установить до упора трубку слива масла с турбокомпрессора в сливное отверстие теплообменника.

Установить стопорную пластину крепления сливной трубки на теплообменнике.

Ввернуть болт в отверстие теплообменника и затянуть окончательно моментом Мкр = 20 ± 4 Нм.

Смазать моторным маслом обжимные кольца трубки отвода масла к турбокомпрессору.

Установить один конец трубки в штуцер турбокомпрессора и навернуть накидную гайку на штуцер.

Второй конец трубки установить в отверстие штуцера теплообменника и навернуть накидную гайку на штуцер.

Завернуть обе гайки окончательно моментом Мкр = 24 ± 4,8 Нм.

Установить трубу, подводящую теплообменника, (см. Рис. 6) наживить 2 болта (1) М8х1,25-16 крепления ее к водяному насосу и 2 болта (2) М8х1,25-45 к теплообменнику.

Затянуть болты окончательно моментом Мкр = 27 ± 5,4 Нм.

Установить трубку подвода охлаждающей жидкости между компрессором и теплообменником, смазав ниппели маслом (см. Рис. 8).

Навернуть накидные гайки ниппелей на штуцеры и затянуть окончательно моментом Мкр = 25 ± 5 Нм.