На автомобилях может быть установлена 4-канальная антиблокировочная система (АБС) тормозов типа 4S/4М (4 датчика /4 модулятора) с микропроцессорным блоком управление ф. Wabco (Германия) или БПО «Экран» (Беларусь)

Основное назначение системы — автоматическое поддержание оптимального торможения автомобиля без блокировки (юза) колес независимо от того, на какой дороге происходит торможение — скользкой или сухой.

Благодаря этому автомобили приобретают ряд достоинств:

  • - повышение активной безопасности за счет обеспечения устойчивости и управляемости в процессе торможения и повышение тормозной эффективности автомобиля, особенно на мокрых и скользких дорогах;
  • - продление срока службы шин;
  • - возможность увеличения средней безопасной скорости движения.

Кроме того, примененная конструкция АБС ф. Wabco может обеспечивать режим ограничения скорости, а АБС БПО «ЭКРАН» обеспечивает хранение и выдачу информации об эффективности (среднем замедлении) последнего торможения автомобиля и предаварийных режимах работы системы за последние 40 сек.

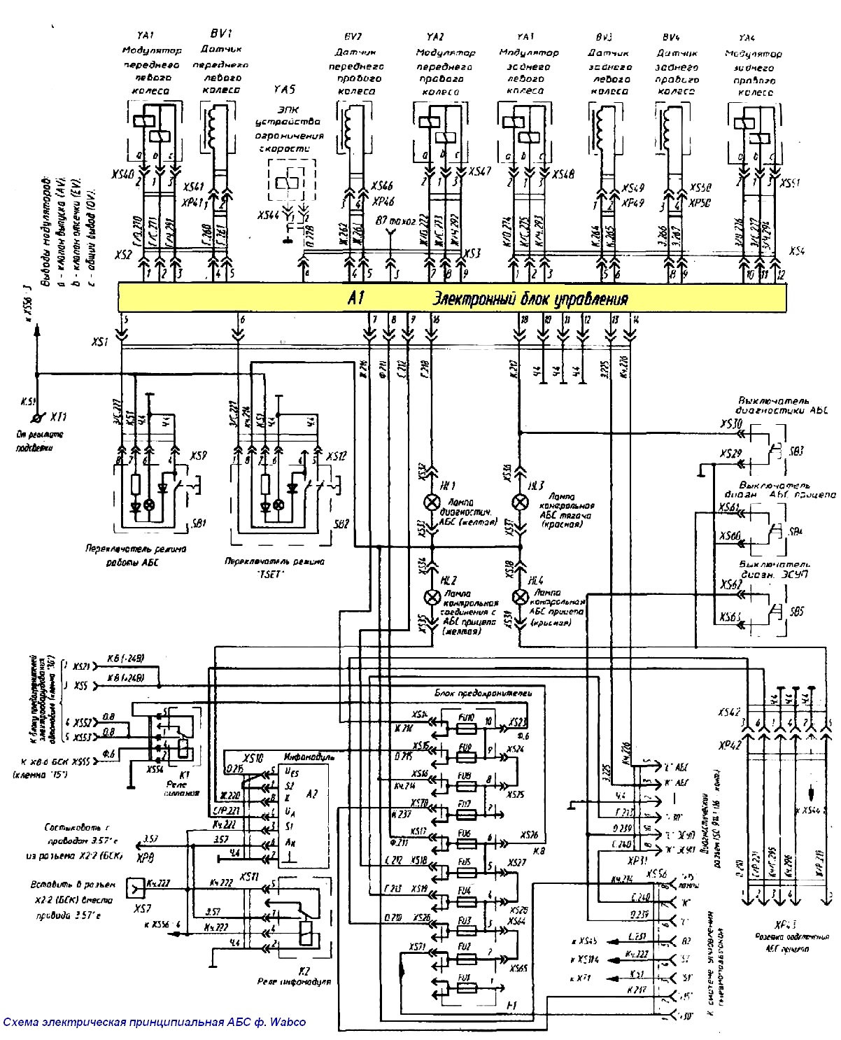
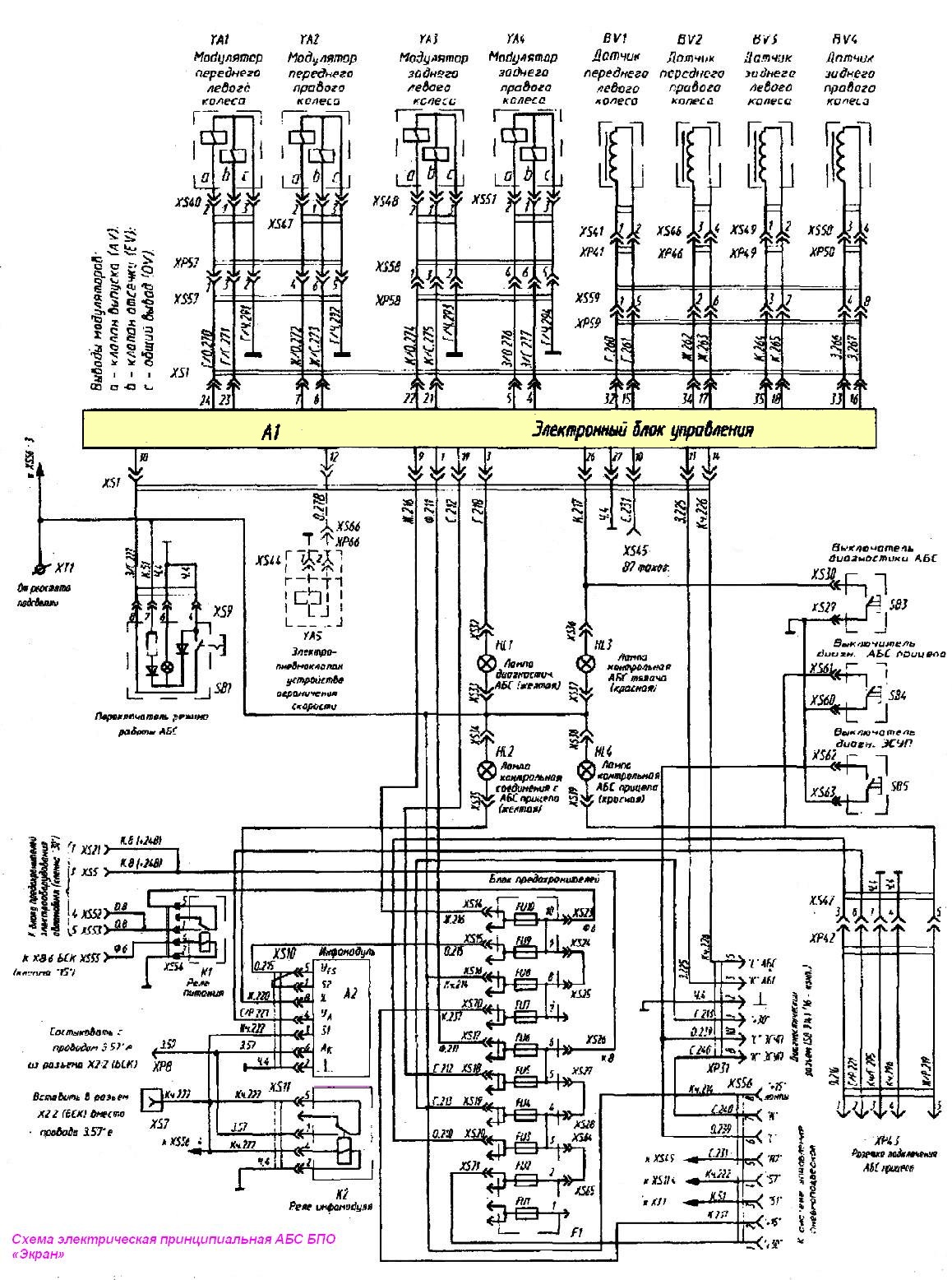
Расположение элементов АБС на 2-осном автомобиле с малой кабиной: 1 - датчики частоты вращения колес; 2 - электропневмомодуляторы тормозного давления; 3 - микропроцессорный блок управления; 4 - монтажная плата; 5 - коммутационные реле; 6 - блок предохранителей; 7 - инфомодуль; 8 - контрольные лампы; 9 - переключатель режимов работы АБС; 10 - розетка питания АБС прицепа; 11 - диагностический разъем

Расположение элементов АБС на 2-осном автомобиле с большой кабиной: 1 - датчики частоты вращения колес; 2 - электропневмомодуляторы тормозного давления; 3 - микропроцессорный блок управления; 4 - плата монтажная; 5 - коммутационные реле; 6 - блок предохранителей; 7 - инфомодуль; 8 - контрольные лампы; 9 - переключатель режимов работы АБС; 10 - розетка питания АБС прицепа; 11 - диагностический разъем

Расположение элементов системы на шасси автомобиля показано на рис. 1.

Система содержит индуктивные датчики 1 частоты вращения колес, электропневматические модуляторы 2 тормозного давления, установленные в тормозных магистралях перед тормозными камерами задних и передних колес, электронный блок 3, закрепленный на коммутационной плате 4, установленной под спальным местом за сидением пассажира, реле 5 и блок 6 предохранителей.

Диагностический разъем 11 и кнопки 12 и13 вызова режима диагностики АБС автомобиля-тягача и прицепа, расположены под правой крышкой панели приборов (рис. 2).

Расположение контрольных ламп и элементов АБС на панели приборов: 1 - контрольная лампа АБС тягача; 2 - контрольная лампа АБС прицепа; 3 - контрольная лампа цепи питания АБС прицепа; 4 - контрольная лампа режима ПБС и диагностики АБС/ПБС; 5 - переключатель режимов работы АБС; 6 - выключатель режима «TEMPOSET» (только для автомобилей, оснащенных устройством ограничения скорости); 7 - выключатель режима ПБС (только для автомобилей с установленной ПБС); 11 - диагностический разъем ISO 9141; 12 - кнопка диагностики АБС автомобиля; 13 - кнопка диагностики АБС прицепа

Контрольные лампы 1, 2, 3 и 4 и переключатели 5, 6 режимов работы АБС установлены на основном и дополнительном щитке панели приборов (рис. 3).

Контрольные лампы 1 и 2 (красного цвета) с символом ABS сигнализируют об исправности/неисправности АБС тягача или прицепа, лампа 4 (ASR/INF) — служит средством вывода информации о пробуксовке колес, а также вида и места неисправности в системе в режиме диагностики.

При установке АБС БПО «Экран» на указанную лампу обеспечивается также вывод информации об эффективности торможения.

Переключатель 5 предназначен для переключения АБС в специальный режим работы при торможении автомобиля в горной местности (например, при спуске с горы) на дороге покрытой гравием или рыхлым снегом.

Переключатель 6 используется при включении режима «Temposet» (ограничения скорости).

На задней балке опоры кабины расположена розетка для подключения кабеля питания АБС прицепа и парковочная розетка (рис. 1).

Расположение элементов АБС и электронного блока «Экран» на коммутационной плате

Расположение элементов и электронных блоков АБС на коммутационной плате показано на рис. 4 и 5

Схема электрическая соединений элементов АБС БПО «Экран» и АБС ф. Wabco показана соответственно на рис. 6 и 7.

Расположение элементов АБС и электронного блока ф. Wabco на коммутационной плате
Схема электрическая принципиальная АБС БПО «Экран»
Схема электрическая принципиальная АБС ф. Wabco

Работа системы

При включении питания (при повороте ключа замка включения стартера в положение «приборы» включаются контрольные лампы с символом ABS ASR/INF (рис. 2) и происходит тест-контроль электронного блока и электрических цепей датчиков, модуляторов и устройств коммутации.

При исправной системе лампа ASR/INF гаснет через 2—3 секунды после включения питания, а лампа с символом ABS тягача гаснет при начале движения, когда автомобиль достигает скорости 5—7 км/ч.

При возникновении неисправности в системе или электрических цепях одного из элементов (датчиков, модуляторов и т. д.) или контуров управления загорается красная контрольная лампа с символом ABS.

При этом отключается питание соответствующих контуров (модуляторов) и тормозная система или нерегулируемый АБС контур тормозной системы работает как обычно (от тормозного крана),

Система не требует специального обслуживания, кроме контрольной проверки функционирования и проверки установки датчиков АБС при регулировке или замене подшипников в колесных узлах или смене тормозных накладок (если при этом производилось снятие ступиц).

Установка датчика АБС в колесном узле передней оси: 

1 – ступица колеса; 2 – ротор; 3 – поворотный кулак; 4 – статор датчика; 5 – втулка зажимная

Для нормальной работы АБС зазор (см. рис. 7 и 8) между статором и ротором датчика не должен превышать 1,3 мм.

Установка датчика АБС в колесном узле заднего моста: 

1 – ступица колеса; 2 – ротор; 3 – кронштейн датчика; 4 – суппорт тормоза; 5 – отверстие в суппорте; 6 – заглушка; 7 – статор датчика; 8 – втулка зажимная

Для нормальной работы АБС зазор между статором и ротором датчика не должен превышать 1,3 мм

Для установки минимального рабочего зазора между статором и ротором необходимо, статор датчика, воздействуя на его торец усилием 120-140 Н (12 - 44 кгс) или легким постукиванием неметаллическим предметом (в колесном узле заднего моста через специальное отверстие в суппорте и заглушку в щите тормоза), переместить в зажимной втулке в осевом направлении до упора в венец ротора, и провернуть ступицу колеса на 2-3 оборота.

Если красная лампа с символом ABS не гаснет при скорости движения выше 7—10 км/ч, следует проверить установку датчиков в колесных узлах, провести диагностику системы по световым мигающим кодам, повторную контрольную проверку системы с анализом возможных неисправностей по таблице или обратиться на сервисную станцию для устранения неисправности.

Контрольная проверка системы

Контрольная проверка состоит из трех этапов: предварительная проверка, проверка режимов работы и проверка режима диагностики.

1. Предварительная проверка

  • 1.1. Внешним осмотром убедиться в надежности подключения устройств кабелей, разъемов электронного блока управления, модуляторов, датчиков, а также реле и предохранителей и контрольных ламп АБС.
  • 1.2. Включить кнопку дистанционного выключателя «массы». Включить замок включения стартера в положение «приборы». При этом загораются контрольные лампы с символами ABS и ASR/INF и должны кратковременно сработать (определяется на слух) пилотные клапаны модуляторов.

При исправной электрической части системы контрольная лампа ASR/INF должна погаснуть через 2—3 сек.

  • 1.3. Запустить двигатель и довести давление в контурах до нормы (6,9—8,2 кг/см2). Нажать педаль тормоза. При этом должны срабатывать тормозные механизмы, не должно быть утечек воздуха из системы.
  • 1.4. Начать движение. При скорости выше 7 км/ч красная контрольная лампа с символом ABS тягача должна погаснуть (если автомобиль сцеплен с прицепом, должна погаснуть также контрольная лампа с символом ABS прицепа).

2. Проверка режимов работы АБС

2.1. Основной режим

Проверка основного режима работы АБС производится при переключателе 5 (рис. 2), находящемся в исходном (не нажатом) состоянии. При этом необходимо разогнать автомобиль до скорости 35—45 км/ч и произвести резкое торможение на покрытии с высоким (асфальт) и низким коэффициентом сцепления (мокрый асфальтобетон, снег, лед).

Колеса при этом не должны блокироваться (допускается лишь кратковременная блокировка при скорости ниже 15 км/ч), автомобиль должен замедляться с предписанной эффективностью (на сухом асфальте i = 5 м/с2) и должен быть слышен характерный звук работы модуляторов тормозного давления в режиме циклического сброса сжатого воздуха из тормозных камер.

Контрольная лампа 1 с символом ABS должна загораться при повторном включении замка включения стартера в положение «приборы».

Проверка специального режима

Проверка специального режима работы АБС производится аналогично при включенном (нажатом) состоянии переключателя 5 (рис. 2).

При этом красная контрольная лампа 1 должна работать в мигающем режиме, а система АБС в режиме более низкой частотой.

Проверка режима ограничения скорости «Temposet».

Режим активизируется при скорости автомобиля не менее 25 км/ч. для этого необходимо при достижении заданной скорости нажать выключатель 6 (рис. 2) с символом «TSET». При этом должна загореться лампа символом ASR/INF.

При скорости движения ниже скорости, при которой был включен режим «Temposet», лампа ASR/INF не горит.

Проверка режима диагностики

Проверка работы системы в режиме диагностики производится в три этапа:

  • 3.1. При включении замка включения стартера из выключенного состояния в положение «приборы». При этом загорается красная контрольная лампа с символом ABS, должны сработать (кратковременно) электромагнитные пилотные клапаны модуляторов (определяется на слух).
  • 3.2. При начале движения. При скорости автомобиля выше 7—10 км/ч красная контрольная лампа с символом ABS должна погаснуть.
  • 3.3. При нажатии на диагностическую кнопку 12 (рис. 2), лампа с символом ASR/INF должна выдать световой мигающий код, как описано ниже.

Внимание:

  • 1. Специальный режим работы АБС включается только на время проверки либо движения в горной местности. После чего указанный режим (переключатель 3) должен быть выключен.
  • 2. При проведении ремонта и устранении неисправностей необходимо заглушить двигатель и отключить питание системы.

Питание системы отключается при повороте ключа замка включения стартера и приборов в положение «выключено» и выключения выключателя «массы».

Для временного отключения АБС, например, при проверке одновременности срабатывания колесных тормозов и эффективности «юзового» торможения, производится извлечение предохранителя FU10 из гнезда в блоке предохранителей (рис. 3, 4).

3. Категорически запрещается проводить сварочные работы на автомобиле при установленном электронном блоке. В этом случае электронный блок необходимо отключить и снять с автомобиля.

При возникновении трудностей по определению неисправности производится проверка предохранителей (рис. 3 и 4), контрольная диагностика системы по световым мигающим кодам либо комплексная проверка специальным диагностическим тестером.

Возможные неисправности системы АБС и способы устранения

Признаки неисправностей

- Возможная причина

Способ устранения

При повороте ключа зажигания «приборы» не загораются контрольные лампы с символами «ABS» или «ASR/INF»

- Отсутствует или понижено напряжение сети автомобиля, отсутствует напряжение блока управления

Проверить напряжение сети. Проверить предохранители питания «ABS/ASR»

- Неисправность контрольных ламп или проводки

Заменить неисправную лампу, проверить проводку

- Неисправность блока управления

Заменить блок управления

При повороте ключа зажигания в положение «приборы» контрольные лампы «ABS» и «ASR/INF» загораются и не гаснут

- Обрыв или короткое замыкание в цепях кабелей или разъемов датчиков, модуляторов или электропневмоклапанов ПБС

Проверить тестером цепи датчиков, модуляторов и электропневмоклапанов ПБС, устранить неисправность

При движении со скоростью более 7км/ч красная контрольная лампа с символом «ABS» тягача или прицепа не гаснет

- Увеличен зазор между статором датчика и ротором

Проверить тестером напряжение выходного сигнала датчиков, отрегулировать зазор

- Неисправность катушки датчика, нарушен контакт в разъеме соединения датчика с кабелем, обрыв кабеля

Проверить активное сопротивление датчиков и кабелей, восстановить контакт, заменить датчик.

- Неисправность катушки электромагнитных клапанов модулятора, нарушен контакт в разъеме, неисправность кабеля

Проверить состояние катушек, кабеля и разъема.

- Нарушение контакта в коммутационных колодках

Восстановить контакт

- Неисправность проводки или неисправность БУ

Проверить реле и проводку. Заменить неисправные элементы.

После достижения скорости 5—7км/ч контрольная лампа с символом «ABS»  гаснет и начинает мигать е частотой 0,5 Гц

- Переключатель режимов работы АБС находится в состоянии «замкнут» или замыкание контакта переключателя на «массу»

Проверить переключатель.

Устранить замыкание.

При торможении зажигается красная контрольная лампа с символом «ABS», АБС работает с перебоями

- Нарушение контакта в колодке коммутационной платы, нарушено крепление блока управления

Восстановить контакт, закрепить блок управления

- Нарушено крепление или увеличен воздушный зазор одного из датчиков колес

Проверить крепление датчиков, восстановить воздушный зазор

При торможении АБС срабатывает, но происходит блокировка одного из колес

- Нарушение смазки и заедание разжимного кулака или роликов колодок тормоза

Разобрать колесный узел, устранить неисправность, восстановить смазку.

- Ослабла или поломана стяжная пружина колодок тормоза

Заменить пружину

- Неправильное подключение датчиков и модуляторов

Проверить соответствие подключения датчиков и модуляторов

При нажатой тормозной педали происходит стравливание воздуха из атмосферного вывода модулятора

- Нарушена герметизация выпускного диафрагменного клапана модулятора за счет попадания инородного тела между седлом клапана и диафрагмой

Заменить или разобрать модулятор и устранить неисправность с последующей проверкой его герметичности.

При нажатии тормозной педали загорается лампа желтого цвета с символом «ABS» прицепа

- Нарушено соединение в разъеме питания АБС прицепа, не подключен или оборван кабель питания АБС прицепа, неисправен или отсутствует электронный блок АБС прицепа (прицеп не оснащен АБС)

Проверить разъемы и предохранители, подключить исправный кабель и проверить цепь питания, контрольные лампы и блок АБС прицепа