В трансмиссию автомобиля Лада 21902 входят автоматическая коробка передач, оснащенная гидротрансформатором и приводом передних колес

На автомобиль устанавливается четырехступенчатая АКП JATCO AY-K3, выполненная по двухвальной схеме и объединенная с дифференциалом и главной передачей.

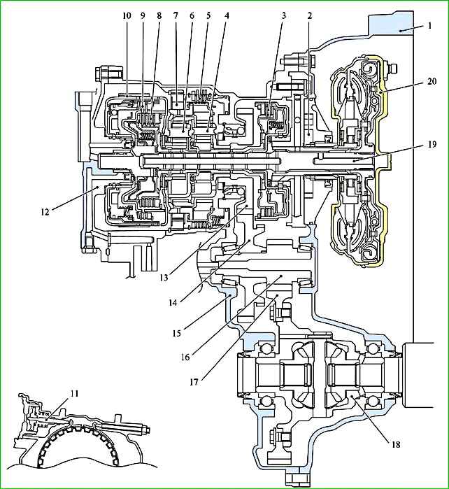
Расположение деталей на АКП: 1 - переключатель диапазонов (режимов) коробки передач; 2 - разъем АКП; 3 - блок клапанов управления; 4 - датчик числа оборотов вторичного вала (датчик скорости автомобиля); 5 - гидротрансформатор

На АКП установлен трехэлементный, одноступенчатый, двухфазный гидротрансформатор.

Гидротрансформатор имеет блокировочную муфту, которая исключает расхождение между оборотами двигателя и первичного вала.

Режим блокировки гидротрансформатора предусмотрен при движении на третьей и четвертой передаче, рычаг в положении «D».

Контроллер управления АКП

Контроллер управления АКП расположен на левом брызговике.

Расположение контроллера АКП

Управление осуществляется по сигналам, поступающим от датчиков, переключателей и иных контрольных устройств.

Вид АКП в разрезе: 1 - картер гидротрансформатора; 2 - масляный насос; 3 - муфта включения понижающей передачи; 4 - планетарная передача заднего хода; 5 - тормоз понижающей передачи и передачи заднего хода; 6 - планетарная передача переднего хода; 7 - обгонная муфта понижающей передачи; 8 - муфта включения понижающей передачи; 9 - муфта включения заднего хода; 10 - лента тормоза второй и четвертой передачи (тормозная лента); 11 - приводной поршень ленточного тормоза; 12 - задняя крышка; 13 - вторичная шестерня; 14 - промежуточная шестерня; 15 - картер коробки передач; 16 - ведущая шестерня понижающей передачи; 17 - главная передача; 18 - дифференциал; 19 - первичный вал; 20 - гидротрансформатор

Гидротрансформатор

Гидротрансформатор преобразует крутящий момент от двигателя и передает его на первичный вал коробки передач.

Масляный насос

Масляный насос приводится в действие от двигателя и передает его на первичный вал коробки передач

Блок клапанов управления состоит из следующих деталей:

  • - датчик температуры трансмиссионной жидкости;
  • - датчик числа оборотов первичного вала;
  • - электромагнитный клапан муфты включения понижающей передачи;
  • - электромагнитный клапан тормоза 2-4 передачи;
  • - электромагнитный клапан переключения передач;
  • - электромагнитный клапан муфты включения повышающей передачи / тормоза понижающей передачи и передачи заднего хода;
  • - электромагнитный клапан блокировочной муфты гидротрансформатора;
  • - электромагнитный клапан регулирования давления в магистрали;
  • - модуль ПЗУ в сборе (EEPROM).

Модуль ПЗУ в сборе (МПЗУ)

Модуль ПЗУ в сборе расположен в блоке клапанов управления.

В модуле ПЗУ хранятся калибровочные данные (индивидуальные значения) каждого линейного электромагнитного клапана.

При получении калибровочных данных контроллер управления АКП проводит точное гидравлическое регулирование.

Переключатель диапазонов коробки передач

Переключатель диапазонов коробки передач расположен в верхней части картера коробки передач.

Переключатель диапазонов коробки передач определяет положение рычага выбора передач.

Датчик числа оборотов первичного вала

Датчик числа оборотов первичного вала расположен в блоке клапанов управления.

Датчик числа оборотов первичного вала определяет скорость вращения первичного вала.

Датчик генерирует импульсные сигналы включения-выключения в соответствии с частотой вращения ротора.

Контроллер управления АКП оценивает частоту вращения по импульсному сигналу.

Датчик числа оборотов вторичного вала (датчик скорости автомобиля)

Датчик числа оборотов вторичного вала установлен в верхней части картера коробки передач.

Датчик числа оборотов вторичного вала определяет скорость вращения вторичного вала по числу оборотов промежуточной шестерни.

Датчик генерирует импульсные сигналы включения-выключения в соответствии с частотой вращения ротора промежуточной шестерни.

Контроллер управления АКП оценивает частоту вращения по импульсному сигналу.

Контроллер управления АКП определяет скорость движения автомобиля по сигналу датчика числа оборотов вторичного вала.

Датчик температуры трансмиссионной жидкости (ДТТЖ)

Датчик температуры трансмиссионной жидкости расположен в блоке клапанов управления.

Датчик температуры трансмиссионной жидкости определяет температуру трансмиссионной жидкости в поддоне картера.

В качестве датчика температуры трансмиссионной жидкости применяется термистор.

Выходное напряжение сигнала термистора зависит от температуры трансмиссионной жидкости.

Контроллер управления АКП определяет температуру трансмиссионной жидкости по напряжению сигнала ДТТЖ.

Электромагнитный клапан муфты включения понижающей передачи

Электромагнитный клапан муфты включения понижающей передачи расположен в блоке клапанов управления.

Электромагнитный клапан муфты включения понижающей передачи контролирует давление в муфте включения понижающей передачи.

В качестве электромагнитного клапана муфты включения понижающей передачи используется линейный электромагнитный клапан нормально открытого типа.

Линейный электромагнитный клапан использует принцип, согласно которому усилие прижима сердечника соленоида изменяется прямо пропорционально электрическому току.

Клапан нормально открытого типа создаёт высокое давление жидкости на исполнительном механизме, если питание на клапан не подается.

Электромагнитный клапан тормоза 2-4 передачи

Электромагнитный клапан тормоза 2-4 передачи установлен в блоке клапанов управления.

Электромагнитный клапан тормоза 2-4 передачи контролирует давление тормозной ленты 2-4 передачи.

В качестве электромагнитного клапана тормоза 2-4 передачи используется линейный электромагнитный клапан нормально закрытого типа.

Линейный электромагнитный клапан использует принцип, согласно которому усилие прижима сердечника соленоида изменяется прямо пропорционально электрическому току.

Клапан нормально закрытого типа создаёт высокое давление жидкости на исполнительном механизме, если питание на клапан подается.

Электромагнитный клапан включения-выключения

Электромагнитный клапан включения-выключения расположен в блоке клапанов управления.

Электромагнитный клапан включения-выключения приводит в действие клапан переключения, переключающий поток масла, подаваемый на тормоз понижающей передачи и передачи заднего хода и муфту включения повышающей передачи.

В качестве электромагнитного клапана включения-выключения используется электромагнитный клапан нормально закрытого типа.

Электромагнитный клапан муфты включения повышающей передачи и тормоза понижающей передачи и передачи заднего хода

Электромагнитный клапан муфты включения повышающей передачи и тормоза понижающей передачи и передачи заднего хода расположен в блоке клапанов управления.

Электромагнитный клапан муфты включения повышающей передачи и тормоза понижающей передачи и передачи заднего хода осуществляет регулирование давления в муфте включения повышающих передач и тормоза понижающих передач и передачи заднего хода.

В качестве электромагнитного клапана муфты включения повышающей передачи и тормоза понижающей передачи и передачи заднего хода используется линейный электромагнитный клапан нормально открытого типа.

Электромагнитный клапан блокировочной муфты гидротрансформатора

Электромагнитный клапан блокировочной муфты гидротрансформатора расположен в блоке клапанов управления.

Электромагнитный клапан блокировочной муфты гидротрансформатора осуществляет управление клапаном управления блокировочной муфтой гидротрансформатора.

В качестве электромагнитного клапана блокировочной муфты гидротрансформатора используется линейный электромагнитный клапан нормально закрытого типа.

Электромагнитный клапан регулирования давления в магистрали

Электромагнитный клапан регулирования давления в магистрали расположен в блоке клапанов управления.

Электромагнитный клапан регулирования давления в магистрали осуществляет управление функционированием клапана регулирования давления в магистрали.

В качестве электромагнитного клапана регулирования давления в магистрали используется линейный электромагнитный клапан нормально открытого типа.

Технические характеристики АКП 21902-1700010

Двигатель - ВАЗ-21126

Гидротрансформатор - трехэлементный, одноступенчатый, двухфазный;

Коэффициент трансформации крутящего момента при неподвижном колесе турбины - 1,91;

Позиции рычага выбора передач:

  • R - задний ход;
  • N - нейтральное положение (возможен запуск двигателя);
  • D - движение вперед: 1↔2↔3↔4;
  • 2 - 1↔2←3←4;
  • 1 - 1←2

Передаточное отношение:

  • 1GR - 2,861;
  • 2GR - 1,562;
  • 3GR - 1,000;
  • 4GR - 0,697;
  • заднего хода - 2,310

Передаточное число главной передачи - 4,081;

Система управления - электрическая;

Функция:

  • Регулирование смещения - оснащён;
  • Регулирование давления в линии - оснащён;
  • Управление переключением передач - оснащен;
  • Управление блокировкой - оснащен;
  • Самодиагностика - оснащен;
  • Сохранение работоспособности при отказе отдельных элементов - оснащен

Масляный насос шестеренчатый с внутренним зацеплением "parachoid", привод от двигателя

Трансмиссионная жидкость - NISSAN ATF MAT1C-S (количество 5,1 литра, контролируется с помощью указателя уровня)