Влагоотделитель предназначен для выделения кон­денсата из сжатого воздуха и его автоматического удаления из питающей части привода тормозов

Устройство влагоотделителя показано на рисунке

Влагоотделитель: 1 - радиатор с ребристыми трубками; 2 - корпус; 3 - винт пустотелый; 4 - аппарат направляющий; 5 - фильтр; 6 - мембрана; 7 - крышка; 8 - клапан слива конденсата; I - к регулятору давления; II - от компрессора; III - в атмосферу

Сжатый воздух от компрессора через подвод II подается в оребренную алюминиевую трубку-охладитель (радиатор) I, где постоянно охлаждается потоком встречного воздуха.

Затем воздух проходит по центробежным направляющим дискам на­правляющею аппарата 4 через отверстие пустотело­го винта 3 в корпусе 2 к выводу I и далее в пнев­матический тормозной привод.

Выделявшаяся за счет термодинамического эффекта влага, стекая че­рез фильтр 5, скапливается в нижней крышке 7.

При срабатывании регулятора давление во влагоотделителе падает, при этом мембрана 6 перемещается вверх.

Клапан 8 слива конденсата открывается, ско­пившаяся смесь воды, и масла через вывод III удаля­ется в атмосферу.

Направление потока сжатого воздуха показано стрелками на корпусе 2.

Замена водоотделителя

Водоотделитель заменяем при следующих неисправностях:

  • - нарушение герметичности, внешним признаком является непрекращающаяся утечка воздуха в местах разъема корпуса с крышкой;
  • - неустраняемая утечка воздуха через атмосферный вывод в режиме заполнения;
  • - трещины, механические повреждения корпуса водоотделителя, нарушающие его работу

Для выполнения задания потребуются инструменты: ключи 13х17, 22х24, 24х27

Снятие водоотделителя

Поднимаем переднюю панель кабины

Ключом на 22 откручиваем накидные гайки трубопроводов

Ключом на 27 выкручиваем штуцеры с прокладками

С помощью ключей на 17 и 13 выкручиваем четыре болта крепления кронштейна к водоотделителю

Установка водоотделителя

Устанавливаем водоотделитель на кронштейны, ввернув четыре болта

Устанавливаем прокладки и вкручиваем штуцеры

Подсоединяем трубопроводы, завернув накидные гайки

Разборка и сборка водоотделителя

Для работы нужны инструменты: тиски, ключи на 10, 13, отвертка, пассатижи, посуда для промывки и смазки

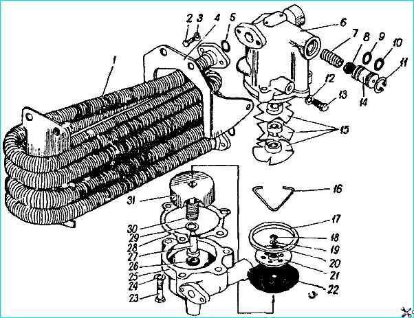
Влагоотделитель пневмотормозов: 1 - труба оребрения; 2, 13, 23 - болты; 3, 12, 24 - шайбы пружинные; 4 - кронштейн; 5, 20, 29 - кольца уплотнительные; 6 - корпус; 7, 30 - пружины; 8 - клапан в сборе; 9, 10 - кольца уплотнительные поршня; 11 - кольца стопорные; 14, 31 - поршни; 15 - диски направляющие; 16 - стопор; 17 - кольцо упорное; 18 - кольцо стопорное; 19 - шайба; 21 - диск мембранный; 22 - мембрана; 25 - крышка; 26 - клапан; 27 - золотник клапана; 28 - уплотнитель

Разборка водоотделителя

Ключом на 13 выкручиваем болты 13 и отсоединяем кронштейн 4 от водоотделителя

Выкручиваем с помощью ключа на 10 болты 2, отсоединяем трубу 1 от водоотделителя и вынимаем кольцо 5

Ключом на 13 выкручиваем болты 23 и отсоединяем крышку 25 от корпуса 6, снимаем уплотнитель 28 и упорное кольцо 17

Вынимаем из крышки поршень 31 в сборе и разбираем его: снимаем стопорное кольцо 18, шайбу 19, диск 21, мембрану 22, пружину 30, уплотнительное кольцо 29, золотник 27.

Снимаем с золотника клапан 26, а из диска 21 извлекаем кольцо 20

Вынимаем стопорное кольцо 11, клапан 8, поршень 14 с уплотнительными кольцами 9, 10, пружину 7

Из корпуса 6 вынимаем стопор 16, направляющие диски 15

Промываем детали водоотделителя в дизельном топливе и обдуваем сжатым воздухом

Сборка водоотделителя

В корпус 6 устанавливаем направляющие диски 15 и закрепляем их стопором 16

Устанавливаем в вывод корпус 6 к регулятору давления, пружину 7, клапан 8, поршень 14 с уплотнительными кольцами 9, 10 и закрепляем и стопорным кольцом 11

Примечание: перед установкой смазываем рабочую поверхность поршня 14 смазкой Циатим-221

На золотник 27 устанавливаем клапан 26, кольцо 29, пружину 30, поршень 31.

На поршень устанавливаем мембрану 22, мембранный диск 21 с кольцом 20, шайбу 19 и стопорное кольцо 18

Устанавливаем в крышку 25 поршень в сборе, упорное кольцо 18 и уплотнение

Соединяем корпус 6 и крышку 25, закрутив болты 23

Подсоединяем трубу 1 к водоотделителю, установив кольцо 5 и ввернув болты 2

Присоединяем кронштейн 4 к водоотделителю, ввернув болты 13