Техническое обслуживание мостов автомобиля Камаз

Основны­ми операциями технического обслужива­ния мостов являются проверка герметич­ности соединений, смазка редукторов и регулирование подшипников и зацепления шестерен.

При техническом обслуживании про­веряют уровень и при необходимости до­бавляют масло в картер ведущего моста. Уровень масла проверяют по контрольному отверстию.

В случае необходимости долив­ка масла может производиться через то же отверстие.

Отработавшее масло сливают после предварительного прогрева главной передачи через сливные отверстия в карте­ре моста.

Перед заливкой свежего масла необходимо промыть сапуны и очистить магниты пробок сливных отверстий от ме­таллических отложений.

Подшипники ведущей шестерни глав­ной передачи с целью уменьшения их осе­вого перемещения устанавливают при сборке с предварительным натягом, что позволяет сохранить правильность зацеп­ления зубьев конических шестерен под на­грузкой и увеличивает срок службы дета­лей главной передачи.

К точности регулирования подшипни­ков с предварительным натягом предъя­вляются высокие требования. Эти работы должны выполняться специалистами до­статочно высокой квалификации.

Правиль­ность регулирования подшипников опре­деляется величиной момента, который дол­жен быть приложен к валам, установлен­ным на подшипниках для их проворачива­ния.

Момент проворачивания можно опре­делять при отсутствии специальных дина­мометрических ключей с помощью пружин­ного безмена, который присоединяют к проверяемому валу на плече определен­ного радиуса.

В главных передачах предусмотрена также возможность регулирования зацеп­ления конических шестерен.

Однако надо иметь в виду, что регулирование работаю­щей пары в процессе эксплуатации произ­водить нецелесообразно.

Оно проводится при замене изношенной пары.

Регулирование подшипников и зацепления конических шестерен выполняют на снятой с автомо­биля главной передаче.

Предварительный натяг подшипников регулируют подбором толщины пакета двух регулировочных шайб, расположен­ных между внутренними обоймами каждой пары подшипников, на которых вращаются конические шестерни.

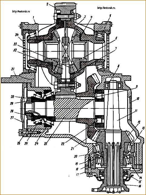
Главная передача и дифференциал переднего ведущего моста автомобилей с колесной формулой 6х6: 1 - крышка подшипника; 2 - ведомая цилиндрическая шестерня; 3 - корпус дифференциала; 4 - опорная шайба полуосевой шестерни; 5, 13, 14, 24, 25 - конические роликовые подшипники; 6 - полуосевая шестерня; 7 - опорная шайба сателлита; 8, 22 - цилиндрические роликоподшипники; 9 - шпонки; 10 - заглушки; 11 - ведущий вал; 12 - ведущая коническая шестерня; 15 - сальник; 16 - фланец ведущего вала; 17, 27 - крышка; 18, 26 - стаканы подшипников; 19, 30 - регулировочные шайбы; 20 - распорная втулка; 21 - ведомая коническая шестерня; 23 - ведущая коническая шестерня; 28 - опорная шайба; 29 - гайка; 31 - картер главной передачи; 32 - крестовина дифференциала; 33 - сателлит; 34 - регулировочная гайка

Конические подшипники корпуса диф­ференциала регулируют с помощью регу­лировочных гаек 34 (рис.1), которые за­тягивают до увеличения расстояния между поверхностями крышек  подшипников на 0,1-0,15 мм.

После этого затягивают окон­чательно болты крепления крышек, что создает необходимую величину предвари­тельного натяга подшипников.

Правильность проведенного регулиро­вания подшипников проверяют при работе автомобиля по температуре нагрева мест установки подшипников. Нагрев не должен превышать 70-80°С.

Техническое обслуживание передних мостов включает контроль состояния шкворневых соединений.

Для соблюдения углов наклона шкворней переднего ведущего мо­ста автомобилей повышенной проходимо­сти проверяют регулировку конических подшипников на шипах шаровой опоры, при необходимости их регулируют измене­нием толщины пакета регулировочных про­кладок под крышкой, совмещенной с рыча­гом поворотного кулака.

Шкворневые соединения автомобилей с колесной формулой 6X4 проверяют при вывешенных колесах так, чтобы они не касались пола.

Радиальный зазор, опреде­ляемый по индикатору при покачивании колеса, не должен превышать 0,25 мм, тор­цовый зазор между проушиной балки моста и поворотным кулаком не допускается бо­лее 0,25 мм.

Шкворневые соединения необходимо периодически смазывать через пресс-мас­ленки до выдавливания свежей смазки че­рез зазоры между торцами проушины балка и поворотного кулака.

При этом для обес­печения выхода смазки между нижним торцом проушины и кулаком требуется вывесить колесо над полом.

Признаками неисправности механиз­мов ведущего моста является повышенный шум главной передачи при движении автомобиля. Может также наблюдаться течь масла в разъемах картеров и через ман­жеты.

При движении автомобиля на различ­ных режимах исправные главные передачи должны работать практически бесшумно.

Температура масла в картере не должна превышать температуру окружающего воздуха более чем на 60-70 °С.

Появление шума при работе главной передачи обычно свидетельствует о нарушении зацепления конических шестерен вследствие изнаши­вания или ослабления затяжки подшип­ников, а также о появлении чрезмерно большого бокового зазора между зубьями.

Одной из причин повышенного шума при движении является недостаток масла в картере главной передачи.

Шум, возни­кающий при движении на поворотах, часто указывает на неисправности в межколес­ном дифференциале.

Неисправные стуки в главной передаче связаны с выкрашива­нием или сколом зубьев шестерен или пов­реждением подшипников.

В переднем мосту автомобилей КамАЗ-4310 это явление мо­жет быть связано с разрушением деталей кулачкового карданного шарнира привода передних колес.

Непрерывный шум глав­ной передачи при движении автомобиля с повышенной скоростью обычно связан с сильным изнашиванием шестерен, под­шипников либо с недостатком масла в кар­тере.

Уточнить неисправность главной пере­дачи по шуму можно пользуясь следующим приемом.

Разогнать автомобиль по шоссе со скорости 20 до 80 км/час, а затем умень­шением подачи топлива погасить скорость.

Заметить, при каких режимах появляется, достигает наибольшей величины и исчезает шум.

После этого разогнать автомобиль до 80 км/час и потом двигаться накатом при нейтральном положении в коробке передач до остановки.

Шум, замеченный при пер­вом испытании и не повторяющийся при втором испытании, указывает на неисправ­ности в главной передаче, дифференциале и подшипниках ведущих мостов.

Если при работающем на различных частотах двигателе, когда автомобиль за­торможен на месте, будут прослушиваться шумы, обнаруженные при первом испыта­нии, то можно констатировать, что эти шу­мы не относятся к мостам.

При сервисе 2:

  • - проверьте герметичность ведущих мостов;
  • - проверьте и при необходимости доведите до нормы уровень масла в картерах ведущих мостов; — очистите от грязи сапуны ведущих мостов и промойте в дизельном топливе.

При сервисе С:

  • - затяните гайки крепления редукторов ведущих мостов;
  • - проверьте крепление фланцев на шлицевых концах ведущих валов;
  • - проверьте работу механизма блокировки межосевого дифференциала;
  • - проверьте состояние подшипников ступиц (при снятых ступицах колес ведущих мостов);
  • - смените масло в картерах мостов.

Для проверки мостов на герметичность подайте воздух через резьбовое отверстие под сапун картера моста с избыточным давлением в картере 19,6-24,5 кПа (0,2-0,25 кгс/см 2). Подтекание масла через манжеты, места соединений и сварные швы на балке недопустимы (незначительное образование масляных пятен на поверхностях в вышеуказанных зонах, кроме сварных швов, без каплеобразования не является браковочным признаком). Для проверки уровня масла в картерах мостов отверните контрольную пробку на картере моста. Если при этом нет течи масла из контрольного отверстия, то через заливное отверстие в картере редуктора долейте масло до уровня контрольного отверстия.

Для проверки крепления фланцев на шлицевых концах валов ведущих мостов поставьте автомобиль на смотровую яму или эстакаду и подложите упоры под колеса.

Затем выключите стояночный тормоз, установите рычаг коробки передач в нейтральное положение и выключите механизм блокировки межосевого дифференциала.

Руками покачайте фланец вала в продольном и поперечном направлениях.

При наличии ощутимого зазора отсоедините соответствующий конец карданного вала и, расстопорив гайки крепления, подтяните их, обеспечив моменты затяжки гайки:

  • - фланца межосевого дифференциала и фланца выхода из промежуточного моста — 245-294 Нм (25-30 кгсм);
  • - фланца привода заднего моста — 235-353 Нм (24-36 кгсм).

После подтяжки гайки закерните (зашплинтуйте).

Для проверки работы механизма блокировки межосевого дифференциала передвиньте рычаг крана включения механизма блокировки в положение «СКОЛЬЗКАЯ ДОРОГА». При этом контрольная лампа включения межосевого дифференциала на щитке приборов должна загореться. Если контрольная лампа не загорелась, то попробуйте включить блокировку при медленном движении автомобиля. Если блокировка не включилась, устраните неисправность. При смене масла промойте картеры дизельным топливом, а магниты сливных пробок очистите от металлических отложений. Промойте сапуны ведущих мостов дизельным топливом и продуйте их сжатым воздухом.

Масло сливайте, вывернув пробки контрольных и заливных отверстий. Перед сливом масла прогрейте мост пробегом автомобиля.