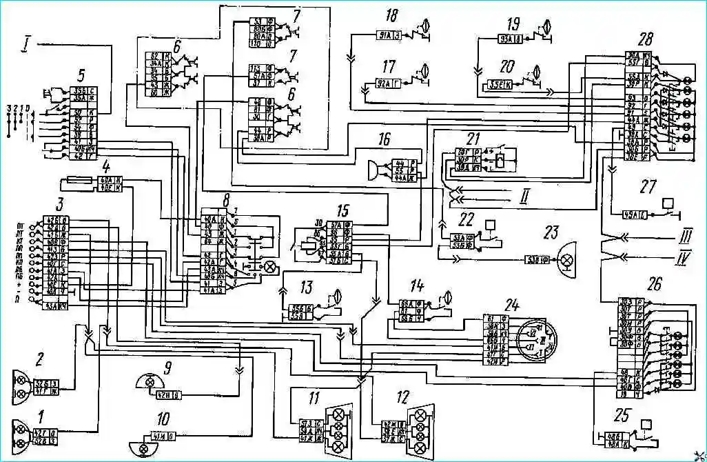
Система световой сигнализации (рис. 1) предназначена для оповещения водителей других транспортных средств о совершении поворота (разворота) или торможения, а также для сигнализации о состоянии сборочных единиц автомобиля, влияющих на безопасность движения
К системе световой сигнализации относятся: аварийная световая сигнализация, сигнализация торможения, указатели поворота и контрольные лампы включения указателей поворота автомобиля и прицепа, контрольные лампы блокировки межосевого дифференциала, стояночной тормозной системы, падения давления воздуха в контурах пневмопривода тормозных механизмов, объединенные в блоки контрольных ламп, а также соответствующие переключатели, выключатели и реле.
Рис. 1. Электрическая схема системы световой сигнализации: 1, 2 - фонари передние левый и правый; 3 - реле-прерыватель указателей поворота и аварийной сигнализации; 4 - предохранитель плавкий ПР119 (6 А); 5 - переключатель света комбинированный; 6 - предохранитель 13.3722 (7.5 А); 7 - предохранитель ПР310 (10 А); 8 - выключатель аварийной световой сигнализации; 9,10 - указатели поворота правый и левый; 11,12 - фонари задние левый и правый; 13 - выключатель сигналов торможения; 14 - выключатель электромагнитного клапана прицепа; 15 - реле сигналов торможения; 16 - сигнал звуковой (зуммер); 17,18,19 - выключатели сигнализаторов падения давления в ресиверах пневмопривода тормозных механизмов; 20 - выключатель сигнализатора стояночной тормозной системы; 21 - реле-прерыватель сигнализатора включения стояночной тормозной системы; 22 - выключатель света заднего хода; 23 - фонарь заднего хода; 24 - розетка прицепа 24 В; 25 - выключатель сигнализатора блокировки межосевого дифференциала; 26, 28 - блоки сигнализаторов; 27 - выключатель сигнализатора засоренности масляного фильтра: I - к выключателю приборов и стартера: II - к указателю температуры охлаждающей жидкости: III - к указателю тахометра: IV - к указателю спидометра
Выключатель 8 аварийной световой сигнализации обеспечивает одновременное включение всех указателей поворота в прерывистом режиме.
При этом загорается контрольная лампа, вмонтированная в ручку выключателя; контрольные лампы указателей поворота в блоке контрольных ламп могут не светить.
Включение указателей поворота осуществляется комбинированным переключателем 5 при рабочем положении выключателя приборов и стартера.
Контактно-транзисторный реле-прерыватель 3 обеспечивает прерывистый режим работы указателей поворота автомобиля и прицепа; о работе указателей сигнализируют лампы (отдельно для автомобиля и прицепа) в блоке 26 контрольных ламп.
Сигнал торможения в задних фонарях включается при срабатывании тормозных систем автомобиля.
При этом замыкаются контакты пневмоэлектрического датчика 13 включения сигнала торможения, срабатывает промежуточное реле 15 сигнала торможения, и светят лампы сигнала торможения задних фонарей.
Цепи сигнала торможения включены в цепь источника питания через амперметр, минуя выключатель приборов и стартера.
Сигнал торможения включается также при включении стояночной тормозной системы.
При этом замыкаются контакты датчика 20, установленного в контуре III пневмопривода тормозных механизмов, и загорается контрольная лампа.
В цепи питания контрольной лампы включения стояночной тормозной системы установлен реле-прерыватель 21, вследствие чего лампа горит прерывистым светом.
Одновременно через промежуточное реле замыкаются цепи ламп сигналов торможения задних фонарей.
Рис. 2. Функциональная схема наружной световой сигнализации и блокировки колес. Все автомобили КамАЗ: F4 – предохранитель ПР01; S22 – переключатель света комбинированный; S14 – выключатель аварийной световой сигнализации; F3 – блок предохранителей ПР02; V3 – прерыватель указателей поворота РС951А; E24 – указатель поворота передний; X33 – розетка прицепа ПС300А3; H3 – блок контрольных ламп тормозной системы; S1 – выключатель света заднего хода; E8 – Фара; E30 – повторитель боковой указатель поворота; E2 – указатель поворота передний; K19 – реле прицепа 901.3747; S17 – выключатель межколесного дифференциала; X32 – розетка прицепа; E3 – повторитель боковой; E7 – фонарь задний левый; E20 – фонарь задний правый; K5 – реле сигнала торможения; B1 – датчик вспомогательного тормоза; S5 – выключатель сигналов торможения; S2, S3, S4 – выключатель блокировки межосевого дифференциала
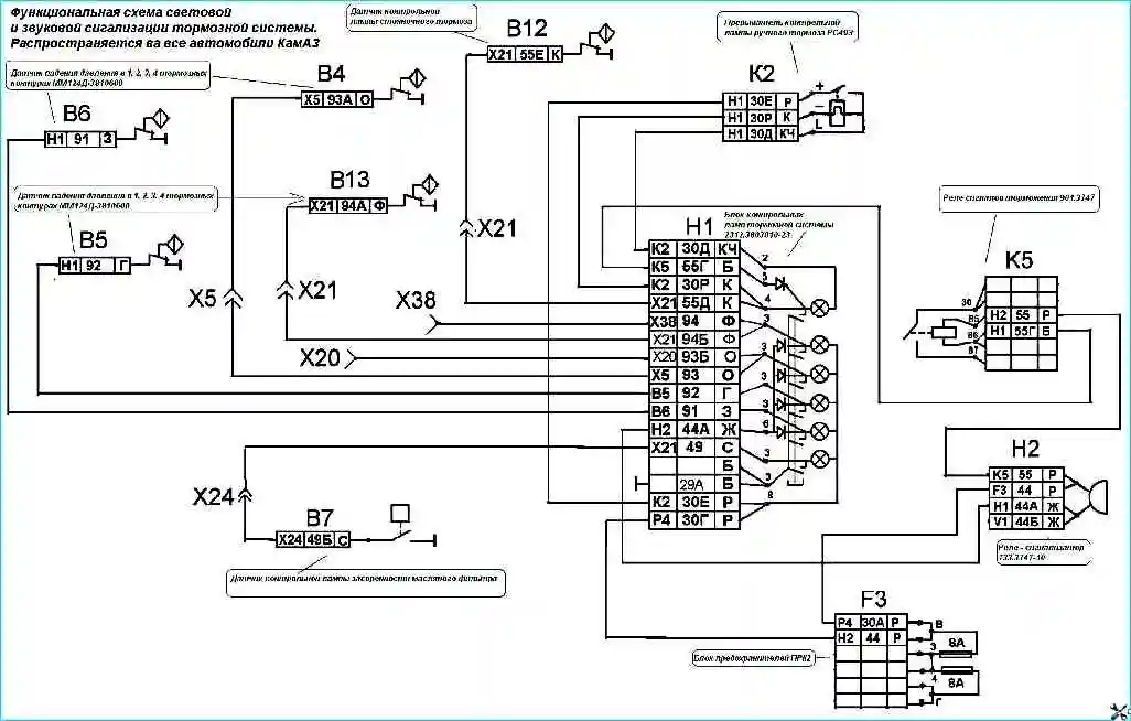
Рис. 3. Функциональная схема световой и звуковой сигнализации тормозной системы. Распространяется на все автомобили КамАЗ


