Система стеклоочистки предназначена для омывания и очистки ветровых стекол с целью обеспечения безопасности движения автомобиля

Она включает в себя электрические стеклоочистители 27.5205 и омыватели ветрового стекла 1112.5208—01.

Электрический омыватель ветрового стекла управляется клавишным переключателем и имеет встроенный в бачок омывателя электрический насос.

Питание насоса осуществляется через предохранитель на силу тока 10А.

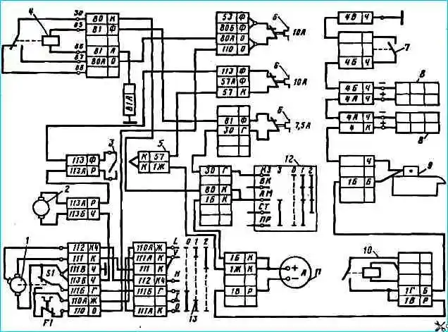
Схема системы отопления, звуковой сигнализации и стеклоочистки: 1, 2 - электродвигатели отопителя; 3 - реле электродвигателя отопителя; 4 - переключатель отопителя; 5 - стеклоочиститель; 6, 9, 7, 8 - предохранители; 10 - переключатель стеклоомывателя; 11 - стеклоомыватель; 12 - переключатель стеклоочистителя; 13 - зумер; 14 - реле звуковых сигналов; 15 - электрический сигнал; 16 - комбинированный переключатель света; 17 - электромагнитный клапан

Электрический стеклоочиститель обеспечивает работу щеток в двух режимах и их остановку в исходном положении. Он включает в себя моторедуктор, щетки с приводом и трехпозиционный переключатель.

Напряжение на моторедуктор подается через реле электродвигателей отопителя, поэтому стеклоочиститель можно включить при включенном в положение «1» выключателе приборов и стартера.

Клавишные переключатели омывателя и стеклоочистителя расположены справа от рулевой колонки на пульте переключателей.

При включении переключателя омывателя через электродвигатель насоса проходит ток.

Пути тока:

“+“ аккумуляторных батарей, клемма стартера, вывод Б реле стартера —► амперметр, вывод 1Ж разъема, выводы 1Ж и 57 блока предохранителей на силу тока 60 и 30 А —► предохранитель на силу тока 10 А —► размыкающие контакты переключателя —► электродвигатель омывателя —► корпус —► выключатель “массы” — “—“ аккумуляторной батареи. Электродвигатель приводит в действие насос, который по гибким трубкам подает омывающую жидкость к двум одноструйным жиклерам и далее на ветровое стекло.

Электродвигатель моторедуктора стеклоочистителя имеет три щетки: одну минусовую и две плюсовых.

Минусовая щетка соединяется с корпусом автомобиля, а на плюсовые щетки подается напряжение бортовой сети через переключатель стеклоочистителя.

При подаче напряжения на разные плюсовые щетки обеспечиваются разные частоты вращения якоря электродвигателя и соответственно разные режимы работы щеток стеклоочистителя.

Конструкция и замена стеклоочистителя описана в статье - Конструкция и замена стеклоочистителя автомобиля КАМАЗ

Порядок работы стеклоочистителя следующий:

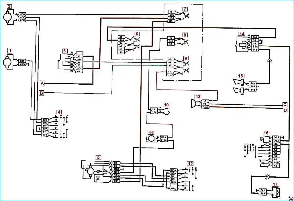
Схема системы стеклоочистки: 1, 2 - электродвигатели стеклоочистителя и стеклоомывателя; 3, 13 - переключатели стеклоомывателя и стеклоочистителя; 4 - реле электродвигателя отопителя; 5 - блок предохранителей на силу тока 60 и 30 А; 6 - предохранители; 7 - выключатель массы аккумулятора; 8 - аккумуляторные батареи; 9 - стартер; 10 - реле выключения стартера; 11 - амперметр; 12 - выключатель приборов и стартера
  • - при установлении выключателя приборов и стартера в положение «1» срабатывает реле электродвигателей отопителя, так как на его обмотку с вывода КЗ выключателя приборов и стартера через предохранитель на силу тока 7,5 А подается напряжение;
  • - при срабатывании реле напряжение с его вывода 30 подается на вывод 87 и далее через предохранитель тока 10 А на вывод 110 разъема моторедуктора, предохранитель моторедуктора, вывод 110А моторедуктора, вывод 110А переключателя;
  • - при положении «1» переключателя стеклоочистителя напряжение с его вывода 110А подается на вывод 111 и далее на одну из плюсовых щеток моторедуктора (на рисунке верхняя). При этом через электродвигатель начинает протекать ток, так как его минусовая щетка (на рисунке нижняя) постоянно соединена с корпусом автомобиля; электродвигатель через редуктор и привод обеспечивает возвратно-поступательное движение щеток с определенной частотой;
  • - при установлении переключателя стеклоочистителя в положение «2» напряжение с его вывода 110А подается на вывод 112 и далее на вторую плюсовую щетку (на рисунке слева); при таком положении переключателя стеклоочиститель работает с большей частотой;
  • - при выключении стеклоочистителя возврат щеток в исходное положение осуществляется с помощью концевого выключателя S1 моторедуктора. Состояние контактов выключателя (см. рис. 2) показано для исходного состояния.

При движении щеток контакты переключаются в другое положение. Поэтому при установке переключателя стеклоочистителя в нейтральное положение движение щеток продолжается до исходного положения, так как в этом случае напряжение на электродвигатель моторедуктора подается следующим образом;

  - вывод 110 моторедуктора —► предохранитель F1 —► замкнутые (нижние) контакты концевого выключателя —► выводы 111Б моторедуктора и переключателя —► выводы 111 переключателя —► вывод 1114 переключателя —► выводы 111 переключателя и моторедуктора —► плюсовая щетка моторедуктора (верхняя).

Когда щетки стеклоочистителя доходят до исходного состояния (низ ветрового стекла), контакты концевого выключателя возвращаются в исходное состояние, размыкают цепь питания моторедуктора и щетки стеклоочистителя останавливаются.