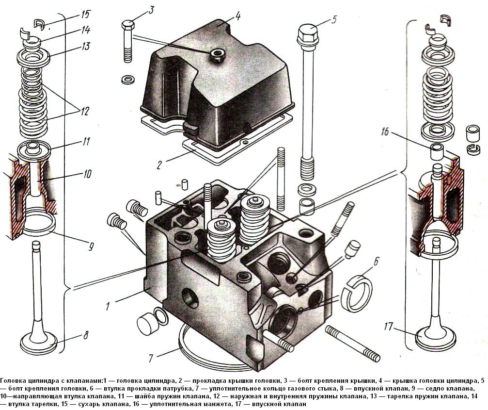
Головки цилиндров отдельные на каждый цилиндр, изготовлены из алюминиевого сплава. Они имеют водяные полости, сообщающиеся с такими же полостями блока цилиндров, впускные а выпускные каналы, вставные седла и направляющие втулки клапанов.
Стык головки цилиндра с блоком уплотнен двумя типами прокладок.
Одна резиновая прокладка уплотняет головку по контуру и полости для штанг газораспределительного механизма, герметичность водоперепускных и пароотводящих каналов обеспечивают отдельные резиновые кольца. вставляемые в отверстия головки.

Газовый стык головки и гильзы цилиндра уплотнен кольцом 7, которое непосредственно соприкасается с буртом гильзы и благодаря высокой точности обработки свинцовому покрытию уплотняет стык.
В головках цилиндров размещены клапанный механизм и форсунка.
Клапанный механизм головки закрыт алюминиевой крышкой, уплотненной прокладкой.
Чугунные седла и металлокерамические направляющие втулки клапанов растачиваются после их запрессовки в головку.
Со стороны привалочной плоскости каждой головки выполнены два отверстия, в которые при сборке двигателя входят запрессованные в блок фиксирующие штифты.
Каждая головка закреплена на блоке цилиндров четырьмя болтами.
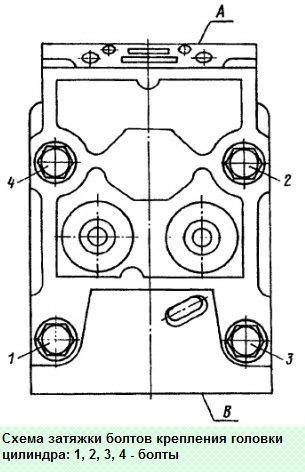
Чтобы избежать нарушения герметичности газового стыка, болты затягивают по перекрестной схеме, в три приема.

Впускной и выпускной каналы расположены с противоположных сторон головки. При взгляде на двигатель со стороны впускные клапаны головок находятся справа, а выпускные — слева.
Впускной канал имеет тангенциальный профиль, обеспечивающий вихревое движение воздуха в цилиндре, улучшение смесеобразования и ускорение процесса сгорания впрыскиваемого топлива.
Гнездо под форсунку расположено со стороны выпускного клапана под углом к оси цилиндра.
Снятие головок и замена прокладок цилиндров
Прокладки головок цилиндров заменяем при нарушении герметичности в соединении головки цилиндра с блоком цилиндров
Разрыв и прогорание прокладок вызывает течь охлаждающей жидкости и масла в стыке головки цилиндра и блока
Снятие прокладок головок цилиндров
Подготавливаем автомобиль и отсоединяем электропровода от клемм аккумуляторов
Сливаем охлаждающую жидкость из системы охлаждения двигателя
Выкручиваем болты и снимаем крышку переднего люка картера сцепления
Приподнимаем переднюю часть автомобиля и устанавливаем подставку под поперечину рамы
Снимаем впускные коллекторы и отсоединяем трубопроводы
Выкручиваем болты и отсоединяем фланец коробки термостатов
Выкручиваем болты крепления водяных труб с правой и левой сторон и отделяем трубы от головок цилиндров
Ослабляем затяжку болтов крепления выпускных коллекторов

Выкручиваем болты 10 (по рисунку) крепления крышек головок цилиндров и снимаем крышки 11 с прокладками 5
Откручиваем гайки 9 крепления стоек коромысел 6, снимаем стойки в сборе с коромыслами и фиксаторами коромысел и штанги 4 толкателей (применяем ключ на 17, зубило, молоток).
Примечание: выполняется только на головках четвертого и восьмого цилиндров
С помощью головки на 19 с воротком ослабляем затяжку болтов крепления головок цилиндров, в последовательности, изображенной на схеме, затем выкручиваем их, снимаем головки и маркируем по номерам цилиндров
Примечание: не ставьте головку привалочной поверхностью на подставку во избежание повреждения распылителей форсунок
Вынимаем штанги толкателей
Снимаем прокладки головок цилиндров: уплотнительную (по периметру головки) и стальную (для газового стыка со стальной прокладкой)
Очищаем от нагара и накипи привалочные поверхности головок цилиндров и блока цилиндров
Установка прокладок головок цилиндров
Устанавливаем на блок уплотнительные прокладки головок цилиндров
Устанавливаем на верхний торец гильз новые стальные прокладки головок (для газового стыка со стальной прокладкой)
Примечание: перед установкой стальные прокладки смазываем моторным маслом
Устанавливаем штанги 4 толкателей 2, вкручиваем регулировочные винты 8 с моментом 33,3-41,1 Нм (3,4-4,2 кгсм)
Устанавливаем головки 12 цилиндров, центрируя их по штифтам блока, при этом следим, чтобы регулировочные винты тепловых зазоров «А» вошли в наконечники штанг
Затягиваем болты крепления головки в три приема в последовательности, изображенной на рисунке

- Первый прием – 39,2-49,1 Нм (4-5 кгсм);
- Второй прием – 117,7-147,2 Нм (12-15 кгсм);
- Третий прием – 156,9-176,5 Нм (16-18 кгсм)
Примечание: перед ввертыванием резьбу болтов смазываем графитной смазкой УСсА, смешанной с моторным маслом до сметанообразного состояния, резьбовые отверстия в блоке очищаем от грязи и жидкости
Устанавливаем на головки цилиндров стойки коромысел в сборе с коромыслами 6 и фиксаторами коромысел, закручиваем гайки 9 крепления стоек с моментом 41-51,9 Нм (4,2-4,5 кгсм)

Приспособлением И801.14.000 регулируем тепловые зазоры «А» в клапанном механизме
Величина зазора для впускного клапана 0,25-0,30 мм, для выпускного клапана 0,35-0,40 мм
Устанавливаем крышку переднего люка картера сцепления
Вкручиваем болты крепления выпускных коллекторов
Устанавливаем на головки 12 цилиндров крышки 11 головок с прокладками 5 и закрепляем болтами 10 с плоскими шайбами
Устанавливаем на головки прокладки водяных труб, водяные трубы в сборе с соединительной трубой, затягиваем болтами с плоскими и пружинными шайбами
Присоединяем фланец коробки термостатов болтами с плоскими и пружинными шайбами
Устанавливаем впускные коллекторы и подсоединяем трубопроводы к головкам
Вынимаем подставку из-под передней части автомобиля
Заливаем охлаждающую жидкость
Опускаем кабину
Подсоединяем провода к аккумуляторам
Запускаем двигатель и проверяем работу газораспределительного механизма, герметичность системы охлаждения и питания двигателя топливом, системы ГУР
Не допускается: стук в газораспределительном механизме, течь охлаждающей жидкости, масла и топлива