Элек­трофакельное устройство (ЭФУ) предназ­начено для облегчения пуска холодного двигателя при температурах окружающего воздуха до —30 °С

Условно систему электрофакельного устройства можно подразделить на две взаимосвязанные: топливную и электри­ческую.

Топливная система обеспечивает также дозировку дизельного топлива на сгорание.

Факельная свеча: 1 - корпус; 2 - нагревательный элемент; 3 - экран; 4 - сетка; 5 - испаритель; 6 - контргайка; 7 - фильтр; 8 - жиклер

Она подключена к системе пита­ния двигателя топливом.

Основным элементом электрофакель­ного устройства являются факельные све­чи.

Они установлены во впускных трубо­проводах двигателя так, чтобы обеспечива­лась равномерная подача подогретого воздуха и паров топлива во все цилиндры.

Корпус 1 факельной свечи (рис. 1) неразборной конструкции, имеет нижнюю резьбовую  часть для  вворачивания  во впускной трубопровод и фиксации на нем контргайкой 6.

Нагревательный элемент 2 выполнен в виде штифтовой свечи и пред­ставляет собой металлический кожух, внутри которого запрессована спираль в специальном наполнителе.

Наполнитель обладает хорошей теплопроводностью и электрически изолирует спираль от кожу­ха.

Нагревательный элемент осуществляет нагрев свечи до рабочей температуры, что обеспечивает испарение и воспламенение дизельного топлива.

Топливо поступает из системы питания к штуцеру, где очищается фильтром 7, а затем попадает в кольцевую полость, образованную поверхностью на­гревательного элемента и испарителем 5. Количество топлива дозируется жикле­ром 8.

Для увеличения поверхности испарения служит объемная сетка 4, окруженная экраном 3 с двумя рядами отверстий.

Эк­ран защищает факел пламени от срыва потоком воздуха, засасываемого в цилинд­ры двигателя.

Принцип работы электрофакельного устройства заключается в следующем

Перед пуском двигателя с помощью ручно­го топливопрокачивающего насоса созда­ют избыточное давление топлива, которое в период провертывания коленчатого вала стартером поддерживается топливным насосом.

Клапан-жиклер фильтра тонкой очист­ки и перепускной клапан ТНВД, перекры­вающие дренажные топливопроводы, обес­печивают подачу топлива к факельным свечам 13 с минимальной задержкой во времени под давлением 20-40 кПа.

При таком давлении обеспечивается минималь­ное время для образования факела пламе­ни.

Увеличение или уменьшение этого давления приводит к задержке образования факела и соответственно к увеличению времени пуска.

Топливо проходит через электромагнит­ный клапан 11 и попадает к предвари­тельно нагретым факельным свечам, где оно дозируется, нагревается и испаряется.

Воспламенение топлива и образование факела пламени происходят в силу того, что в этот момент провертывается старте­ром коленчатый вал двигателя и во впуск­ных трубопроводах появляется поток воз­духа, обдувающий факельные свечи.

Частицы не сгоревшего во впускных трубо­проводах топлива в виде паров попадают в цилиндры вместе с нагретым воздухом, где воспламеняются и способствуют вос­пламенению основного топлива, впрысну­того через форсунки.

Для сокращения времени выхода двигателя на устойчивый режим предусмотрена возможность совме­щения его работы с работой электрофа­кельного устройства.

При этом обеспечи­вается устойчивое удержание факела вс впускных трубопроводах при работе двига­теля на холостом ходу.

Техническая характеристика изделий ЭФУ

Свеча факельная:

  • - номинальное напряжение, В - 19
  • - потребляемый ток при номинальном напряжении, А 11- 11,8
  • - пропускная способность по топливу, см3/мин 5,5-6,5

Термореле:

  • - номинальное напряжение, В - 24
  • - номинальный ток Ампер - 22,8
  • - время от момента включения тока до замыкания контактов, с 50-65
  • - время замкнутого состояния контактов после отключения тока, с > 45

Электромагнитный клапан:

  • - номинальное напряжение, В - 24
  • - напряжение включения (открытия), В >12
  • - напряжение отключения (закрытия), В >6
  • - потребляемый ток при напряжении 12 В, А <1,1

Электрическая схема

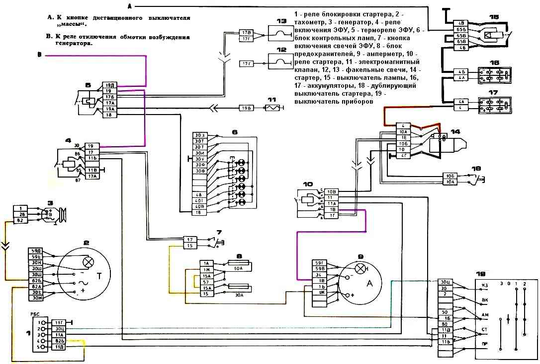
Электрическая схема системы пуска двигателя и электрофакельного устройства: 1 - реле блокировки стартера; 2 - указатель тахометра; 3 - генератор; 4 - реле включения ЭФУ; 5 - термореле ЭФУ; 6 - факельные свечи; 7 - электромагнитный клапан; 8 - блок контрольных ламп; 9 - кнопка включения ЭФУ; 10 - блок предохранителей; 11 - амперметр; 12 - реле стартера; 13 - реле электродвигателей отопителя; 14 - кнопка дистанционного выключения массы аккумулятора; 15 - выключатель массы; 16 - аккумуляторные батареи; 17 - стартер; 18 - реле отключения обмотки возбуждения генератора; 19 - выключатель приборов и стартера

ЭФУ питается от аккумуляторных батарей автомобиля и включает в себя факельные свечи 6 (рис 2), термореле 5, служащее для включе­ния электромагнитного топливного клапа­на 7, и контрольной лампы блока 8, сигна­лизирующей о том, что свечи достаточно нагреты и подано питание на электромаг­нитный клапан; реле 4, предназначенное для включения свечей на максимальный разогрев; реле 18 отключения обмотки возбуждения генератора на период ра­боты ЭФУ.

Для приведения в действие ЭФУ нужно нажать кнопку 14 дистанционного вклю­чения массы, затем нажать кнопку 9 и удерживать ее в таком положении до загорания лампы в блоке 8, затем включить стартер поворотом ключа выключателя 19 во второе положение, не отпуская кнопки 9.

Питание ЭФУ осуществляется от акку­муляторных батарей включением кнопки 14 по цепи: «+» аккумуляторных батарей — клеммы стартера 17 — реле 12 стартера — амперметр — выключатель 19 приборов и стартера — реле 13 электродвигателя отопителя — кнопка 14 — обмотка выключа­теля - 15 массы — «—» аккумуляторных батарей.

Выключатель 15 срабатывает и соединяет «—» аккумуляторных ба­тарей с массой автомобиля.

Следует иметь в виду, что нельзя держать кнопку 14 нажатой более 2 с, поскольку в противном случае возможен перегрев обмотки элек­тромагнита выключателя 15.

Нормально замкнутые контакты реле 13 электродвигателей отопителя кабины за­действованы для подачи тока в обмотку электромагнита выключателя 15. Это сде­лано для предотвращения возможности отключения аккумуляторных батарей

Упрощенные схемы подключения ЭФУ (чтобы было проще понять как работает электрофакельное устройство):

Схема факельного подогрева: 1 - переключатель факельного подогрева; 2 - термореле с резистором; 3 - электромагнитный клапан; 4 - контрольная лампа; 5 - факельная свеча
Схема подачи топлива к факельным свечам: 1 - факельная свеча; 2 - впускная труба двигателя; 3 - электромагнитный топливный клапан; 4 - топливный насос высокого давления; 5 - топливоподкачивающий насос; 6 - топливный бак автомобиля

Возможные неисправности ЭФУ и методы устранения

Неисправность

- Причина неисправности

Метод устранения

Стрелка вольтметра в нижней границе шкалы

- Замыкание спирали термореле или электропроводов

Если свечи исправны, отсоединить от термореле провод, соединяющий его с кнопкой включения ЭФУ.

Отсутствие изменения показаний стрелки указывает на замыкание спирали термореле. В этом случае следует заменить термореле.

Если спираль термореле цела (определяется на ощупь) и при отсоединенных от свечей проводах положение стрелки не меняется, то это указывает на замыкание электропроводов.

Устранить замыкание.

- Замыкание свечи на массу

Отсоединить провод от вывода левой свечи, исключив контакт наконечника с массой, и вновь включите ЭФУ. При выходе стрелки за пределы шкалы отсоединить провод от вывода правой свечи.

Отсутствие выхода стрелки за пределы шкалы указывает на замыкание правой свечи. Заменить отказавшую свечу.

После устранения замыкания рекомендуется проверить состояние изоляции электропроводов, работоспособность термореле и реле включения ЭФУ, а если замыкание произошло при пуске двигателя работоспособность шунтирующего реле

Показание вольтметра не изменяется

- Перегорание спирали термореле

Включите ЭФУ и проверьте напряжение на выводах термореле. Отсутствие напряжения на выводе со стороны штекерного соединения при наличии напряжения на другом выводе свидетельствует о перегорании спирали.

Замените термореле

- Перегорание свечей или отсутствие контакта в цепи

Включите ЭФУ и проверьте наличие напряжения на выводах каждого изделия ЭФУ, начиная с факельных свечей. Наличие напряжения на выводе правой свечи свидетельствует о перегорании свечей. Замените свечу, и восстановите контакт

- Перегорание одной из свечей

Включить ЭФУ на 10-15 секунд, затем заменить холодную свечу

Нет факела свечи

- Отсутствие поступления топлива к свече

Ослабить топливоподводящий штуцер на свече.

Включить ЭФУ и после загорания сигнализатора (открытие электромагнитного клапана) провернуть с помощью стартера коленчатый вал.

Если топливо при открытом клапане не просачивается через неплотно завернутое резьбовое соединение штуцера, устранить неисправность в системе питания топливом

- Непрохождение топлива через свечу

Вывернуть свечу из коллектора.

Промыть и продуть сжатым воздухом жиклер, топливный фильтр и топливоподводящие полости.

Проверить наличие пламени факела

- Негерметичность системы питания топливом

Устранить негерметичность

Проверка работы ЭФУ

Работу ЭФУ следует проверять при исправных и заряженных аккумуляторных батареях в следующем порядке:

  • - проверить исправность сигнализатора ЭФУ на панели приборов в кабине (нажатием кнопки контроля);
  • - включить ЭФУ и определить время момента включения ЭФУ до загорания сигнализатора.

Для первого включения ЭФУ оно должно составлять при температуре воздуха выше нуля 50-70 секунд, а при температуре ниже нуля — 70-110 секунд.

При повторном включении ЭФУ время загорания сигнализатора сокращается, поэтому для получения достоверного значения необходимо дать остыть термореле до температуры окружающего воздуха:

  • - проверить наличие пламени факела во впускных коллекторах.

Для проверки факела необходимо:

  • - вывернуть свечи из коллекторов, подсоединить к ним топливные трубки и электропровода;
  • - обеспечить надежное соединение корпусов свечей с массой и убедиться, что вывод изолирован от массы;
  • - включить ЭФУ и после загорания сигнализатора с помощью стартера провернуть коленчатый вал.

Если нет пламени, то заменить неисправную свечу.

1 - реле блокировки стартера; 2 - тахометр; 3 - генератор; 4 - реле включения ЭФУ; 5 - термореле ЭФУ; 6 - блок контрольных ламп; 7 - кнопка включения свечей ЭФУ; 8 - блок предохранителей; 9 - амперметр; 10 - реле стартера; 11 - электромагнитный клапан; 12, 13 - факельные свечи; 14 - стартер; 15 - выключатель лампы; 16, 17 - аккумуляторы; 18 - дублирующий выключатель стартера; 19 - выключатель приборов

Работоспособность реле 4 включения ЭФУ определите в следующем порядке:

  • - отсоедините любой провод от вывода «К» дополнительного реле стартера;
  • - нажмите кнопку включения ЭФУ и два-три раза не более чем на 1с поверните ключ выключателя приборов и стартера в положение II (крайнее правое положение). При исправном реле должны прослушиваться характерные щелчки;
  • - выключите ЭФУ и подсоедините провод к выводу «К».

Работоспособность реле отключения ОВГ определите так:

  • - нажмите кнопку ЭФУ и пустите двигатель стартером. Стрелка амперметра при изменении частоты вращения двигателя во всем диапазоне должна показать разрядный ток около 30 А. Остановите двигатель и только после этого отпустите кнопку ЭФУ;
  • - вновь пустите двигатель и убедитесь, что генератор дает заряд.

Примечание. При подготовке автомобиля к первой зимней эксплуатации дополнительно проверьте подачу топлива к свечам ЭФУ и пропускную способность свечей.

Ремонт ЭФУ

Изделия электрофакельного устройства ремонту не подлежат; при обнаружении отказа изделия замените его.

Для проверки подачи топлива к свечам отсоедините топливопровод от свечи и прокачайте систему питания двигателя топливом ручным топливоподкачивающим насосом.

Затем откройте электронагнетательный клапан, подав напряжение на штекер клапана со штекера провода подкапотной лампы.

При этом из отсоединенного топливопровода должно появляться топливо.

Пропускную способность свечи определяйте на отечественных стендах СДТА-3 (КИ-22201) или NC-108-1318 фирмы «Мо1огра1» Чехо-Словакия и других, позволяющих плавно регулировать давление топлива.

При избыточном давлении дизельного топлива 73,6 кПа (0,75 кгс/см 2) и температуре 15-25°С пропускная способность свечи должна быть 5,5-6,5 см 3/мин.

Замер производите после предварительного пролива свечи топливом в течение 20-30 секунд.

Схема установки для проверки пропускной способности свечей ЭФУ: 1 - клапан; 2 - манометр; 3 - ресивер; 4 - топливопровод; 5 - вентиль запорный; 6 - свеча факельная; 7 - цилиндр мерный с ценой делений 0,1-0,2 см 3

При отсутствии указанных стендов соберите установку по схеме на рис. 5.

Для определения величины потребляемого тока свечи соберите схему (рис. 6), позволяющую иметь выходное напряжение постоянного тока 19 В.

Схема проверки потребляемого свечой тока: 1 - источник питания; 2 - реостат; 3 - амперметр; 4 - вольтметр; 5 - свеча; 6 - выключатель

Напряжение поддерживайте реостатом 2. При таком напряжении потребляемый ток через минуту после включения свечи должен быть 11-11,8 А.

Схема проверки термореле: 1 - источник питания; 2 - реостат; 3 - амперметр; 4 - лампа контрольная; 5 - термореле; 6 - вольтметр; 7 - выключатель

Для проверки параметров термореле соберите схему, указанную на рис. 7.

Термореле установите на горизонтальную поверхность защитным экраном вверх.

Номинальную величину тока 22,8 А, проходящего через реле, устанавливайте и поддерживайте реостатом 2.

Время до замыкания контактов и удержания их в замкнутом состоянии определяйте по загоранию контрольной лампы 4. Для этого один провод контрольной лампы соедините со штекером термореле, а второй — с источником постоянного тока (аккумуляторной батареей).

Время с момента включения тока до замыкания контактов термореле (загорание контрольной лампы) при температуре окружающего воздуха 15-25 °С должно быть 55- 65 секунд, а время удержания контактов (горения контрольной лампы) после отключения — не менее 45 секунд.

Герметичность электромагнитного клапана проверяйте подачей сжатого воздуха под давлением 147 кПа (1,5 кгс/см 2) к входному каналу клапана.

При погружении клапана в воду не должны выделяться пузырьки воздуха

Техническое обслуживание

При сервисе «С» (осенью):

  • - промойте свечи и освободите топливопроводы ЭФУ от летнего топлива (после замены топлива в системе питания на зимнее топливо);
  • - проверьте работу ЭФУ.
Факельная свеча: 1 - экран свечи накала; 2 - объемная сетка; 3 - штуцер подвода топлива; 4 - фильтр; 5 - жиклер; 6 - нагревательный элемент

Промывая свечи ЭФУ, очистите от отложений защитную гильзу 1 (рис. 10) и сетку 2, после этого промойте их бензином.

Для освобождения топливопроводов ЭФУ от летнего топлива после замены его на зимнее в системе питания электродвигателя:

  • - пустите двигатель и дайте ему проработать со средней частотой вращения коленчатого вала до тех пор, пока полностью не выработаются остатки летнего топлива из системы питания;
  • - остановите двигатель и отсоедините топливопроводы от свечей;
  • - откройте электромагнитный клапан подачей напряжения на его штекер со штекера провода подкапотной лампы. Масса автомобиля при этом должна быть включена. Открытие клапана сопровождается характерным щелчком;
  • - прокачайте систему питания двигателя ручным топливоподкачивающим насосом, пока из топливопроводов ЭФУ не сольется летнее топливо;
  • - подсоедините топливопроводы.