Рулевое управление автомобиля ГАЗ-53А состоит из рулевого механизма с валом рулевого колеса, рулевой колонки и рулевых тяг

В рулевом управлении автомобиля ГАЗ-66, кроме того, имеется гидроусилитель.

Рабочей парой рулевого механизма являются глобоидальный червяк и трехгребневый ролик.

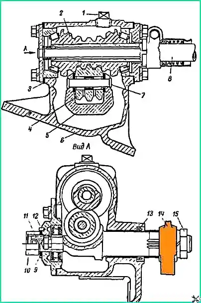
Устройство рулевого механизма автомобиля ГАЗ-5ЗА показано на рис. 1.

Рулевой механизм автомобиля ГАЗ-53, ГАЗ-66: 1 - пробка; 2 - червяк; 3 - прокладка; 4 - ролик; 5 - вал рулевой сошки; 6 - картер; 7 - ось ролика; 8 - вал; 9 - стопорная шайба; 10 - гайка; 11 - регулировочный винт; 12 - стопорный штифт; 13 - сальник; 14 - рулевая сошка; 15 - гайка

По основным деталям (червяк, ролик, вал рулевой сошки, подшипники, боковая крышка) рулевые механизмы автомобилей ГАЗ-53А и ГАЗ-66 взаимозаменяемы.

Ввиду того, что кабина автомобиля ГАЗ-66 опрокидываемая вперед, вал руля этого автомобиля выполнен разрезным и имеет два карданных шарнира (рис. 2).

Рулевой вал автомобиля ГАЗ-66: 1 - рулевое колесо; 2 - подшипник; 3 - регулировочные шайбы; 4 - промежуточный рулевой вал; 5 - верхний рулевой вал

Техническое обслуживание рулевого управления

Для нормальной работы рулевого управления ежедневно перед выездом проверять свободный ход рулевого колеса.

При правильной регулировке рулевого механизма и рулевых тяг свободный ход рулевого колеса в положении, соответствующем движению по прямой, на автомобиле ГАЗ-53А должен отсутствовать, а на автомобиле ГАЗ-66 не должен превышать 10˚ при работающем двигателе и 30° при неработающем двигателе, что соответствует 25 и 80 мм при замере на ободе колеса.

Если свободный ход рулевого колеса превышает приведенные выше величины на 40 мм, отрегулировать рулевой механизм и рулевые тяги.

Чаще всего причиной повышенного свободного хода рулевого колеса является образование зазоров в шарнирных соединениях рулевых тяг, поэтому сначала следует проверить и, если необходимо, отрегулировать шарниры тяг.

При регулировке рулевого механизма сначала проверить правильность регулировки подшипников червяка и, если нужно, отрегулировать их.

Регулировка подшипников

Подшипники червяка регулируют при появлении осевого перемещения червяка рулевого механизма.

Это перемещение на автомобиле ГАЗ-53А можно ощутить, если взяться рукой за рулевую колонку так, чтобы большой палец касался торца ступицы рулевого колеса, другой рукой удерживать рулевое колесо от вращения и раскачивать вывешенные колеса из стороны в сторону.

Для определения осевого перемещения червяка в рулевом механизме автомобиля ГАЗ-66 необходимо при откинутой кабине отъединить вилку нижнего кардана рулевого вала от вала червяка и продольную рулевую тягу от сошки.

Если осевое перемещение червяка есть, то при покачивании сошки легко будет рукой ощутить перемещение вала червяка относительно верхней крышки рулевого механизма.

Регулировать подшипники червяка в следующем порядке:

  • - снять рулевой механизм с автомобиля;
  • - слить масло из картера рулевого механизма;
  • - зажать рулевой механизм в тиски за фланец картера;
  • - снять нижнюю крышку картера;
  • - осторожно при помощи ножа отделить и снять тонкую бумажную прокладку;
  • - установить нижнюю крышку на место и проверить осевое перемещение червяка. Если осевое перемещение есть, то снять нижнюю крышку, удалить толстую прокладку, а на ее место установить ранее снятую тонкую;
  • - вынуть вал сошки;
  • - проверить затяжку подшипников червяка. При правильной затяжке усилие, приложенное к валу червяка на радиусе окружности рулевого колеса, должно быть 0,3—0,5 кг;
  • - собрав рулевой механизм и отрегулировав зацепление червяка с роликом, установить его на автомобиль.

Регулировка зацепления червяка с роликом

Зацепление червяка с роликом регулируют при правильно отрегулированных подшипниках червяка.

Для определения необходимости регулировки зацепления червяка с роликом:

  • - установить рулевое колесо в положение, соответствующее движению автомобиля по прямой, отсоединить продольную рулевую тягу от сошки, и определить индикатором величину перемещения конца сошки при ее покачивании.

Если перемещение конца сошки превышает 0,3 мм, то, не снимая рулевого механизма с автомобиля, отрегулировать зазор в зацеплении червяка с роликом в следующем порядке:

  • - отвернуть колпачковую гайку 8 (см. рис. 1) рулевого механизма и снять стопорную шайбу 7;
  • - вращать ключом регулировочный винт 11 по часовой стрелке до устранения люфта;
  • - проверить на ободе рулевого колеса усилие, требуемое для поворота рулевого колеса около среднего положения, и довести его путем вращения регулировочного винта до 1,6—2,2 кГ,
  • - надеть стопорную шайбу. Если одно из отверстий в стопорной шайбе не совпадает со штифтом, то регулировочный винт повернуть до совпадения. При этом усилие поворота рулевого колеса не должно выходить за указанные выше пределы;
  • - навернуть колпачковую гайку и снова проверить люфт на конце рулевой сошки;
  • - соединить продольную рулевую тягу с сошкой.
  • - отсоединить провода переключателя поворотов;
  • - снять защитный кожух проводов переключателя поворотов и сам переключатель;
Демонтаж рулевого колеса
  • - съемником снять рулевое колесо (рис. 3);
  • - вынуть пружину, распорное кольцо и подшипник верхней части рулевого вала;
  • - снять накладку и планку крепления рулевой колонки;
  • - снять сошку, пользуясь съемником;
  • - отвернуть винты крепления уплотнителя щитка передка у рулевой колонки;
  • - отвернуть гайки крепления картера рулевого механизма к продольной балке рамы и вынуть рулевой механизм.

Рулевой механизм с автомобиля ГАЗ-66 необходимо снимать в следующем порядке:

  • - снять кнопку сигнала, повернув ее по часовой стрелке;
  • - снять пружину и контактную вилку;
  • - снять пластину, удерживающую кнопку сигнала;
  • - отсоединить провод сигнала;
  • - снять накладки крепления рулевой колонки к рычагам кронштейна педалей сцепления и тормоза;
  • - отвернуть гайку, вынуть болт крепления нижней вилки кардана рулевого вала к валу червяка и снять с вала червяка карданный вал в сборе с колонкой и рулевым колесом;
  • - снять сошку, пользуясь съемником;
  • - отвернуть гайки болтов крепления картера рулевого механизма к продольной балке рамы и снять рулевой механизм.

Рулевой механизм автомобиля ГАЗ-53А необходимо разбирать в следующем порядке.

Слить масло из картера рулевого механизма.

Ослабить гайку болта хомута нижней части рулевой колонки, снять трубу колонии, а также опорную шайбу, пружину уплотнительного кольца, шайбу кольца и уплотни тельное кольцо.

Зажать рулевой механизм в тиски за фланец картера и отвернуть болты крепления боковой крышки картера.

Легкими ударами медной или алюминиевой выколотки по концу вала сошки вынуть вал сошки вместе с роликом и боковой крышкой.

Снять верхнюю крышку картера с верхним подшипником и прокладками.

Снять нижнюю крышку, нижний подшипник с прокладками, уплотнительное кольцо вала с пружиной и шайбой, вынуть рулевой вал.

Рулевой механизм автомобиля ГАЗ-66 разбирают аналогично.

При этом обратить внимание на то, что широкое кольцо подшипников червяка установлено со стороны верхней крышки (на рулевом механизме автомобиля ГАЗ-53А это кольцо ставится со стороны нижней крышки).

Неисправности рулевого управления и способы их устранения

Причины неисправности (Способы устранения)

Увеличенный свободный ход рулевого колеса:

(на автомобиле ГАЗ-53 — более 40 мм, на автомобиле ГАЗ-66 — более 120 мм  при неработающем двигателе и более 65 мм при работающем двигателе).

- Увеличенные зазоры в шарнирных соединениях продольной рулевой тяги

Отрегулировать шарниры тяги

- Большой износ деталей шарниров рулевых тяг

Заменить вкладыши, сухари или пальцы шарниров рулевых тяг

- Увеличенный зазор в зацеплении червяка с роликом

Отрегулировать зацепление червяка с роликом

- Появление зазора в подшипниках червяка

Отрегулировать подшипники червяка

Заедание рулевого механизма необходимое для поворота или большое усилие, рулевого колеса:

- Износ или разрушение игольчатых подшипников ролика вала сошки

Отремонтировать вал сошки или заменить его

  • - Заедание, скрипы или щелчки в рулевом механизме
  • - Чрезмерный износ ролика или червяка, выкрашивания и вмятины на их поверхностях

Заменить червяк или ролик

Раскачивание рулевого колеса с верхним рулевым валом автомобиля ГАЗ-66:

- Износ резиновых втулок рычагов кронштейна крепления рулевой колонки

заменить втулки

Осевое перемещение рулевого колеса автомобиля ГАЗ- 66:

- Появление зазора в подшипниках верхнего рулевого вала

Отрегулировать подшипники верхнего рулевого вала

Определение технического состояния деталей рулевого механизма

Если на рабочей поверхности червяка обнаружено отслоение закаленного слоя, то его заменить вместе с валом червяка. Червяк ремонту не подлежит.

При обнаружении на поверхности ролика трещин или вмятин его также заменить. Для этого рассверлить головку оси ролика, выбить ось и снять ролик.

Затем вставить в паз вала сошки новый ролик и ранее выбитую ось и закрепить ее со стороны рассверленной головки электросваркой.

В процессе эксплуатации бронзовая втулка картера рулевого механизма под вал сошки подвержена одностороннему износу, что уменьшает запас регулировки зацепления червяка с роликом.

При значительном износе втулку заменить с последующей разверткой отверстия под номинальный размер.

Рекомендуется после разборки проверить состояние и других деталей рулевого механизма.

Номинальные и предельные размеры, до которых допустим износ основных деталей, приведены в табл. 1.

Таблица 1. Номинальные и допустимые размеры основных деталей рулевого механизма

Диаметр отверстия втулки картера под вал сошки:

  • - номинальный - 35 +0,027 мм;
  • - допустимый без ремонта - 35,150 мм

Диаметр отверстия в картере под верхний (для ГАЗ-66) или нижний (для ГАЗ-53А) роликовый подшипник червяка:

  • - номинальный - 68 +0,052 мм;
  • - допустимый - 68,090 мм

Диаметр отверстия в картере под нижний (для ГАЗ-66) или верхний (для ГАЗ-53А) роликовый подшипник червяка:

  • - номинальный - 66 -0,008 мм;
  • - допустимый - 66,070 мм

Диаметр отверстия под игольчатый подшипник ролика вала сошки:

  • - номинальный - 17,8 +0,030 мм;
  • - допустимый - 17,860 мм

Диаметр оси ролика вала сошки:

  • - номинальный - 12,75 -0,008 мм;
  • - допустимый - 12,720 мм

Наружный диаметр внутреннего кольца подшипника вала сошки:

  • - номинальный - 25 -0,014 мм;
  • - допустимый - 24,960 мм

Сборка и установка рулевого механизма

Рулевой механизм собирают и устанавливают на автомобиль в последовательности, обратной разборке и снятию с автомобиля.

В процессе сборки регулируют подшипники червяка, зацепление червяка с роликом.

При сборке рулевого вала с рулевой колонкой и рулевым колесом автомобиля ГАЗ-66 регулируют подшипники верхней части рулевого вала при помощи регулировочных шайб 3‚ (см. рис. 2), которые устанавливают между торцом вилки верхнего кардана и распорной втулкой нижнего подшипника.

После регулировки рулевой вал не должен иметь осевого люфта и должен легко вращаться.