Сцепление автомобилей сухое, однодисковое, с демпферным устройством, установлено в литом алюминиевом картере (рис. 1)

Сцепление автомобиля ГАЗ-66 отличается от сцепления автомобиля ГАЗ-53А только различными упорными цапфами вилок выключения сцепления (что обусловлено различными приводами выключения сцепления), крышками люков установки зажигания и наличием штифта установки зажигания, запрессованного в картер сцепления автомобиля ГА3-66 (в картере сцепления ГАЗ-53А штифт отсутствует).

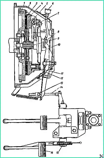
Сцепление автомобиля ГАЗ-53А и его привод: 1 - маховик; 2 - картер; 3 - ведомый диск; 4 - нажимной диск; 5 - рычаг выключения сцепления; 6 - масленка; 7 - регулировочная гайка; 8 - муфта выключения сцепления; 9 - ведущий вал коробки передач; 10 - вилка выключения сцепления; 11 - кожух; 12 - нажимная пружина; 13 - регулировочная гайка; 14 - тяга; 15 - оттяжная пружина; 16 - педаль сцепления

Нажимные и ведомые диски, а также муфты выключения сцепления автомобилей ГАЗ-53А и ГАЗ-66 отличий не имеют.

Привод выключения сцепления автомобиля ГАЗ-66: 1 - резиновый буфер; 2 - передний кронштейн; 3 - главный цилиндр; 4 - пробка; 5 - задний кронштейн; 6 - промежуточный рычаг; 7 - тяга; 8 - толкатель; 9 - защитный чехол; 10 в 24 - оттяжные пружины; 11 - поршень главного цилиндра; 12- манжета; 13 - возвратная пружина; 14 и 17 - трубопроводы; 15 - педаль; 16 и 18 - гибкие шланги; 19 - перепускной клапан; 20 - рабочий цилиндр; 21 - толкатель; 22 - контргайка; 23 - наконечник толкателя; 25 - вилка выключения сцепления; 26 - эксцентриковый болт

Привод выключения сцепления автомобиля ГАЗ-53А - механический (см. рис. 1), автомобиля ГАЗ-66 (рас. 2) — гидравлический.

Техническое обслуживание сцепления

При смазке упорного подшипника муфты выключения сцепления необходимо выжать смазку в количестве одной полной заправки колпачковой масленки.

Более частая и обильная смазка может привести к тому, что излишек смазки будет попадать на диски сцепления, что может вызвать отказ в работе.

Более редкая смазка подшипника приводит к загустеванию смазки в отверстиях, подводящих ее из кольцевой полости муфты к подшипнику, и к последующему отказу в работе подшипника из-за прекращения поступления смазки.

Прокачка жидкости в приводе выключения сцепления автомобиля ГАЗ-66

Особое внимание следует уделять уходу за приводом выключения сцепления автомобиля ГАЗ-66 в связи с применением жидкости ГТЖ-22 в качестве рабочей жидкости, так как она обладает сильными окислительными свойствами.

Для нормальной работы сцепления автомобиля ГАЗ-53А необходимо обеспечить зазор между головками рычагов выключения сцепления и упорным подшипником 4 мм.

Для получения этого зазора необходимо периодически проверять и регулировать свободный ход педали сцепления, который должен быть 35—45 мм.

Свободный ход педали сцепления регулируют изменением длины тяги, соединяющей вилку выключения сцепления с рычагом на валике педали.

Увеличение свободного хода достигают отвертыванием гайки на тяге, уменьшение — завертыванием.

Для нормальной работы сцепления автомобиля ГАЗ-66 необходимо обеспечить зазор между головками оттяжных рычагов и упорным подшипником 2 мм и зазор между толкателем и поршнем главного цилиндра 0,5—1,5 мм.

При регулировке привода выключения сцепления сначала регулируют зазор между толкателем и поршнем главного цилиндра эксцентриковым болтом 26 (см. рис. 2).

Нормальному зазору соответствует свободный ход педали 3,5-10 мм.

После регулировки гайку болта 26 затягивают.

Если при помощи эксцентрикового болта не удается обеспечить требуемый свободный ход педали, то предварительно его регулируют изменением длины тяги 7.

Зазор между упорным подшипником выключения сцепления и головками рычагов регулируют изменением длины толкателя рабочего цилиндра, при этом необходимо получить свободный ход конца вилки выключения сцепления 3,5 мм.

После регулировки суммарный ход педали должен быть 30-37 мм.

Для нормальной работы сцепления необходимо также обеспечить ход поршня рабочего цилиндра не менее 23 мм.

При меньшем ходе возможно неполное выключение сцепления. Ход поршня рабочего цилиндра не регулируют.

Уменьшенный ход указывает на наличие воздуха в системе гидравлического привода. В этом случае необходимо прокачать жидкость в гидравлическом приводе.

Для этого, сняв резиновый защитный колпачок с головки перепускного клапана рабочего цилиндра, надеть на головку шланг для прокачки.

Конец шланга опустить в стеклянный сосуд, в который налито немного жидкости, и отвернуть клапаны на — ¾ оборота.

Привернув к резьбовому наконечнику пробки главного цилиндра шланг шинного насоса, создать насосом небольшое давление в системе (рис. 3).

При этом под действием давления жидкость из резервуара главного цилиндра заполняет систему гидравлического привода, вытесняя воздух через перепускной клапан рабочего цилиндра.

Воздух из шланга будет проходить через жидкость в стеклянном сосуде в виде пузырьков.

После того как прекратится выход воздуха из системы гидравлического привода (прекратится выход пузырьков из шланга для прокачки), завернуть клапан, снять шланг для прокачки.

Надеть на головку перепускного клапана защитный колпачок и, отвернув пробку главного цилиндра, долить жидкость до уровня 15-20 мм ниже верхней кромки наливного отверстия; пробку завернуть.

При прокачке нельзя допускать обнажения дна в главном цилиндре.

Поэтому, если из системы вытекло около стакана жидкости, прекратить прокачку и продолжить ее только после доливки жидкости в главный цилиндр.

Неисправности сцепления и способы их устранения

- Причины неисправности

Способы устранения

Неплавное включение сцепления:

- Замасливание фрикционных накладок ведомого диска

Заменить ведомый диск или поставить новые фрикционные накладки.

Если замасливание небольшое, то можно прошлифовать накладки мелкой шкуркой, предварительно промыв их бензином

- Неодновременное нажатие упорного подшипника на головки рычагов выключения сцепления 

Отрегулировать взаимное расположение головок рычагов при помощи гаек 7 (см. рис. 1) опорных вилок

- Большой износ фрикционных накладок (до заклепок)

Заменить диск или сменить накладки

Неполное выключение сцепления — «сцепление сведет» (трудное включение передач и шум шестерен в коробке передач при переключении):

- Наличие воздуха в системе гидравлического привода 

Прокачать жидкость в системе

- Большой свободный ход педали сцепления

Отрегулировать свободный ход педали сцепления

- деформация ведомого диска

Заменить диск или произвести его правку

- Неодновременное нажатие подшипника на головки рычагов выключения сцепления

Отрегулировать взаимное расположение рычагов

- Износ внутренней манжеты главного цилиндра

Заменить манжету

Неполное включение — «сцепление буксует»:

- Отсутствие зазора между головками рычагов выключения сцепления и торцом упорного подшипника

Отрегулировать свободный ход педали сцепления

- Ослабление нажимных пружин сцепления

Заменить пружины

- Замасливание дисков

Заменить диски или фрикционные накладки

- Чрезмерный износ фрикционных накладок, поверхности трения маховика или нажимного диска

Заменить ведомые диски или накладки дисков, а маховик и нажимный диск отремонтировать, отшлифовав поверхности трении

Шум, писк при нажиме на педаль сцепления:

- Отсутствие смазки в подшипнике муфты выключения сцепления

Смазать подшипник

- Износ подшипника муфты выключения сцепления

Заменить подшипник

Ремонт сцепления

Основными деталями сцепления, требующими замены или ремонта в процессе эксплуатации, являются ведомый и нажимной диски, а также подшипник муфты выключения сцепления.

Положение ведомого и нажимного дисков в сборе с кожухом сцепления в момент их снятия

Замена подшипника муфты выключения сцепления

Для снятия подшипника муфты выключения сцепления снять коробку передач вместе с муфтой, отъединить оттяжную пружину муфты, снять муфту и спрессовать с нее подшипник.

Перед напрессовкой нового подшипника на муфту проверить, заполнен ли он смазкой.

При установке коробки передач с муфтой на автомобиль нужно следить, чтобы не был поврежден шланг подвода смазки к подшипнику, для чего заправить его внутрь картера сцепления перед окончательной установкой коробки передач на шпильки картера сцепления.

Если шланг подвода смазки к подшипнику по какой-либо причине снимали или заменяли, то при постановке заполнить его смазкой.

Для этого дважды выжать в него содержимое полностью заправленной колпачковой масленки; только на третий раз масленка будет подавать смазку к подшипнику муфты выключения сцепления.

Снятие дисков сцепления

Для снятия дисков сцепления с автомобиля снять коробку передач.

Сняв нижнюю часть картера сцепления, отвернуть через нижний люк картера болты крепления кожуха сцепления к маховику.

При этом отвертывать следует постепенно все болты, чтобы не погнуть опорные лапы кожуха или не сорвать болты, которые отвертывают последними.

Отъединенные от маховика диски сцепления вынимают из картера в определенном положении.

Сначала вынимают нажимный диск, повернув его одной из лап кожуха вниз и приподняв ведомый диск (рис. 4), затем ведомый.

Разборка и сборка нажимного диска сцепления

Нажимный диск разбирают в следующем порядке:

Снятие кожуха сцепления
  • - делают метки на кожухе и нажимном диске, чтобы при сборке сохранить первоначальное положение этих деталей и, следовательно, сохранить балансировку;
  • - кладут диск на стол пресса, подложив под диск деревянную подставку, чтобы лапы кожуха могли перемещаться вниз;
  • - сверху на кожух кладут деревянный брусок так, чтобы он не закрывал ни одной из регулировочных гаек опорных вилок рычагов выключения сцепления (рис. 5);
  • - нажимая прессом на брусок, сжимают пружины сцепления, чтобы разгрузить от усилий рычаги выключения сцепления, отвертывают гайки опорных вилок рычагов, медленно отпускают пресс, снимают кожух сцепления, пружины опорных вилок и нажимные пружины;
  • - осторожно вынимают пальцы, помещающиеся в выступах нажимного диска, отделяют рычаги с опорными вилками от нажимного диска и собирают ролики игольчатых подшипников;
  • - осторожно вынимают пальцы опорных вилок рычагов, отделяют опорные вилки и собирают ролики игольчатых подшипников.

Если на поверхности трения нажимного диска обнаружены коробление, задиры, кольцевые канавки или трещины, вызванные перегревом, то диск заменяют или ремонтируют проточкой и шлифовкой; толщина отремонтированного диска должна быть меньше толщины нового диска не более чем на 1,5 мм.

Разность размеров от каждой из осей трех отверстий под оси рычагов выключения сцепления до обработанной поверхности должна быть не более 0,15 мм, а сама поверхность плоской (при проверке на плите щуп 0,05 мм не должен проходить).

Сломанные или потерявшие упругость нажимные пружины необходимо заменить (желательно сменить при этом все пружины).

Усилие нажимной пружины должно быть 62,5—68 кг при сжатии от свободной длины 61 мм до длины 40 мм.

Потерявшие упругость пружины опорных вилок рычагов выключения сцепления также необходимо заменить, так как в противном случае при больших числах оборотов коленчатого вала двигателя, головки рычагов выключения могут отойти назад, а это вызовет непрерывную работу упорного подшипника и преждевременный его износ.

При сжатии пружины опорной вилки от свободной длины 12,5 мм до длины 9,5 мм усилие пружины должно быть 14 ± 1,5 кг.

Нажимной диск с кожухом и рычагами собирают в следующем порядке:

  • - собирают рычаги выключения сцепления с опорными вилками; для этого в соответствующие отверстия рычагов кладут резиновые шарики диаметром 8,5 мм, после чего зазоры между шариками и стенками отверстий заполняют роликами игольчатых подшипников (в каждом подшипнике должно быть 19 роликов). Резиновые шарики необходимы для того, чтобы ролики при сборке не рассыпались.
  • - После установки роликов в отверстия рычагов вводят по одной - две капли масла, применяемого для смазки коробки передач;
  • - вставляют рычаги выключения сцепления с роликами в прорези опорных вилок, затем осторожно вставляют пальцы и зашплинтовывают их. Резиновые шарики при сборке выталкиваются пальцами наружу;
  • - таким же образом собирают нажимный диск с рычагами выключения сцепления;
  • - используя, как и при разборке, пресс, деревянную подкладку и брусок, собирают нажимной диск с кожухом, пружинами и теплоизоляционными шайбами. При этом нанесенные при разборке метки на диске и кожухе совмещают.

При сборке кожуха с отремонтированным диском под нажимные пружины в дополнение к теплоизоляционным шайбам ставят металлические шайбы, чтобы компенсировать уменьшение толщины диска и таким образом, сохранить усилие нажимных пружин (вместо постановки шайб под пружины можно произвести кольцевую проточку маховика под лапами нажимного диска, глубина проточки при этом должна равняться величине, на которую уменьшилась толщина нажимного диска после ремонта).

Регулировка положения рычагов выключения сцепления

После сборки регулируют положение головок рычагов выключения сцепления.

При отсутствии приспособления эту операцию можно провести, используя свободный маховик.

Для этого нажимный диск, собранный с кожухом, кладут на поверхность трения маховика.

Между нажимным диском и маховиком в трех местах помещают шайбы толщиной 10,2 мм и завертывают болты крепления кожуха к маховику.

При помощи регулировочных гаек оттяжных рычагов добиваются, чтобы размер от поверхности маховика до концов рычагов был равен 53 ± 0,75мм (рис. 6), а отклонение концов рычагов от одной плоскости было не более 0,3 мм;

- после этого раскернивают регулировочные гайки. Вместо шайб при регулировке можно использовать новый ведомый диск.

Ремонт ведомого диска сцепления

При большом износе (почти до заклепок) или повреждении фрикционных накладок ведомого диска накладки заменяют.

Заменять нужно одновременно обе накладки, так как разница в толщине накладок нарушит нормальную работу сцепления.

Чтобы снять изношенные или поврежденные накладки, следует высверлить и аккуратно выбить бородком заклепки крепления накладок к пластинчатым пружинам и диску.

Новые накладки приклепать так, чтобы глубина утопания заклепок была не менее 1,5 мм.

Биение диска с новыми накладками должно быть не более 0,7 мм при замере на радиусе 125 мм от центра диска.

Правка ведомого диска сцепления

Если биение диска будет больше допустимой величины, то при выключении сцепление будет «вести» (неполное выключение сцепления).

При необходимости ведомый диск правят при помощи оправки, показанной на рис. 7.

Установка дисков сцепления. Отремонтированные диски сцепления на автомобиль устанавливают в следующем порядке:

  • - в отверстие шарикового подшипника ведущего вала коробки передач, установленного в маховике, закладывают тугоплавкую смазку (консталин или смазку 1-13);
  • - протирают поверхности трения маховика и нажимного диска куском чистой ткани, слегка смоченной в бензине;
  • - заводят в картер, сначала ведомый диск, следя за тем, чтобы короткая часть его ступицы была обращена к маховику, затем вставляют нажимной диск, повернув одну из его опорных лап вниз и прижимая ее к маховику;
Оправка для установки ведомого диска сцепления
  • - центрируют ведомый диск по отношению к оси коленчатого вала двигателя. Для этого в шлицевое отверстие ступицы диска вставляют через заднее отверстие картера сцепления оправку, изображенную на рис. 8, так чтобы конец ее вошел в шариковый подшипник в маховике.
  • Для центрирования ведомого диска можно использовать свободный ведущий вал коробки передач;
  • - перед закреплением кожуха сцепления на маховике совмещают метки на маховике и кожухе, которые выбивают на заводе после совместной балансировки коленчатого вала с маховиком и сцеплением;
  • - постепенно затягивают все болты крепления кожуха к маховику;
  • - устанавливают коробку передач и нижнюю часть картера сцепления.

Ремонт привода выключения сцепления автомобиля ГАЗ-66

После разборки главного и рабочего цилиндров осмотреть их детали, а также детали кронштейна педалей.

Номинальные размеры и предельные размеры, до которых допустим износ деталей без ремонта, указаны в табл. 5.

Таблица 5. Номинальные и предельно допустимые без ремонта размеры деталей привода выключения сцепления

Диаметр отверстия главного цилиндра под поршень:

  • - номинальный размер - 22 +0,023 мм;
  • - допустимый размер - 22,085 мм

Наружный диаметр поршня главного цилиндра:

  • - номинальный размер - 22 -0,040 мм;
  • - допустимый размер - 21,810 мм

Диаметр отверстия рабочего цилиндра под поршень

  • - номинальный размер - 24 +0,023 мм;
  • - допустимый размер - 24,085 мм

Наружный диаметр поршня рабочего цилиндра

  • - номинальный размер - 24 -0,020 мм;
  • - допустимый размер - 23,840 мм

Внутренний диаметр втулки педали сцепления

  • - номинальный размер - 18 +0,105 мм;
  • - допустимый размер - 18,250 мм

Внутренний диаметр втулки оси толкателя

  • - номинальный размер - 14 +0,070 мм;
  • - допустимый размер - 14,210 мм

При обнаружении на зеркале главного или рабочего цилиндров задиров или царапин следует заменить цилиндр или прошлифовать и отхонинговать его до одного из ремонтных размеров, рекомендуемых в табл. 6 и 7.

Таблица 6. Ремонтные размеры деталей главного цилиндра привода выключения сцепления

Номинальный размер:

  • - диаметр цилиндра - 22 +0,023 мм;
  • - диаметр поршня - 22 -0,040 мм;
  • - диаметр рабочей кромки внутренней манжеты - 23±0,2 мм

Первый ремонтный размер:

  • - диаметр цилиндра - 22,25 +0,023 мм;
  • - диаметр поршня - 22,25 -0,040 мм;
  • - диаметр рабочей кромки внутренней манжеты - 23,5±0,2 мм

Второй ремонтный размер:

  • - диаметр цилиндра - 22,50 +0,023 мм;
  • - диаметр поршня - 22,50 -0,040 мм;
  • - диаметр рабочей кромки внутренней манжеты - 23,5±0,2 мм

При сборке допускается в главный цилиндр первого ремонтного размера устанавливать внутренние уплотнительные манжеты номинального размера.

Наружные уплотнительные манжеты номинального размера можно устанавливать для первого и второго ремонтных размеров.

В рабочий цилиндр первого ремонтного размера допускается устанавливать уплотнительную манжету номинального размера.

Таблица 7. Ремонтные размеры деталей рабочего цилиндра привода выключения сцепления

Выпуск до июня 1967 года:

  • - номинальный: диаметр цилиндра - 24 +0,023 мм, поршня - 24 -0,02 мм, рабочей кромки манжеты - 25 +0,20 мм;
  • - первый ремонт: диаметр цилиндра - 24,25 +0,023 мм, поршня - 24,25 -0,02 мм, рабочей кромки манжеты - 25,5 +0,20 мм;
  • - второй ремонт: диаметр цилиндра - 24,5 +0,023 мм, поршня - 24,5 -0,02 мм, рабочей кромки манжеты - 25,5 +0,20 мм

Выпуск с июня 1967 года:

  • - номинальный: диаметр цилиндра - 22 +0,023 мм, поршня - 22 -0,02 мм, рабочей кромки манжеты - 22,7 +0,20 мм;
  • - первый ремонт: диаметр цилиндра - 22,25 +0,023 мм, поршня - 22,25 -0,02 мм, рабочей кромки манжеты - 23,2 +0,20 мм;
  • - второй ремонт: диаметр цилиндра - 22,5 +0,023 мм, поршня - 22,5 -0,04 мм, рабочей кромки манжеты - 23,2 +0,20 мм

Сферические наконечники толкателей главного и рабочего цилиндров, а также сферические выемки в поршнях цилиндров и в упорной цапфе вилки сцепления должны быть гладкими, без рисок.

Наконечники толкателей должны сопрягаться с выемками поршней по пятну в центре сфер. Если касание происходит по кольцу, то сопряжение неправильно и может вызвать заедание толкателя, перекос и износ поршня.

Зачищая наждачной шкуркой сферу на толкателях, необходимо добиться, чтобы касание было не по кольцу, а по пятну.

Осмотреть торцы всех пластмассовых втулок и шайб кронштейна педалей, заусенцы на их торцах осторожно зачистить.

Проверить, не ослабли ли оттяжные и возвратные пружины.

Если пружины ослабли, заменить их.