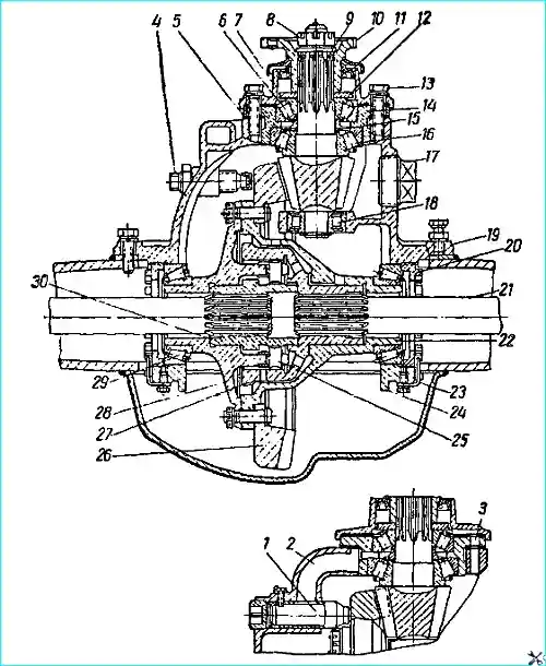
Устройство заднего моста автомобилей ГАЗ-53А и ГАЗ-66 показано на рис. 1 и 2.

Для повышения долговечности в мосты устанавливают главную передачу гипоидного типа. Ведущая шестерня относительно ведомой смещена вниз на 32 мм

Для предотвращения больших деформаций ведомой шестерни главная передача снабжена регулируемым упором.

Главная передача и дифференциал смонтированы в отдельный картер редуктора, который свободно вставляют в отверстие картера моста и закрепляют болтами.

Главная передача автомобиля ГАЗ-66: 1 - втулка; 2 и 3 - каналы; 4 - винт упора; 5 и 15 - регулировочные прокладки; 6, 16 и 29 - конические подшипники; 7 - крышка; 8 - гайка; 9 - вал ведущей шестерни; 10 - фланец; 11 - сальник; 12 - маслосгонное кольцо; 13 и 31 - болты; 14 - муфта; 17 - пробка; 18 - роликовый подшипник; 19 - картер редуктора; 20 - гайка; 21 - полуось; 22 - чашка дифференциала; 23 - стопорная пластина; 24 - крышка; 25 - сухарь; 26 - ведомая шестерня; 27 - наружная звездочка; 28 - сепаратор; 30 - внутренняя звездочка

Редукторы задних мостов автомобилей ГАЗ-53А и ГАЗ-66 отличаются только конструкцией дифференциала.

На автомобиле ГАЗ-53А применяется обычный конический дифференциал с четырьмя сателлитами, а на автомобиле ГАЗ-66 для повышения проходимости устанавливают самоблокирующийся кулачковый дифференциал, устройство которого показано на рис. 63.

В сепараторе 28 имеются расположенные в два ряда в шахматном порядке 24 радиальных отверстия, в которые установлены сухари 25.

Между рядами отверстий под сухари на наружной и внутренней поверхности сепаратора поставлены стопорные кольца, которые предотвращают проворачивание сухарей вокруг своих осей, а также удерживают их от выпадения из сепаратора при сборке дифференциала.

Наружная звездочка 27 свободно установлена в отверстие чашки 22, а внутренняя 30 в отверстиях сепаратор а и наружной звездочки.

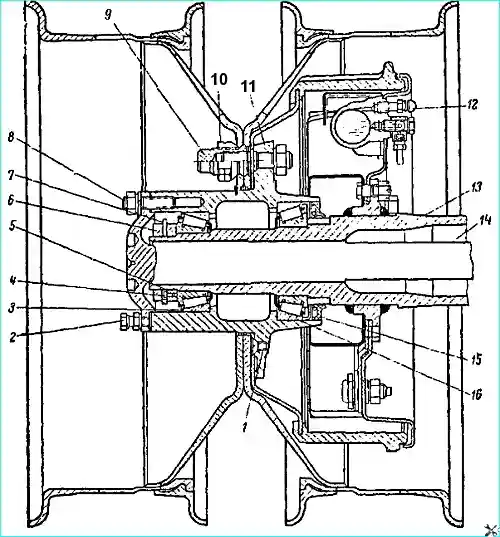
Ступица заднего колеса автомобиля: 1 - винт крепления тормозного барабана; 2 - болт демонтажа полуоси; 3 и 16 - подшипники ступицы; 4 - штифт стопорной шайбы; 5 - гайка подшипников ступицы; 6 - контргайка; 7 - стопорная шайба; 8 - шпилька крепления полуоси; 9 - внутренняя гайка крепления колес; 10 - наружная гайка крепления колес; 11 - ступица; 12 - перепускной клапан; 13 - картер заднего моста; 14 - полуось; 15 - сальник

Картер заднего моста автомобилей ГАЗ-53А и ГАЗ-66 состоит из двух штампованных половинок, сваренных по горизонтальной оси моста.

Такая конструкция обеспечивает простоту монтажа и демонтажа узла.

Цапфы колес на концах картера автомобиля ГАЗ-53 приварены встык, а на картере автомобиля ГАЗ-66 их крепят к картеру при помощи шпилек.

Техническое обслуживание заднего моста

Уход за задним мостом в процессе эксплуатации заключается в обеспечении своевременной смены смазки, контроле уровня смазки, проверке степени затяжки болтов крепления редуктора к картеру заднего моста и болтов крепления муфты подшипников вала ведущей шестерни, проверке состояния затяжки подшипников вала ведущей шестерни.

Зацепление регулируют только при постановке новых шестерен.

Неисправности заднего моста и способы их устранения

- Причины неисправности

Способы устранения

Повышенный шум заднего моста:

- Неправильная регулировка зацепления шестерен главной пары по контакту

для уменьшения шума произвести повторную регулировку

- Увеличенный боковой зазор в зацеплении ведущей и ведомой шестерен в результате износа их зубьев или подшипников

Заменять изношенные шестерни.

Регулировать положение шестерен для компенсации износа не следует, так как требуемый контакт в зацеплении ведущей и ведомой шестерен достигается только при одном их взаимном положении, в котором их обрабатывают на станках

- Ослабление затяжки подшипников вследствие износа и торцов деталей, которые затянуты вместе с подшипниками        

Затянуть подшипники

- Завышенное биение вала ведущей шестерни вследствие износа подшипников

Затянуть подшипники

- Неисправности в деталях дифференциала. В этом случае шум появляется при повороте автомобиля (некоторый шум на поворотах допускается)

Заменить неисправные детали

- При определении шума в заднем мосте нужно убедиться, что шум исходит именно из моста, так как аналогичный по характеру шум может появиться при повреждении подшипников ступицы заднего колеса.

При изменении характера дороги шум заднего моста не пропадает.

Шум изношенного подшипника ступицы хорошо прослушивается при движении автомобиля с небольшой скоростью и пропадает при слабом торможении.

Для выявления шума подшипника ступицы следует вывесить домкратом каждое колесо и при вращении колеса определить состояние подшипника.

Большой радиальный люфт ведущей шестерни:

- Износ шлицев полуоси (При трогании автомобиля с места и при резком приложении нагрузки во время движения автомобиля в заднем мосту прослушивается стук)

При сильном износе полуоси заменить ее

- Ослабление гаек крепления фланца полуоси

Затянуть гайки

- Увеличенный боковой зазор в зацеплении ведущей и ведомой шестерен главной передачи вследствие износа зубьев

Заменить изношенные детали

- Увеличенный боковой зазор между зубьями шестерен дифференциала ГАЗ-53А или между сухарями и кулачками дифференциала ГАЗ-66 вследствие износа зубьев и опорных шайб сателлитов и полуосевых шестерен (или износа сухарей и звездочек)

Заменить изношенные детали

- Ослабление затяжки болтов крепления ведомой шестерни в коробке сателлитов ГАЗ-5ЗА (или к сепаратору и чашке дифференциала ГАЗ-66)

Осмотреть состояние крепежных деталей и при отсутствии повреждений подтянуть болты; момент затяжки указан ниже

- Износ подшипников или нарушение их регулировки

Произвести требуемую регулировку

Течь масла через сальники ведущей шестерни и ступиц, а также по плоскости разъема картера редуктора и картера моста:

- Износ сальников. Износ поверхностей под сальники на фланце крепления вала ведущей шестерни и втулке сальника ступицы

Заменить изношенные сальники фланец и втулку

- Ослабление затяжки болтов крепления картеров редуктора и заднего моста

Затянуть болты (момент 10-12 кгм)

- Износ прокладки, установленной между привалочными поверхностями картеров редуктора и заднего моста 

Заменить прокладку

Задиры на зубьях шестерен главной передачи

- Неудовлетворительная смазка шестерен

Если шестерни не пригодны для дальнейшей работы, их необходимо заменить.

Залить в задний мост гипоидную смазку требуемого качества

- Чрезмерные ударные нагрузки

Заменить шестерни

Для устранения неисправностей может потребоваться разборка заднего моста. В зависимости от характера неисправности разборка может быть частичной или полной.