Для уменьшения усилия, прикладываемого к педали тормоза, между ней и главным тормозным цилиндром установлен двухкамерный вакуумный усилитель, срабатывающий от разрежения во впускной трубе двигателя
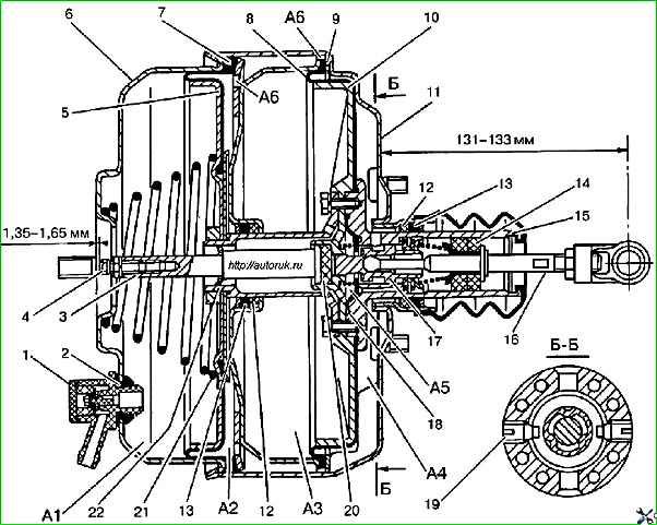
Усилитель состоит из корпуса 11, крышки корпуса 6, упорной крышки, в которые установлены поршни 5 и 10 с диафрагмами 7 и 8.
На резьбовом конце соединителя поршней 22 с помощью гайки крепится вторичный поршень 5, а к фланцевой части соединителя крепятся поршень 10 и диафрагма 18 с помощью шести болтов, которые ввертываются в корпус клапанов 15.
В корпусе 15 клапанов двумя винтами 19 фиксируется толкатель 16 с поршнем 17 и фильтром 14.
В поршне 10 установлена реактивная шайба 20, через которую на толкатель 3 передается суммарное усилие от толкателя 16, непосредственно связанного с педалью тормоза, и от обоих поршней усилителя.
Для обеспечения растормаживания системы необходим зазор между толкателем 3 и первичным поршнем главного тормозного цилиндра.
Зазор обеспечивается с помощью регулировочного болта 4.
Головка болта должна быть утоплена на 1,35—1,65 мм относительно привалочной плоскости крышки, к которой крепится фланец главного цилиндра.
Работа вакуумного усилителя
Разрежение, создаваемое при работе двигателя, через резиновый шланг и обратный клапан 1 передается в полость А1.
Поскольку полость А1 через центральное отверстие в соединителе 22 и отверстия во фланце соединителя и поршне 10 постоянно сообщается с полостями АЗ и А5, то в этих полостях также создается разрежение.
Когда педаль тормоза не нажата, полость А5 через зазор между диафрагмой 18 клапанов, поршнем 17 и радиальные отверстия соединителя 22 сообщается с полостью А4, которая, в свою очередь, через отверстия А6 в упорной крышке соединена с полостью А2.
Следовательно, во всех полостях А1, А2, АЗ, А4 и А5 усилителя создается разрежение.
Обратный клапан 1 удерживает в усилителе наибольшее разрежение, которое образуется при работе двигателя.
При нажатии на педаль тормоза поршень 17 под действием толкателя 16, связанного с педалью, касается диафрагмы 18 клапанов и прерывает сообщение полостей А1, АЗ, А5 с полостями А4 и А2.
Затем поршень 17, перемещая диафрагму 18, отрывает ее от седла на корпусе 15 клапанов,
В результате атмосферный воздух, прохода через фильтр 14, отверстия в корпусе 15, поступает к диафрагме 18 и далее через радиальные сверления в корпусе 15 клапанов — в полость А4 и через отверстия А6 в полость А2, то есть к поршням 5 и 10.
Атмосферный воздух поступает в полости А4 и А2 до тех пор, пока диафрагма 18 клапанов под воздействием реактивной шайбы 20 не сядет одновременно на седла поршня 17 и корпуса 15, перекрывая поступление воздуха.
Таким образом, через реактивную шайбу осуществляется следящее действие системы, т. е. усилие, создаваемое усилителем, прямо пропорционально усилию, прилагаемому водителем к педали тормоза.
При увеличении усилия на педаль поршень 17 сжимает реактивную шайбу 20, отодвигает диафрагму 18 от седла в корпусе 15 клапанов и дополнительное количество атмосферного воздуха вновь поступает к поршням 5 и 10, что увеличивает действие усилителя.
Усилие от ноги водителя и от поршней 5 и 10 усилителя через реактивную шайбу передается на толкатель 3 и далее — на поршни главного цилиндра.
При отпускании педали поршень 17 отходит от диафрагмы 18, позволяя ей переместиться на седло в корпусе 15.
В этом случае прекращается доступ атмосферного воздуха, а разрежение через образовавшийся торцовый зазор между поршнем 17 и диафрагмой 18 передается из полости А5 в полости А4, А2.
Полости А1, А2, АЗ, А4 и А5 вновь будут сообщаться между собой, а поршни под действием пружины 21 вернутся в исходное положение и торможение прекратится. Усилитель готов к новому торможению.
В случае остановки двигателя разрежение, сохраняемое в усилителе обратным клапаном, позволяет осуществить 2—3 эффективных торможения автомобиля.
При отсутствии вакуума в усилителе, на толкатель 3 будет воздействовать только усилие, прилагаемое водителем к педали тормоза.
Снятие вакуумного усилителя

Ослабить хомут 1 крепления и отсоединить шланг 3 от обратного клапана 2 вакуумного усилителя.
Снять главный цилиндр тормозов

Вынуть шплинт 1, отвернуть гайку 2 крепления, вынуть ось 5 и отсоединить толкатель 4 усилителя от рычага 3 усилителя тормозов, вынув при этом пластмассовые втулки 6.

Отвернуть четыре гайки 1 крепления и снять вакуумный усилитель 3 с кронштейна 2.
Проверка вакуумного усилителя
При повышении усилия на педаль тормоза необходимо проверить работоспособность вакуумного усилителя.
Нажать на педаль тормоза до упора несколько раз при неработающем двигателе и, удерживая педаль в нажатом положении, запустить двигатель.
При этом за счет перепада давления в полостях усилителя тормозная педаль должна переместиться вперед.
Если этого не происходит, проверить герметичность соединений шланга вакуумного усилителя и при необходимости устранить подсос воздуха.
Если и это не даст положительного результата, то усилитель неисправен и его необходимо заменить.
Чтобы проверить герметичность вакуумного усилителя, необходимо открыть капот и запустить двигатель на 1 мин.
Приблизительно через 30 с после того как двигатель был заглушен, нажать на тормозную педаль 2 раза, при этом должно прослушиваться характерное шипение входящего в усилитель воздуха. В противном случае усилитель заменить.
Продуть шланг с обратным клапаном с обоих концов. Воздух должен проходить только со стороны обратного клапана. В противном случае заменить обратный клапан.
Установка вакуумного усилителя

Устанавливают вакуумный усилитель в порядке, обратном снятию.
Перед установкой проверить зазор между торцом крышки вакуумного усилителя и регулировочным болтом1.
Зазор должен составлять 1,35—1,65 мм.
Если величина зазора отличается от указанной, отвернуть контргайку 2 и, вращая регулировочный болт 1, выставить требуемый зазор. После этого затянуть контргайку 2.