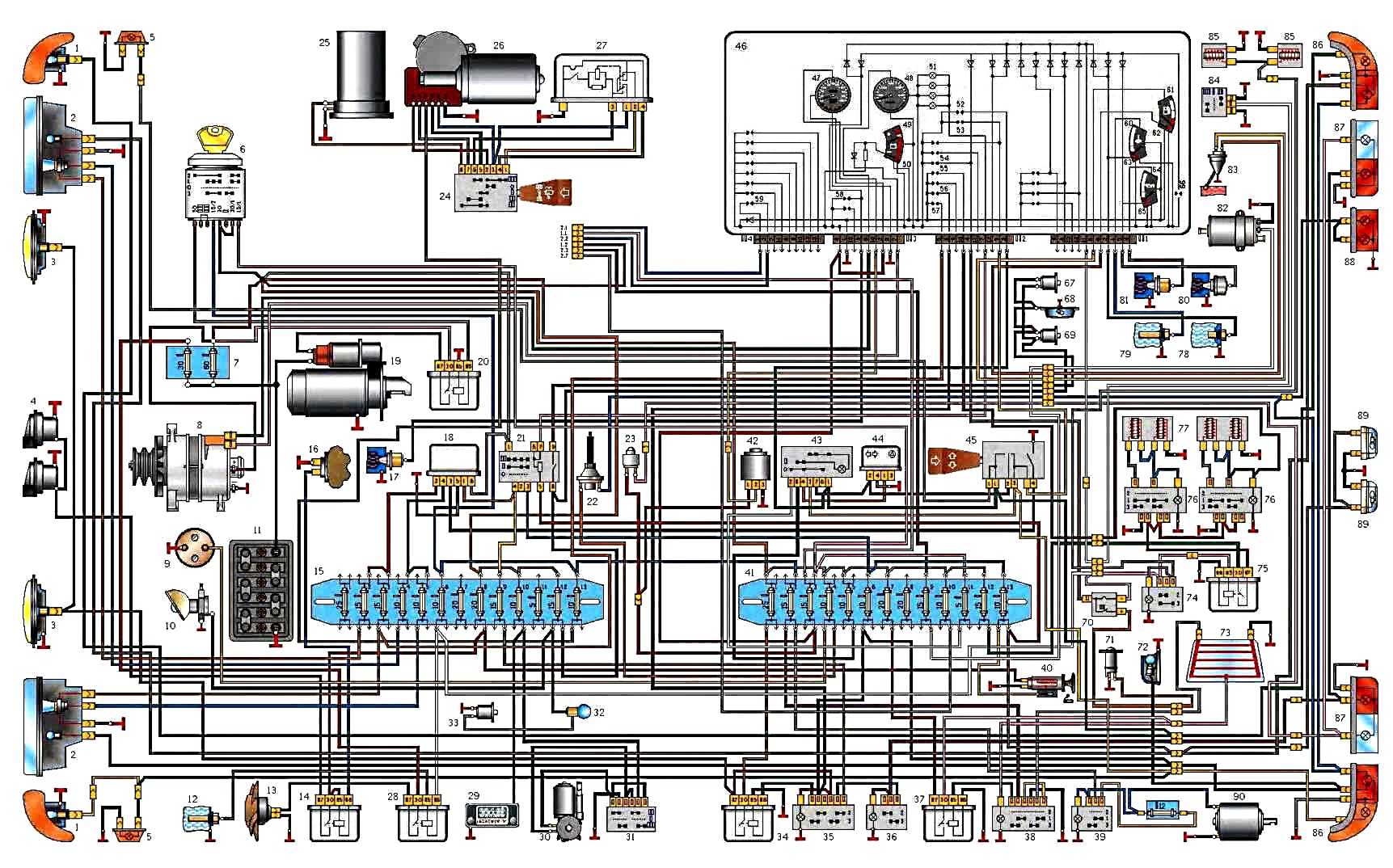
Схема электрооборудования ГАЗ-3110

Электрическая схема ГАЗ-3110: 1 – указатель поворота  2 – фара  3 – противотуманная фара  4 – звуковой сигнал  5 – боковой повторитель  6 – замок зажигания  7 – блок предохранителей в моторном отсеке  8 – генератор  9 – штепсельная розетка  10 – подкапотная лампа  11 – аккумуляторная батарея  12 – датчик включения электровентилятора  13 – электровентилятор  14 – реле звукового сигнала  15 – левый блок предохранителей  16 – выключатель звукового сигнала  17 – датчик падения уровня тормозной жидкости  18 – реле включения фар  19 – стартер  20 – реле стартера  21 – центральный переключатель света  22 – выключатель сигнала торможения  23 – выключатель света заднего хода  24 – переключатель стеклоочистителя  25 – электронасос стеклоомывателя  26 – электродвигатель стеклоочистителя  27 – реле стеклоочистителя  28 – реле электровентилятора  29 – радиоприемник  30 – электродвигатель антенны  31 – переключатель антенны  32 – лампа освещения вещевого ящика  33 – выключатель лампы освещения вещевого ящика  34 – реле противотуманных фар  35 – выключатель противотуманных фар  36 – выключатель ламп заднего противотуманного света  37 – реле обогрева заднего стекла  38 – переключатель обогрева заднего стекла  39 – переключатель вентилятора отопителя  40 – прикуриватель  41 – правый блок предохранителей  42 – датчик спидометра  43 – выключатель аварийной сигнализации  44 – реле-прерыватель указателей поворота  45 – переключатель указателей поворота  46 – комбинация приборов  47 – спидометр  48 – тахометр  49 – вольтметр  50 – контрольная лампа разряда аккумуляторной батареи  51 – лампа подсветки приборов  52 – контрольная лампа правого поворота  53 – контрольная лампа левого поворота  54 – контрольная лампа стояночного тормоза  55 – контрольная лампа обогрева сидений  56 – контрольная лампа габаритного света  57 – контрольная лампа дальнего света фар  58 – контрольная лампа падения уровня тормозной жидкости  59 – контрольная лампа КМСУД  60 – указатель температуры охлаждающей жидкости  61 – указатель уровня топлива  62 – контрольная лампа резерва топлива  63 – контрольная лампа перегрева охлаждающей жидкости  64 – указатель давления масла  65 – контрольная лампа аварийного падения давления масла  66 – дублирующая контрольная лампа  67 – выключатель плафона передней двери  68 – плафон освещения салона  69 – выключатель плафона задней двери  70 – прерыватель контрольной лампы стояночного тормоза  71 – выключатель контрольной лампы стояночного тормоза  72 – фонарь освещения багажного отделения  73 – элемент обогрева заднего стекла  74 – выключатель обогрева жиклеров стеклоомывателя  75 – реле обогрева сидений  76 – выключатель обогрева сидений  77 – элементы обогрева сидений  78 – датчик контрольной лампы перегрева охлаждающей жидкости  79 – датчик указателя температуры охлаждающей жидкости  80 – датчик контрольной лампы аварийного падения давления масла  81 – датчик указателя давления масла  82 – топливный насос  83 – датчик указателя уровня топлива  84 – выключатель системы диагностики контрольных ламп комбинации приборов  85 – жиклеры стеклоомывателя с электрообогревом  86 – задний фонарь на крыле  87 – задний фонарь на крышке багажного отделения  88 – дополнительный сигнал торможения  89 – фонарь освещения номерного знака  90 – электродвигатель вентилятора отопителя