Электрическая схема комплексной микропроцессорной системы управления двигателем (КМСУД)
Двигатель ЗМЗ–406 оборудован микропроцессорной системой зажигания, которая состоит из блока управления системами впрыска топлива и зажигания, двух катушек зажигания типов 30.3705 или 301.3705, свечей, высоковольтных и низковольтных проводов.
Блок управления установлен в салоне автомобиля с правой стороны под панелью приборов, за обивкой боковины кузова.
Катушки зажигания установлены на крышке головки блока цилиндров.
Блок управления получает сигналы от датчиков, установленных на двигателе, и на основе этого корректирует угол опережения зажигания, что позволяет получить оптимальные мощностные, экономические показатели и показатели токсичности.
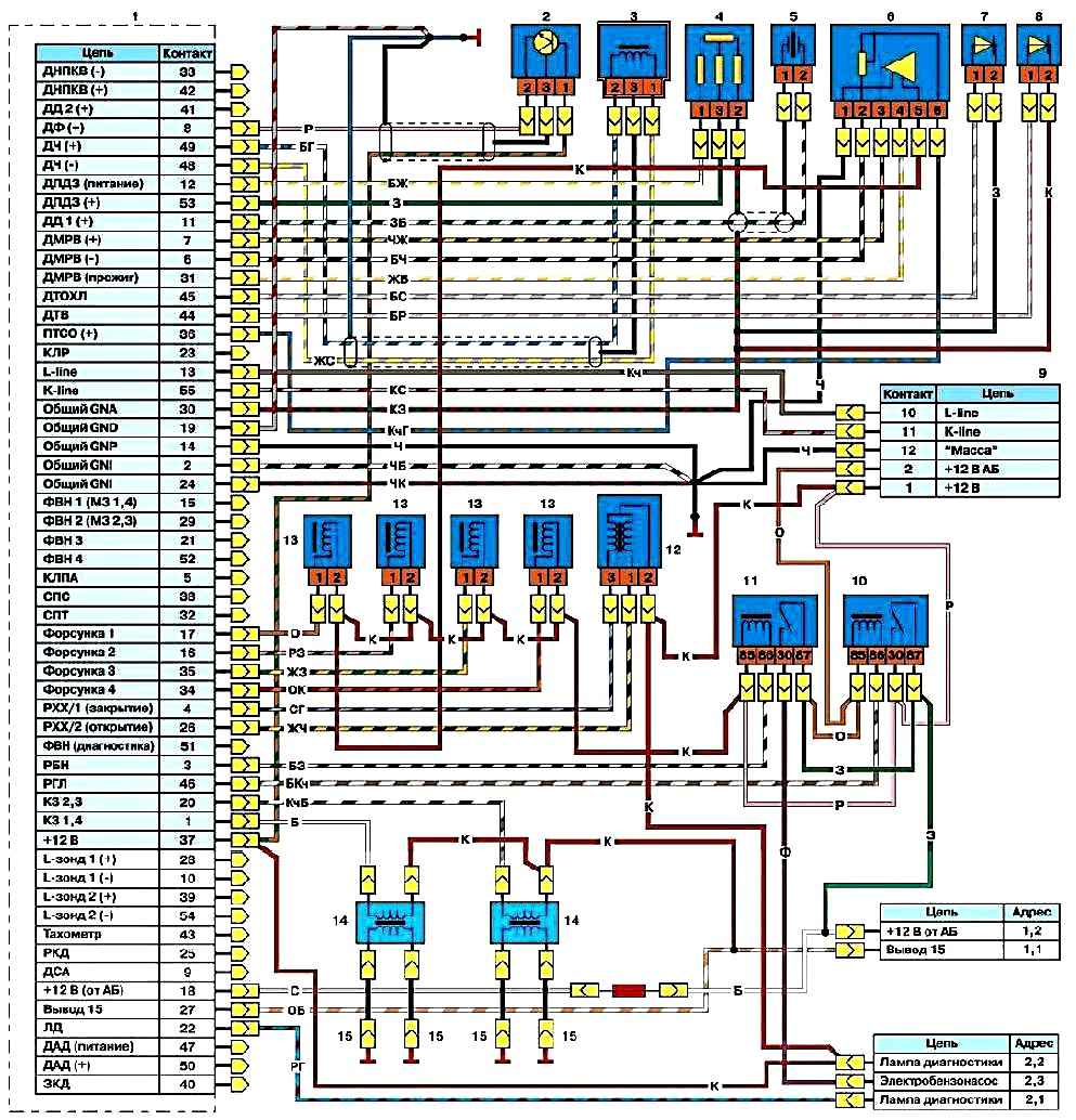
Электрическая схема системы управления двигателем приведена на рисунке 1.
Двигатели ЗМЗ–402 и ЗМЗ–4021 оборудованы бесконтактной системой зажигания, состоящей из транзисторного коммутатора, распределителя зажигания типа 19.3706, катушки зажигания типа Б116 или Б116–01, свечей и высоковольтных и низковольтных проводов.
Датчик-распределитель зажигания (1908.3706) – бесконтактный, с датчиком (генератором) управляющих импульсов и встроенным вакуумным и центробежным регуляторами опережения зажигания.
Датчик-распределитель выполняет две функции: задает момент искрообразования и распределяет импульсы высокого напряжения по цилиндрам в соответствии с порядком их работы.
Для этого служит бегунок, надетый на вал датчика-распределителя. В бегунке установлен помехоподавительный резистор*.
Коммутатор (1313734) размыкает цепь питания первичной обмотки катушки зажигания, преобразуя управляющие импульсы датчика в импульсы тока в катушке зажигания.
* На части датчиков вместо резистора установлена крышка с центральным угольным контактом.

Установку зажигания с двигателем ЗМЗ-402 можно посмотреть в статье : Установка зажигания ГАЗ-3110