Замки служат для удержания дверей в закрытом положении во время движения, на стоянке и при дорожно-транспортном происшествии

Замки дверей — автоматического действия, вильчатого типа

За счет зубьев ротора и кулачка обеспечивается полное закрытие двери (на основной зуб) и неполное закрывание двери (на предохранительный зуб).

При движении с неполностью закрытой дверью возникает стук, движение с неприкрытой дверью недопустимо.

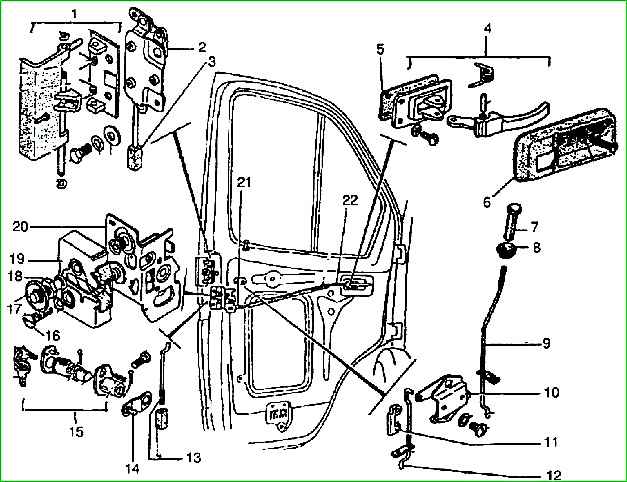
Замок передней двери (до февраля 2000 г.) и его приводы

До февраля 2000 г. на передних дверях устанавливались замки, конструкция которых показана на рисунке.

Замок состоит из трех частей: запорного механизма 19, рычажного механизма 20 и шипа фиксатора 18.

Замок можно отрыть снаружи и изнутри кабины, его можно заблокировать как снаружи, так и изнутри кабины при полностью закрытой двери.

Для открывания замка снаружи кабины служит наружная ручка 1 с приводом.

Если взяться за наружную ручку при незаблокированном замке и потянуть на себя, то дверь откроется.

При заблокированном замке наружная ручка имеет свободный ход. для открывания замка изнутри кабины служит внутренний привод 4.

Если ручку внутреннего привода повернуть (потянуть) на себя при незаблокированном замке и подтолкнуть дверь наружу, то она откроется.

При заблокированном замке ручка внутреннего привода имеет свободный ход.

Для блокировки замка снаружи служит выключатель замка 15, а изнутри — кнопка 7 выключения замка.

Заблокировать замок при открытой двери нельзя ни снаружи, ни изнутри кабины.

Наружная и внутренняя блокировки соединены друг с другом, и воздействие на один вид блокировки автоматически вызывает срабатывание другой.

Крепление запорного механизма требует проверки его надежности.

Если закрыть дверь с ослабленным креплением запорного механизма, дверь нельзя открыть ни снаружи, ни изнутри.

Для замены запорного механизма необходимо отвернуть два винта, снять механизм, заменить новым, установить его на дверь, проверить работу всех приводов и правильность закрывания двери, при необходимости проверить регулировку приводов и шипа* фиксатора.

* На левой задней двери устанавливается защелка.

Для регулировки шипа необходимо ослабить его крепление, переместить в нужном направлении и затянуть.

Замена наружной ручки или выключателя замка

  • - снять ручку стеклоподъемника (для передних дверей);
  • - снять розетку внутреннего привода 6
  • - снять поручень на двери;
  • - снять ограничитель открывания двери и зажим рычага ограничителя (для задней двери);
  • - снять обивку двери и противошумную прокладку;
  • - отвернуть болты крепления наружной ручки и заменить ручку;
  • - отогнуть шплинт крепления поводка выключателя и снять поводок;
  • - отвернуть винты крепления внутреннего привода и отвернуть тягу 12;
  • - отвернуть винты крепления запорного механизма, снять запорный механизм;
  • - переместить внутри двери рычажный механизм с присоединенными деталями в сторону монтажного люка и отсоединить наконечник тяги, вынуть внутренний привод и рычажный механизм с оставшимися деталями;
  • - отсоединить наружный привод, проверить его работу; детали привода должны свободно перемещаться, а трущиеся поверхности смазать машинным маслом;
  • - если рычажный механизм неисправен, заменить новым.

Сборку и установку деталей и узлов проводить в обратном порядке, проверяя по отдельности правильность выполненных регулировок и работу приводов.

Правильность работы привода проверяется при открытой двери после его установки, для чего с помощью отвертки перевести ротор запорного механизма из положения «открыто» в положение «закрыто» на два зуба (замок закрыт полностью), а затем повернуть соответствующий привод — наружный или внутренний.

Ротор должен переместиться из положения «закрыто» в положение «открыто».

При слабой пружине этого может не произойти, тогда при повернутом до упора приводе проверьте возможность свободного перемещения ротора с помощью отвертки, задевание при этом недопустимо.

Если этого не происходит, то необходимо навернуть наконечник наружного привода или тяги внутреннего привода на 2 оборота и проверить работу вновь.

После получения положительного результата проверить работу системы блокировки.

Для этого вновь при открытой двери перевести ротор запорного механизма из положения «открыто» в положение «закрыто» и нажать наконечник тяги 7 вниз, после этого ни наружный, ни внутренний привод не должны открывать замок.

Специального обслуживания замок и его приводы не требуют, при возрастании усилия в процессе эксплуатации шарниры необходимо смазать машинным маслом.

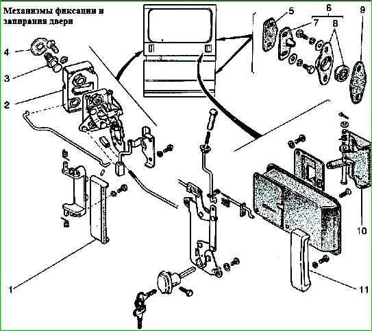
С февраля 2000 г. на передних дверях устанавливаются измененные замки повышенной надежности (за счет увеличения сцепления зубьев ротора и кулачка и повышения точности изготовления деталей) и пониженной шумности закрывания (за счет массового покрытия ротора и кулачка, фиксатора и материала основания запорного механизма).

Замок передней двери (после февраля 2000 г.) и его приводы

Замки изготавливаются по лицензии фирмы «Брано» (Чехия) и состоят из механизма запорного (наружная часть замка) 20, механизма рычажного (внутренняя часть замка) 21 и фиксатора замка 19.

Замок можно открыть снаружи и изнутри кабины, заблокировать при полностью закрытой двери снаружи и изнутри кабины.

Если взяться за наружную ручку при незаблокированном замке и потянуть на себя, дверь откроется.

При заблокированном замке наружная ручка имеет свободный ход.

Если ручку внутреннего привода повернуть (потянуть) на себя при незаблокированном замке и подтолкнуть дверь наружу, то дверь откроется.

При заблокированном замке ручка внутреннего привода имеет свободный ход.

Для блокировки замка снаружи служит выключатель замка 15, блокирующий замок ключами соответствующей серии, а изнутри — кнопкой 7.

Заблокировать замок при открытой двери нельзя ни снаружи, ни изнутри кабины.

Наружная и внутренняя блокировки соединены друг с другом; воздействие на один вид блокировки автоматически вызывает срабатывание другой.

Измененные замки дверей не взаимозаменяемы с замками старой конструкции по присоединительным размерам и по конструкции фиксатора.

Для замены запорного механизма необходимо отвернуть два винта, снять механизм, установить новый на дверь, проверить работу всех приводов и правильность закрывания двери, отрегулировать приводы и фиксатор замка.

Для регулировки фиксатора замка необходимо ослабить винты 17 крепления, переместить его в нужном направлении и затянуть (остальные операции по замене различных узлов аналогичны операциям с замком конструкции до февраля 2000 г.).

Замки боковой и правой двери задка, их наружный и внутренний привод, система блокировки по конструкции аналогичны системам замка передней двери конструкции до февраля 2000 г.

Замок, наружный и внутренний приводы замка, ограничитель вертикального перемещения задних дверей
Механизмы фиксации и запирания двери

Неисправности замков и устранение неисправностей

Причина неисправности - Способ устранения

Дверь не закрывается или закрывается только пои энергичном толчке

При установке шип фиксатора замка двери сдвинут внутрь кабины - Ослабить крепление шипа и выдвинуть его наружу на 1-2 мм

Неправильно выполнена регулировка наружного или внутреннего привода замка - Проверить по отдельности правильность регулировок наружного и внутреннего привода

Дверь не блокируется ни снаружи, ни изнутри автомобиля

Неправильно выполнены регулировки наружного или внутреннего привода - Выполнить по отдельности необходимые регулировки и проверить работу механизмов блокировки

Дверь не закрывается полностью (только на предохранительный зуб)

Буфер запорного механизма мешает перемещению ротора замка - Поставить ротор на место или заменить запорный механизм

Не работает наружная ручка двери

Сломан выступ наружной ручки - Наружную ручку заменить.

Треснул или сломался наконечник привода 3 - Заменить наконечник или привод.

Наружная ручка не возвращается в исходное положение после открывания

Заедают рычаги привода - Ослабить заклепки рычагов, смазать привод и проверить его работу, в случае плохого результата привод заменить.

Не работает запорный механизм замка

Затруднено перемещение (поворот) ротора и кулачка замка - Запорный механизм заменить