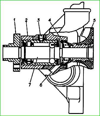
Водяной насос центробежного типа. Расположен и закреплён на крышке цепи
Подшипник валика 7 отделен от охлаждающей жидкости самоподтягивающимся сальником 4 неразборной конструкции, внутри которого расположены манжета и уплотняющая шайба
Жидкость, просачивающаяся через сальник, не попадает в подшипник, а вытекает наружу через контрольное отверстие 6, которое периодически надо прочищать.
Подшипник от перемещения удерживается фиксатором 3, который завёрнут до упора и закернен.
Подшипник заполняется смазкой при сборке, в процессе эксплуатации добавления смазки не требуется.
Ступица 1 и крыльчатка 5 напрессованы на валик подшипника.
Привод водяного насоса и генератора осуществляется поликлиновым ремнём. В процессе эксплуатации необходимо периодически проверять его натяжение.
Стрела прогиба «А» (рис. ) между шкивом 5 генератора и шкивом 7 водяного насоса при нажатии с усилием 8 даН (8 кгс) должна быть 15 мм.
Регулирование натяжения ремня производится натяжным роликом 2, снабжённым болтом крепления 3 и болтом перемещения 6.
Для регулировки натяжения ремня необходимо:
- - ослабить болт 3 крепления натяжного ролика;
- - болтом 6 перемещения установить ролик 2 в положение, обеспечивающее требуемое натяжение ремня;
- - затянуть болт крепления натяжного ролика;
- - проверить прогиб ремня.
Вентилятор* пластмассовый, шестилопастный, установлен на ступице шкива привода водяного насоса через резьбовую втулку с левой резьбой М24х1.
На автобусах на 6 пассажирских мест вместо вентилятора с ременным приводом устанавливается электровентилятор с автоматическим включением.
Снятие водяного насоса
Слить жидкость из системы охлаждения двигателя.
Снять радиатор.
Снять ремень привода генератора.
Для двигателя 4062

Отвернуть три болта 1, удерживая вал насоса от проворачивания отверткой 2, и снять отражатель 3 и шкив 4 водяного насоса.

Отвернуть штуцер 3 и отсоединить от насоса трубку 4.
Отвернуть болт 1 крепления насоса, ослабить затяжку хомутов 2.

Отсоединить отводящий шланг 1 радиатора от насоса, ослабив затяжку хомута 2.

Отвернуть болты 1 крепления и снять водяной насос 2 и прокладку водяного насоса.
Для двигателя ЗМЗ-402

Отвернуть четыре болта 1 и снять вентилятор 2 и шкив 3 вентилятора.

Отсоединить от водяного насоса шланг 2 слива жидкости из отопителя, ослабив затяжку хомута 1.
Отсоединить шланг 3 от насоса, ослабив затяжку хомута 4.

Отвернуть гайки 1 крепления и снять насос 2 с прокладкой насоса.
Разборка водяного насоса
Насосы, устанавливаемые на двигатели мод. 4062 и 402, аналогичны по конструкции.
Здесь показана разборка насоса двигателя мод. 4062.
У насоса двигателя мод. 402 нужно сначала отвернуть два болта и снять крышку насоса с прокладкой.
Далее порядок разборки обоих насосов одинаковый.

Снять с помощью съемника крыльчатку 1 насоса.
Крыльчатка отлита из пластмассы, но имеет металлическую ступицу, в которой нарезана резьба под съемник.

Съемником спрессовать ступицу 1 шкива насоса.
Вывернуть фиксатор 2 подшипника и выпрессовать подшипник с валиком насоса в сторону шкива.

Выпрессовать сальник 1 насоса.
Промыть и очистить от отложений детали насоса.
Осмотр деталей водяного насоса
Подшипник на валике насоса должен вращаться свободно, без заеданий, в противном случае заменить подшипник с валиком в сборе.
Если в подшипнике чувствуется большой люфт, заметны следы вытекания смазки из-под защитных колец или перекат шариков при вращении подшипника, его нужно заменить в сборе с валиком.
Осмотреть крыльчатку. Если на ней есть трещины, сколы и т.п., заменить.
Осмотреть сальник. Если на нем есть надрывы, трещины, резина потеряла упругость, поломана поджимная пружина, сальник заменить.
Сборка водяного насоса
Напрессовка ступицы шкива и крыльчатки водяного насоса

- А = (117,5±0,2) мм (двигатели мод. 402 и 4021);
- В = 0 / 0,2 мм (двигатели мод. 402 и 4021);
- С = 0,9 / 1,3 мм (двигатель мод. 4062)
Сборку насоса производят в порядке, обратном разборке.
При сборке насоса осмотреть прокладки, если на них есть надрывы или прокладки сильно обжаты, их необходимо заменить.
При запрессовке крыльчатки и ступицы упор должен быть на валик насоса.
При сборке насоса выдержать размеры, указанные на рисунке.
После заворачивания фиксатора подшипника нужно раскернить края отверстия так, чтобы часть металла вошла в шлиц фиксатора, чтобы исключить самоотворачивание.
Установку проводят в порядке, обратном снятию.