Снятие с автомобиля регулятора давления и его ремонт осуществляются в том случае, если регулировкой нельзя добиться правильной его работы

Для снятия регулятора необходимо:

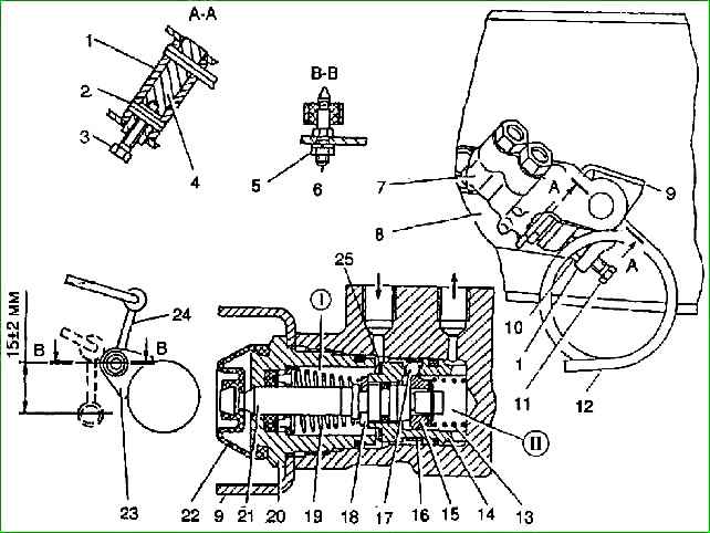
Рис. 1. Регулятор давления тормозов: C = 28-32 мм (для автобусов), 13-17 мм (для автофургонов); 1 - нажимной рычаг; 2 - штифт; 3 - фиксирующий болт; 4 - ось нажимного рычага; 5 - гайка; 6 - ось; 7 - корпус; 8, 9 - кронштейны регулятора; 10 - контргайка; 11 - регулировочный болт; 12 - нагрузочная пружина; 13 - пружина; 14 - гильза поршня; 15 - управляющий конус; 16 - прижимная пружина; 17 - шарик; 18 - упорная скоба; 19 - возвратная пружина; 20 - втулка; 21 - поршень; 22 - защитный чехол; 23 - кронштейн моста; 24 - стойка; 25 - пружинная шайба

Разборку регулятора давления - необходимо производить в следующем порядке:

  • - вывернуть болт 3, вынуть упорный штифт 2 и освободить конец нагрузочной пружины 12.

Вынуть ось 4 и снять нажимной рычаг 1, не нарушая при разборке положения регулировочного болта 11;

  • - снять защитный чехол 22,
  • - вывернуть втулку 20 крепления корпуса регулятора;
  • - вынуть возвратную пружину 19 и пружинную шайбу, а затем за хвостовик извлечь поршень 21 с гильзой 14 и вынуть пружину 13;
  • - снять с гильзы прижимную пружину 16 и вынуть шарик 17 из гнезда гильзы;
  • - снять стопорную шайбу управляющего конуса 15, плоскую и пружинную шайбу и затем управляющий конус.

Поршень следует вынимать из гильзы тогда, когда это необходимо для замены неисправных деталей.

После разборки детали регулятора следует промыть в спирте или чистой тормозной жидкости, внимательно осмотреть, заменить дефектные детали, обильно смазать свежей тормозной жидкостью и собрать в обратной последовательности.

Возможной причиной неисправности регулятора может быть недостаточная герметичность шарикового клапана.

В таком случае легкими ударами молотка через медную или алюминиевую оправку следует подчеканить углубление в гильзе регулятора шариком.

Работоспособность регулятора после сборки следует проверить на специальном стенде с манометрами на входе и выходе регулятора и устройством, создающим давление.

Давление жидкости на выходе из регулятора давления должно быть примерно в 2,8 раза ниже давления на входе.

При проверке, не сбрасывая указанного давления жидкости, плавно нажать на нагрузочную пружину 12 для создания усилия на поршне 21.

При этом давление на выходе должно возрастать, что указывает на правильную работу регулятора.

При создании определенного усилия давление на входе и выходе должно уравняться.

Проверенный регулятор установить на автомобиль и провести регулировку привода.

После установки регулятора прокачать систему и произвести проверку на дороге