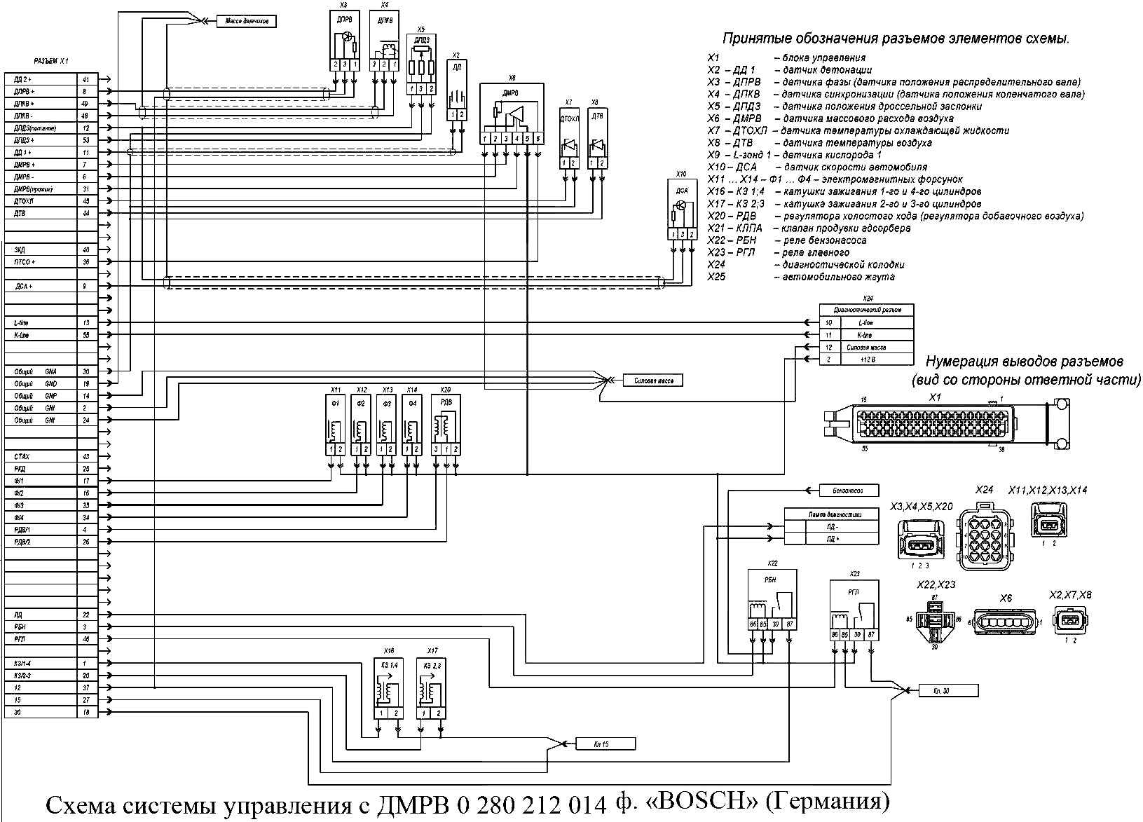
Схема системы управления двигателем с ДМРВ 0 280 212 014 ф. "BOSCH"
Схемы систем управления двигателем ЗМЗ-405 могут отличаться в зависимости, какой установлен датчик массового расхода воздуха
На автомобиль могут быть установлены датчики трех типов:
- - ДМРВ 0 280 212 014 ф. «BOSCH» (Германия);
- - ДМРВ HFM62C/11 ф. «Siemens» (Германия) или 20.3855;
- - ДМРВ HFM-4,7 0 280 218 037 ф. «BOSCH» (Германия);
В этой статье рассмотрена схема системы управления двигателем с датчиком массового расхода воздуха типа - ДМРВ 0 280 212 014 ф. «BOSCH» (Германия)