Генератор работает совместно с бесконтактным транзисторным регулятором напряжения 13.3702-01

На части автомобилей может быть установлен регулятор напряжения 50.3702

Измерительным элементом регулятора является стабилитрон VI, управляющий транзисторами.

Выходной транзистор изменяет ток (среднее значение) в цепи обмотки возбуждения генератора и тем самым поддерживает напряжение генератора в заданных пределах.

Техническая характеристика регулятора напряжения

Схема подключения регулятора напряжения 13.3702-01 к генератору

Регулируемое напряжение должно быть 13,8-14,5В при частрте вращения генератора от 2800 до 12 000 мин -1 , нагрузке от 5 до 40 А; температуре от –20 до +80° С.

Падение напряжения на выводах «Ш» и «–» регулятора при токе 4 А в цепи обмотки возбуждения и температуре 20° С не более 1,6 В.

Регулятор напряжения имеет защиту от возможного короткого замыкания в цепи обмотки возбуждения.

Техническое обслуживание и ремонт

Техническое обслуживание регулятора напряжения заключается в проверке его параметров.

Проверка может производиться непосредственно на автомобиле или на стенде.

Для проверки необходимо иметь вольтметр постоянного тока со шкалой до 20—30 В и ценой деления 0,1—0,2 В.

При средней частоте вращения двигателя (1700-2000 мин -1) включить ближний свет и на этом режиме произвести замер напряжения.

Напряжение на выводе «+» регулятора напряжения должно быть 13,8-14,5 В при температуре регулятора 20° С.

Если при проверке регулятора напряжения показание вольтметра не укладывается в указанные выше пределы, регулятор напряжения следует заменить.

Для нормальной работы системы генератора и регулятора напряжения очень важное значение имеет состояние электропроводки между генератором, регулятором напряжения и аккумуляторной батареей, а также надежность их соединения с корпусом.

Поэтому, прежде чем отыскать неисправности в работе генератора или регулятора напряжения, необходимо тщательно проверить состояние указанной электропроводки и правильность подключения проводов.

Дефекты, обнаруженные при проверке проводки (обрывы проводов, нарушение изоляции, короткие замыкания, загрязнение наконечников и т. д.), должны быть устранены.

Отсутствие зарядного тока может быть вызвано срабатыванием электронной защиты регулятора напряжения в случае короткого замыкания в цепи обмотки возбуждения генератора.

После устранения короткого замыкания работа регулятора автоматически восстанавливается.

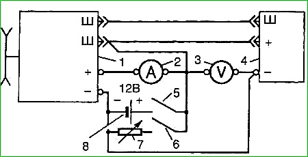
Схема проверки падения напряжения в регуляторе напряжения: 1 - регулятор напряжения; 2, 3 - выключатели; 4 - указатель тока; 5 - резистор; 6 - аккумуляторная батарея; 7 - вольтметр

Ремонт и регулировка регулятора напряжения должны производиться квалифицированными специалистами.

Для этого необходим испытательный стенд Э242 или изготовить стенд, оборудованный электродвигателем для вращения генератора 161.3701 с плавным изменением частоты до 3000 мин -1 , аккумуляторную батарею, резистор (ламповый или проволочный) для создания токовой нагрузки до 20 А и прибор для проверки полупроводниковых приборов.

Схема проверки регулятора напряжения: 1 - генератор; 2 - указатель тока; 3 - вольтметр; 4 - регулятор напряжения; 5, 6 - выключатели; 7 - нагрузочный резистор; 8 - аккумуляторная батарея

Схема простейшего стенда для проверки регулятора напряжения показана на рис. 3.

Для проверки необходимо включить выключатель 5 и плавно увеличить частоту вращения генератора до 3000 мин -1.

Затем включить выключатель 6 и резистором 7 создать нагрузку 20 А по указателю тока 2.

Напряжение, регулируемое регулятором, будет показывать вольтметр 3.

Если при проверке на стенде регулятор напряжения дает завышенное или заниженное напряжение, подбором резистора R1 (см.рис) добиться регулируемого напряжения в пределах 13,8-14,5 В при температуре регулятора 25° С.

Если регулятор не обеспечивает нормального возбуждения генератора, проверьте величину падения напряжения на выводах «Ш» и «–» регулятора напряжения при токе в цепи обмотки возбуждения 4 А.

Падение напряжения не должно превышать 1,6 В. Чрезмерное падение напряжения указывает на неисправность регулятора.

Перед включением выключателя резистор 5 должен иметь сопротивление 4 Ом.

После установления тока 4 А по указателю тока 4 включить выключатель 3.

Вольтметр 7 должен показывать напряжение не более 1,6 В.

Если регулятор не регулирует напряжение генератора, то в первую очередь необходимо проверить стабилитрон, а затем остальные полупроводниковые приборы.

Если регулятор не обеспечивает нормальное возбуждение генератора (в цепь обмотки возбуждения ток не поступает), то в первую очередь необходимо проверить выходной транзистор и при необходимости остальные. Неисправные полупроводниковые приборы подлежат замене.