С сентября 2004 года ОАО «Автодизель» перешел на комплектование двигателей ЯМЗ, соответствующих требованиям Евро-1 и Евро-2 приводами вентилятора, оборудованными электромагнитным включателем

Включатель электромагнитный

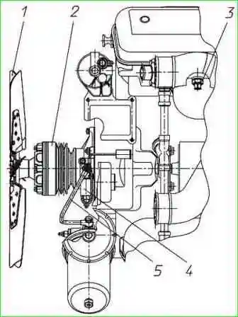
Особенности работы электромагнитного включателя (рис. 1-4) заключаются в том, что от термореле, расположенного на правом водяном коллекторе, поступает электрический сигнал к электромагнитному клапану, который устанавливается непосредственно на корпусе привода вентилятора и управляет поступлением масла в муфту привода.

Соединение клапана с корпусом уплотняется паронитовой прокладкой.

Расположение деталей привода вентилятора с электромагнитным клапаном на двигателе: 1 - вентилятор; 2 - муфта привода; 3 - термореле; 4 - электромагнитный клапан; 5 - трубка подвода масла

С августа 2007 года подача масла к электромагнитному клапану осуществляется от корпуса масляного фильтра через трубку подвода масла 5 (рис. 1).

Клапан электромагнитный КЭМ32-23

Конструкция электромагнитного клапана (рис. 2) обеспечивает необходимое давление масла при включении вентилятора, а также предусматривает регламентируемую подачу масла в выключенном состоянии через специальный самоочищающийся жиклер для обеспечения смазки подшипников привода.

При отсутствии напряжения на контактах штекерной колодки электромагнитный клапан находится в закрытом положении.

При подаче напряжения 24 В клапан открывается.

Управление работой электромагнитного клапана осуществляется трехпозиционным переключателем, расположенным в кабине водителя.

Схема включения муфты вентилятора электрическая, принципиальная

При включении вентилятора на пульте водителя загорается контрольная лампа (см. схему рис. 3).

Схема включения муфты вентилятора электрическая, принципиальная (рис. 11) включает следующие элементы:

Обозначение элемента - наименование - (количество)

  • BK - термореле 661.3710-01 - (1)
  • Y - электромагнитный клапан КЭМ 32-23* - (1);
  • HL - контрольная лампа - (1);
  • SA - переключатель 51.3709** - (1);
  • VD1 VD2 - Диод Д247А** - (2);
  • K - Реле 11.3747** - (1)

 * – Привод вентилятора комплектуется электромагнитным клапаном КЭМ 32-23 при напряжении бортовой сети 24 В.

** – Схема электрическая принципиальная, поэтому она может видоизменяться, в том числе могут быть применены другие комплектующие, которые выбираются предприятиями потребителями силовых агрегатов.

Функции элементов схемы электрической принципиальной:

Термореле
  • Переключатель SA находится в кабине.
  • Переключатель SA имеет три положения:
  • «Выключено» – вентилятор выключен независимо от температуры двигателя.
  • «Включено» – вентилятор включен независимо от температуры двигателя.
  • «Автомат» – вентилятор включается от термореле в зависимости от температуры двигателя.
  •  HL – лампа контрольная, включается при работе вентилятора.

При выходе из строя электрической части системы управления вентилятором (обрывы обмотки электромагнита, проводов и т.п.) конструкцией электромагнитного клапана КЭМ 32-23 предусмотрено принудительное включение вентилятора с помощью механического дублера.

Открытие клапана производится закручиванием винта дублера до упора.

При изменении режимов работы вентилятора трехпозиционным переключателем, расположенным в кабине водителя, винт механического дублера должен быть вывернут до упора.

Внимание! При работе вентилятора в автоматическом режиме (вентилятор включается от электрического сигнала термореле в зависимости от температурного режима) винт ручного дублера должен быть ввернут до упора.

Электромагнитный клапан КЭМ 32-23М

С сентября 2006 года ОАО «Автодизель» комплектует двигатели ЯМЗ, соответствующие требованиям экологических нормативов Евро-1 и Евро-2, приводами вентилятора, оборудованными электромагнитным клапаном КЭМ 32-23М, который конструктивно выполнен аналогично клапану КЭМ 32-23, с целью повышения эффективности его работы по исключению засорения в корпусе клапана размещен постоянный магнит для улавливания металлических частиц.

В процессе эксплуатации техническое обслуживание электромагнитного клапана не требуется, при необходимости допускается очистка магнита от металлических частиц.