Двигатели комплектуются фрикционным приводом вентилятора, предназначенным для включения и выключения вентилятора в зависимости от условий эксплуатации

Применение фрикционного привода позволяет:

Обеспечить оптимальный тепловой режим двигателя.

Снизить расход топлива за счет снижения потерь мощности на работу вентилятора.

Повысить надежность шестеренчатого привода двигателя за счет снижения динамических нагрузок на шестерни.

Обеспечить бродоходимость автомобиля без снятия вентилятора.

Сократить время прогрева двигателя.

Улучшить комфортабельность за счет поддержания надлежащего микроклимата в кабине и снижения шумности.

Привод вентилятора: 1 - манжета; 2 - крышка; 3 - подшипник; 4 - диск ведомый; 5 - диск ведущий; 6 - прокладка; 7 - пружина отжимная; 8 - кольцо упорное; 9 - трубка черпательная; 10 - винт; 11 - втулка распорная; 12 - кольцо уплотнительное; 13 - манжета; 14 - корпус; 15 - подшипник; 16 - фланец упорный; 17 - шестерня; 18 - вал ведущий; 19 - болт; 20 - шайба; 21 - втулка; 22 - втулка распорная; 23 - подшипник; 24 - шкив; 25 - вал ведомый; 26 - подшипник; 27- обойма нажимная; 28 - кольцо уплотнительное; 29 - кольцо уплотнительное; 30 - поршень; 31 - упор поршня; 32 - пружина нажимная, 33 - болт; 34 - ступица вентилятора.

Устройство и работа привода вентилятора

Системы привода вентилятора могут быть выполнены с включателем механического типа (в запасные части для двигателей выпуска до 2003 г.) или с электромагнитным управлением (двигатели выпуска с 2003 г.) и поэтому имеют ряд конструктивных отличий.

Устройство и работа привода вентилятора с включателем механического типа

Фрикционный привод может работать в трех режимах: автоматическом, постоянно включенным и постоянно выключенном.

Управление вентилятора осуществляется с помощью выключателя.

Вентилятор при неработающем двигателе находится в отключенном состоянии.

После пуска двигателя крыльчатка вентилятора может вращаться за счет трения в подшипниках и других сопрягаемых деталях дисковой муфты с частотой 200÷500 об/мин.

При достижении температурного состояния двигателя близкого к высшему оптимальному (+85˚-+93˚ С) масло от включателя под давлением поступает в штуцер 13 (рис. 1) корпуса 14.

Далее через отверстие в корпусе, радиальные отверстия во втулках 10 и 22 попадает в осевое отверстие ведущего вала 18, а оттуда к поршню 30.

Поршень начинает перемещаться, передавая усилия через пружины 32 на обойму, которая давит на диски 4 и 5, выбирая зазоры между ними.

После сжатия ведущих и ведомых дисков ведомый вал 25 с крыльчаткой начинает вращаться с рабочей частотой.

После того как, температурное состояние двигателя достигнет значения близкого к низшему оптимальному, включатель прекращает подачу масла.

Масло, находящееся под поршнем 30, под действием центробежных сил, а также пружин 7, 32 через дренажные отверстия по специальным каналам перемещается во внутреннюю полость передней крышки 2 и шкива 24.

С помощью черпательной трубки 9 и далее по каналам в корпусе масло попадает в картер двигателя.

По мере освобождения полости под поршнем 30 от масла он перемещается под действием пружин 7 и 32.

Диски фрикционного привода расходятся и вентилятор отключается.

Включатель механического типа: 1 - крышка корпуса; 2 - пружина возвратная; 3 - кольцо уплотнительное; 4 - шайба; 5 - золотник; 6 - пружина золотника; 7 - толкатель; 8 - поршень датчика; 9 - кольцо уплотнительное; 10 - шайба регулировочная; 11 - кольцо уплотнительное; 12 - датчик; 13 - гайка; 14 - шток фиксатора; 15 - шайба; 16 - пробка; 17 - пружина фиксатора; 18 - шарик; 19 - корпус; 20 - рычаг крана; 21 - пружина; 22 - шарик; 23 - кольцо; 24 - пробка крана; 25 - трубка отводная; 26 - трубка подводящая

Включатель механического типа (рис. 2) совмещен с термодатчиком и ручным переключателем режимов и устанавливается на водяную трубу двигателя.

Включатель служит для управления муфтой фрикционного привода. Режим его работы устанавливается с помощью ручного переключателя 20, имеющего три положения:

  • - положение «А» - автоматическое;
  • - положение «В» - постоянно включено;
  • - положение «О» - постоянно выключено.

Масло из центрального масляного канала блока по подводящей трубке 29 поступает во включатель.

При положении рычага "В" масло беспрепятственно проходит через выключатель и по отводящей трубке 25 поступает в привод, включая его.

При положении рычага ″О″ масло в привод не поступает. Привод отключен.

При положении рычага ″А″ включение и выключение фрикционного привода происходит автоматически в зависимости от температуры охлаждающей жидкости двигателя.

При температуре охлаждающей жидкости свыше +70ºС поршень 8 датчика 12 выталкивается из корпуса в результате объемного расширения наполнителя датчика.

Поршень 8, упираясь в толкатель 7, поднимает его, одновременно сжимая пружину 6 золотника 5.

Золотник выключателя 5 остается неподвижным, т.к. удерживается шариком 18 фиксатора 14.

При температуре охлаждающей жидкости около +85ºС толкатель 7 касается золотника 5, шарик 18 выходит из фиксирующей канавки, золотник 5 резко передвигается в сторону движения толкателя 7.

Шарик 18 попадает в другую фиксирующую канавку, золотник 5 останавливается и занимает положение, при котором полость, в которую подводится масло, соединяется с полостью, отводящей масло.

По трубке масло поступает к фрикционному приводу вентилятора.

По мере снижения температуры охлаждающей жидкости поршень датчика 8 начинает двигаться в датчик 12 под действием пружины 6.

При температуре охлаждающей жидкости +70ºС происходит обратное перемещение золотника 5, который перекрывает подводящую и отводящую полости, прекращая доступ масла к приводу. Привод при этом отключается.

Внимание! При подготовке к преодолению брода необходимо включатель привода вентилятора установить в положение «О» (постоянно выключено).

Устройство и работа привода вентилятора с электромагнитным включателем

 Схема включения муфты вентилятора электрическая, принципиальная

Устройство и принцип работы фрикционной муфты привода вентилятора аналогичны предыдущему, но конструктивное исполнение ряда деталей имеет особенности.

Включатель электромагнитный

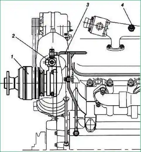
Расположение деталей привода вентилятора с электромагнитным клапаном на двигателе: 1 - муфта привода; 2 - электромагнитный клапан; 3 - трубка подвода масла; 4 - термореле

Особенности работы электромагнитного включателя (рис. 3-7) заключаются в том, что от термореле, установленного на правом водяном коллекторе, поступает электрический сигнал через реле к электромагнитному клапану, который управляет поступлением масла в муфту привода.

Термореле

Переключатель режимов работы привода в этом случае находится в кабине и управляет работой электромагнитного клапана также электрическим сигналом.

Схема включения муфты вентилятора электрическая, принципиальная (рис. 3) включает следующие элементы:

  • - ВК Термореле 661.3710-01;
  • - Y Электромагнитный клапан КЭМ 32-20*;
  • - HL Контрольная лампа;
  • - SA Переключатель 51.3709**;
  • - VD1, VD2 Диод Д247А**;
  • - K Реле 11.3747**

* – Привод вентилятора комплектуется электромагнитным клапаном КЭМ 32-20 при напряжении бортовой сети 24 В.

Клапан электромагнитный КЭМ32-20

** – Схема электрическая принципиальная, поэтому она может видоизменяться, в том числе могут быть применены другие комплектующие, которые выбираются предприятиями потребителями силовых агрегатов.

Функции элементов схемы электрической принципиальной:

  • 1. Переключатель SA находится в кабине.
  • 2. Переключатель SA имеет три положения:
  • «Выключено» – вентилятор выключен независимо от температуры двигателя.
  • «Включено» – вентилятор включен независимо от температуры двигателя.
  • «Автомат» – вентилятор включается от термореле в зависимости от температуры двигателя.
  • 3. HL – лампа контрольная включается при работе вентилятора.

Ремонт привода вентилятора

Снятие и разборка привода

  • 1. Отвернуть болты крепления и снять крыльчатку вентилятора.
  • 2. Ослабить крепление натяжных устройств ремня пневмокомпрессора и ремня генератора, снять ремни со шкива привода вентилятора.
  • 3. Отсоединить провода подачи напряжения к электромагнитному клапану, демонтировать трубку подвода масла, вывернув болт ее крепления из штуцера клапана, и, отвернув болты крепления, снять клапан вместе с прокладкой с привода вентилятора.
  • 4. Отвернуть болты и гайки крепления, аккуратно, не повредив прокладку, снять с двигателя привод вентилятора.
  • 5. Отвернуть болты крепления и снять с привода крышку 2 (см. рис. 1) в сборе со ступицей и ведомым валом 25, извлечь из ведущего вала 18 пакет ведущих и ведомых дисков 4 и 5, а также поршень 30 в сборе с упором 31 и нажимной обоймой 27.
  • 6. Зафиксировать шестерню привода 17 от проворота, отвернуть гайку ее крепления.

Используя любой подходящий съемник, спрессовать шестерню с ведущего вала.

7. Выпрессовать ведущий вал. При этом шкив 24 должен быть зафиксирован в осевом направлении в избежании поломки черпательной трубки 9.

После этого извлечь из корпуса привода 14 внутреннюю обойму заднего подшипника 15 и внутреннюю распорную втулку 11 вместе с уплотнительными кольцами 12.

8. Вывернуть винты крепления 10, снять черпательную трубку и шкив привода компрессора и генератора.

Выпрессовка распорной втулки: 1 - сухарь (2 шт.); 2 - вставка

9. Отвернуть болты крепления 19 упорного фланца 16, выпрессовать наружную распорную втулку 21 и наружную обойму заднего подшипника.

В избежании передачи осевого усилия через сепаратор переднего подшипника, выпрессовку необходимо проводить с помощью специального приспособления, как показано на рис. 10 и 11.

После этого извлечь из корпуса передний подшипник.

Установка распорных втулок в корпус привода вентилятора

Сборка привода вентилятора

Сборку привода вентилятора необходимо осуществлять в обратной последовательности. При этом должны соблюдаться следующие требования:

  • 1. Перед сборкой все манжеты, резиновые и металлические уплотнительные кольца, а также подшипники должны быть смазаны дизельным маслом.
  • 2. Запрессовку переднего сферического подшипника в корпус необходимо производить с помощью оправки, не допускающей перекоса внутренней обоймы относительно наружной, а также передачи осевого усилия через сепаратор.
  • 3. Установку распорных втулок в корпус привода необходимо проводить, как показано на рисунке, чтобы обеспечить совпадение маслоподводящих отверстий.
  • 4. При сборке пакета фрикционных дисков чередование ведущих и ведомых дисков должно быть таким, как показано на рис. 1. При этом ведущие диски необходимо устанавливать так, чтобы направление отжимных усов было против часовой стрелки, если смотреть на привод со стороны ступицы вентилятора.
  • 5. При сборке привода вентилятора необходимо обеспечить затяжку контролируемым моментом следующих резьбовых соединений:
  • – болтов упорного фланца 1,8-2,0 Нм (18-20 кгс·м);
  • – винтов черпательной трубки 0,5-0,8 Нм (4,9-7,8 кгс·м);
  • – болтов крышки привода 2,0-2,5 Нм (19,61-24,51кгс·м);
  • – гаек шестерни и ступицы 16-20 Нм (156,9-196,1кгс·м).
Приспособление (материал - сталь)

Во время сборки привода вентилятора на заходную часть резьбы гайки шестерни необходимо нанести герметик УГ-9 ТУ 2257-407-00208947-2004 или УГ-10 ТУ 2257-408-00208947-2004.

Ржавчина, масляные и другие загрязнения в резьбовом соединении не допускаются.

У собранного привода вентилятора вращение шкива относительно корпуса должно быть свободным, без заеданий.

Вращение ступицы вентилятора относительно неподвижных корпуса и шкива также должно быть свободным, без заеданий.