Проверка и замена амортизаторов двигателя Ford Taurus

1 Подвеску двигателя можно осмотреть, не снимая его с автомобиля.

2. Отсоедините минусовой провод аккумулятора

З. Поднимите автомобиль и надежно установите его на стойках

4 Подведите домкрат под двигатель, для защиты масляного поддона используйте деревянный брусок.

5 Слегка приподнимите двигатель, чтобы разгрузить его подвеску.

Проверьте подвеску на трещины и расслоения. Иногда резина лопается прямо по центру. При необходимости замените
6 Амортизаторы следует заменить в случае, если они протекают. Погнуты или повреждены как-либо иначе.

7. Открутите болт, подсоединяющий нижний конец амортизатора к кронштейну двигателя.

Предупреждение если вы сняли самоконтрящиеся гайки, заменяйте их только новыми

Замена амортизаторов

Двигатель 3.01 - правая сторона.

Проверка и замена амортизаторов двигателя Ford Taurus

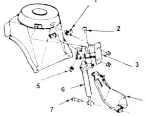
Элементы крепления правого амортизатора
1. Шпильки (3 штуки).
2. Болт (2 штуки)
3. Кронштейн.
4. Кронштейн генератора.
5. Гайка (3 штуки).
6. Амортизатор
7. Болт.
8. Открутите болты крепления верхнего кронштейна амортизатора

Проверка и замена амортизаторов двигателя Ford Taurus

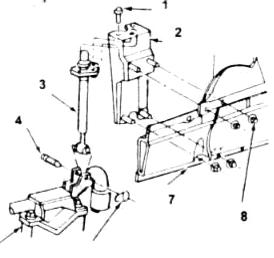
Элементы крепления левого амортизатора.
1. Болт (3 штуки).
2. Кронштейн.
3. Амортизатор.
4. Болт, осторожно: следует устанавливать, как показано.
5. Изолятор.
6. Флажковая гайка.
7. Боковая секция.
8. Гайка (4 штуки).

9. Снимите амортизатор двигателя

10. Расположите нижнюю втулку амортизатора соосно на одной линии) с зарубкой на кронштейне двигателя. Закрепите ее новым болтом

11. Подсоедините верхний кронштейн амортизатора двигателя к кронштейну подвески, подсоедините новыми болтами

12. Затяните крепеж до момента, сказанного в спецификации

13. Снимите систему скоростного контроля, если автомобиль оборудован ею.

14 Открутите болт и флажковую гайку, подсоединяющие нижний конец амортизатора к опорному кронштейну 

15. Открутите болты крепления верхнего кронштейна амортизатора к боковому кронштейну.

16. Снимите амортизатор с автомобиля

17. Установите нижний конец амортизатора в кронштейн подвески двигателя. Добейтесь при этом совмещения канавки во втулке амортизатора с зарубкой на кронштейне.

18. Ввинтите болт е кронштейн и амортизатор. Навинтите новую флажковую гайку.

19 Подтяните амортизатор в положение напротив бокового направляющего кронштейна Закрепите тремя новыми болтами

20 Затяните крепеж до момента, указанного в спецификации

21 Установите систему контроля скорости (если она была)  

Примечание: болт должен ввинчиваться головкой по направлению к двигателю

19. Подтяните амортизатор в положение напротив бокового направляющего кронштейна. Закрепите тремя новыми болтами

20. Затяните крепеж до момента, указанного в спецификации 1. Кронштейн кондиционера.

21. Установите систему контроля скорости (если она была)

Замена подвески двигателя

Для двигателей 3.01 - передняя и задняя.

22. Открутите нижний болт амортизатора с правой стороны двигателя.

23. Поднимите автомобиль, и установить его надежно

24. Подведите домкрат под масляный поддон. Чтобы равномерно распределить вес поместите деревянный брусок между домкратом и поддоном

25. Открутите гайки крепления подвески двигателя к нижней раме

26. Поднимите двигатель домкратом так, чтобы снять нагрузку с опор

27. Выньте сквозные болты и снимите подвеску с автомобиля

28. Подсоедините новую подвеску к кронштейнам двигателя  Сквозными болтами.

29. Опустите двигатель на место.

30. Закрутите гайки крепления двигателя к раме

31. Затяните  до требуемого значения момента затяжки. Гайка крепления передней подвески двигателя 3.01 спрятана в нижней раме.

Передняя подвеска двигателя 3.81

32. На моделях, оборудованных кондиционером, снимите и отложите в сторону компрессор воздушного кондиционера, не разъединяя трубопроводов

33. Поднимите автомобиль и установите его надежно на стойках

34. Открутите гайку. Подсоединяющую подвеску двигателя к кронштейну кондиционера 

35. Временно подсоедините компрессор кондиционера к своему кронштейну двумя нижними болтами

36. Установите двигатель на домкрат через Деревянную прокладку под масляным поддоном

37. Открутите гайки, соединяющие подвеску двигателя и нижнюю раму
38 Поддомкратьте двигатель настолько, чтобы снять его вес с опор подвески

39. Снимите подвеску с автомобиля

40. Снимите с подвески жаростойкий щиток.

41. Установку проводят в обратном порядке. Не забудьте затянуть крепеж до величины моментов,а к сквозным болтам передней подвески двигателя 3.01 можно подобраться со стороны правого переднего крыла.