Передняя подвеска типа «Мак Ферсон»

Основным узлом является амортизаторная стойка, к которой прикреплен поворотный кулак. От продольных и поперечных смещений его удерживают поперечный рычаг и реактивная тяга

Подвеска «Мак Ферсон» используется так же и сзади на автомобилях с кузовом седан

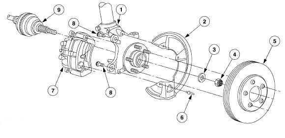
 Передняя подвеска Ford Taurus

№   Номер по каталогу        Описание детали

1 - 3K206 - Кулак передней стойки

2 - 2K004 - Защитная пластина (пыльник)

3 - N801338-S101 - Шайба

4 - N811763-S190 - Гайка шруса

5 - 1125 - Тормозной диск

6 - N806002-S100 - Штифт

7 - 2B120 - Суппорт

8 - N808354-S100 - Болт крепления суппорта

9 - 3B436 -  Вал привода" Шрус"

 Передняя подвеска Ford Taurus

Item  Part Number  onописание

1 —  Корпус суппорта (part of 2B120)

2 —  Поршень суппорта (part of 2B120)

3  —  Уплотнительное кольцо суппорта(part of 2221)

4 —  Уплотнение поршня суппорта (part of 2221)

5 - 2B321 - Анкерная накладка на колодку (2 req'd each side)

6 - 2001 - Тормозные накладки

7 - 2B292 - Тормозной башмак

8  —  фиксатор

9  - 2N386 - Болты крепления суппорта (2 req'd each side)

10 - 2N296 - Направляющие втулки (2 req'd each side)

11 - 2A492 - уплотнения (2 req'd each side)

12 - 2208 - Клапан прокачки тормозов

13 - 2L126 - Колпачок защитный на клапан прокачки.

Тормозная жидкость

ВНИМАНИЕ: Использование любых других, чем утвержденные DOT 3 или DOT 4 Тормозная жидкость будет серьезно повредить компоненты тормозов и оказывать тормоза действует.

ВНИМАНИЕ: Тормозная жидкость содержит полигликоля эфиров и полигликоли. Избегать контакта с глазами.

Тщательно мыть руки после работы. Если тормозной жидкости контакты глаза, промойте глаза проточной водой в течение 15 минут.

Обратитесь к врачу, если раздражение не проходит. Если принимать внутренне, пить воду и вызывать рвоту. Немедленно обратиться к врачу.

ВНИМАНИЕ: Тормозная жидкость вредна для окрашенных или пластиковых поверхностей. Если тормозная жидкость пролилась на окрашенные или пластиковую поверхность, немедленно промойте его водой.

Используйте чистый, свежий Ford High Performance DOT 3 автомобильной тормозной жидкости C6AZ-19542-AB или эквивалент заседании Ford спецификации ESA-M6C25-(Соединенные Штаты Америки и Канады). Если DOT 3 не имеется, использовать Ford High Performance DOT

Тормозная жидкость или эквивалент заседании Ford спецификации SAE J1704.

Передняя подвеска Ford Taurus
Передняя подвеска типа «Мак Ферсон»

Основным узлом является амортизаторная стойка, к которой прикреплен поворотный кулак. От продольных и поперечных смещений его удерживают поперечный рычаг и реактивная тяга

Подвеска «Мак Ферсон» используется так же и сзади на автомобилях с кузовом седан

На автомобилях с  кузовом универсал задняя подвеска на двойных поперечных с активными тягами.

Все подвески снабжены стабилизатором поперечной  устойчивости предотвращающими крен кузова в повороте.

Рулевое управление реечного типа, установлено на подмоторной  раме за двигателем. Поворотные рычаги изготовлены заодно с кулаками.

Все модели оборудованы встроенным усилителем руля

Травмобезопасная рулевая колонка подсоединена к механизму через шарнирный вал

Примечание: в этих автомобилях используются как стандартные так и метрические резьбовые крепежные элементы. Поэтому для работы необходим инструмент для крепежа обеих видов

Предупреждение: если крепежные детали подвески или рулевого управления   потерялись, или были откручены, то их следует заменить новыми не пользуйтесь ими вторично

Для нормального сохранения крепежа и обеспечения возможности его повторной сборки следует выполнять требования спецификации по усилиям затяжки.

Передний стабилизатор поперечной устойчивости, передаточный рычаг и втулки снятие и установка.

Предупреждение: при утере или отвинчивании крепежных деталей подвески или рулевого управления их следует заменять новыми не используйте их вторично. Крепежные элементы заменяются на новые такой же конструкции качества и маркировки

Снятие

Ослабьте гайки крепления обоих передних колес.

Поднимите переднюю часть автомобиля и надежно установите ее на стойках. подведенных под поперечную раму. Снимите передние колеса

Отсоедините связующий элемент стабилизатора от стойки и от самой штанги.

Если Вы снимаете только одну штангу стабилизатора или если связующий элемент не поврежден то нет необходимости отсоединять его от кронштейна стойки

Отвинтите гайки крепления рулевого привода к поперечной раме и поднимите рулевую передачу вверх от рамы

Поставьте под каждую сторону сзади поперечной рамы по напольному домкрату.

Отвинтите два болта задней поперечной рамы и медленно понемногу опускайте домкраты до тех пор. пока не станут доступны болты на кронштейне стабилизатора.

Отвинтите болты кронштейна стабилизатора и снимите U-образные кронштейны со втулок

Теперь при желании можно снять и втулки со стабилизатора. не снимая последнего с автомобиля. Если необходимо снять штангу, осторожно выведите ее наружу между поперечной рамой и кузовом.

Установка

Очистите штангу стабилизатора в зоне движения втулок. Разместите штангу на поперечной раме и наденьте втулки в тех местах где они примерно должны располагаться

Поставьте поверх изоляции U- образные кронштейны. навинтите болты. надежно затяни те их

Поднимайте поперечную раму до тех пор, пока она не коснется пола, затем закрутите болты поперечной рамы и затяните их до указанного в спецификации значения момента.