Ремонтные операции Форд Таурус, доступные при установленном двигателе

Ремонтные операции, доступные при установленном двигателе

Прокладки впускного и выпускного коллекторов, масляного поддона и головок цилиндров доступны при неснятом двигателе

Внешние детали мотора впускной и выпускной коллекторы, масляный поддон (и насос), водяной насос, стартер.

Генератор, распределитель зажигания и систему впрыска топлива можно снять для починки, не снимая самого двигателя.

Поскольку головку блока цилиндров можно снять, не трогая двигатель, то и клапана тоже можно обслуживать в таком же положении.

При отсутствии оборудования для снятия двигателя, не снимая его можно произвести ремонт и замену поршневых колец, поршней, шатунов и шатунных подшипников

Ремонтные операции Форд Таурус, доступные при установленном двигателе

Трехмерное изображение элементов крышки клапанного механизма двигателя 3.01.50
1. Узел крышки клапанного механизма (правый).
2. Шпильки.
3. Винт с шайбой.
4. Уплотнение (два места с каждой стороны).
5. Узел крышки клапанного механизма (левый).
6. Расположение штифтов (на выбор).

7. Прокладка крышки клапанного механизма
8. Передняя часть двигателя.
9. Узел впускного коллектора 4.0 - 6.0 мм.

Ремонтные операции Форд Таурус, доступные при установленном двигателе

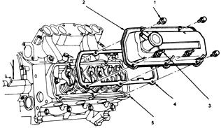
Трехмерное изображение элементов крышки клапанного механизма для двигателя модели 3.8 50.1
1. Болт, требуется 2 штуки.
2. Узел крышки клапанного механизма.

3. Шпилька, требуется
2 штуки.
4. Прокладка.
5. Узел головки блока цилиндров.

6. Передняя часть двигателя.

Снятие и установка крышек клапанного механизма

1. Отсоедините минусовой провод аккумулятора

2. С той стороны, где вы проводите разборку. Отсоедините провода зажигания от свечей зажигания

3. Отметьте расположение шпилек со скобами крепления проводки. Стяните скобы со шпилек

4. Снимите крышку маслоналивной горловины. А на моделях 3.01 отсоедините всасывающий трубопровод.

5. Перед снятием задней крышки снимите клапан РС, а в моделях 3.8 1 отложите в сторону воздухоочиститель.

На моделях 3.01 для обеспечения лучшего доступа снимите с выпускного коллектора трубку ЕОI. Если вы снимаете крышку клапанного механизма для проведения какой-либо другой процедуры обслуживания, то снимите верхний впускной коллектор.

6. Открутите болты, подсоединяющие крышку клапанного механизма.

7 Осторожно снимите крышку. Если она прилипла. Постучите по ней молотком с мягкой поверхностью, чтобы стронуть с места

8. Удалите остатки прокладки с головки и крышки. Счистите масло и грязь тряпкой, намоченной в ацетоне или растворителе лака.

9. Перед ввинчиванием болтов пропитайте их резьбу маслом

10. На моделях 3.01 нанесите слой  герметика на головку блока цилиндров, прилегающей к направляющим впускного коллектора (в двух местах на направляющей).

11. Разместите новую прокладку и установите крышку.

В моделях двигателей 3.01, выпускаемых в 1991году и позднее, можно повторно использовать старую прокладку, если она в хорошем состоянии

12. Затяните болты до значения крутящего момента, указанного в спецификации. Продвигаясь вокруг крышки в несколько этапов.

13. Установите детали, снятые ранее для удобства работы.Добавьте охлаждающую жидкость, если вы ее сливали.