Автоматическая коробка передач

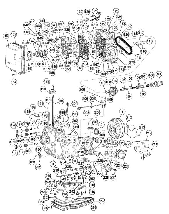
Детали автоматической коробки передач

Автоматическая коробка передач

Детали автоматической КПП Форд Таурус

188 7G100 Pin - фиксатор руководство вала
189 7N049 Род - привод ручной клапан
190 7A115 рычага - ручной фиксацией

191 7G100 Pin - вал рукоятки
192 N605775-S103 Болт - (придает 7A247 в 7005)
193 7F293 датчика - дальность передачи
194 7C493 Вал - ручное управление
195 373907-S2 гайка - весной (сохраняет теги автомобиль ID)
196 7B148 Тег - транспортное средство идентификации
197 7F337 Seal - вал ручного управления
198 N605789-S101 Болт - (придает 7005 в 7G188)
199 N803727-S36 Болт - (придает 7005 в 7G188)
200 N802996-S36 Винт - (придает 7005 в 7A108)
201 7N243 Прокладка - трубки передачи наполнителя
202 7A228 пробки сборки - передача наполнителя
203 N605890-S36 Болт - (придает 7A228 в 7005)
204 7A020 Индикатор сборки - передача уровня жидкости
205 7H103 сборки датчика - скорость на выходном валу (OSS) датчик
206 N605890-S36 Болт - придает TSS датчика к случаю
207 7A434 теплозащитный экран - OSS датчика
208 N605892-S1036 Болт - (придает 7A301 в 7005)
209 7H103 Обложка - спидометр, подневольный печать
210 7986 Обложка - корпус преобразователя
211 W623464-S300 гайка - Push-в (придает тепловой экран к случаю)
212 7A434 Щит сборки - тепло
213 N605890-S36 Болт - (придает кожух к случаю)
214 N806944-S1036 Стад - M10-1,5 х 60,5 экспериментальных
215 N802947-S Plug - клип
216 7G151 Стопорные - низкой промежуточной возвратной пружины сервопривода
217 7D028 Весна - низкой промежуточной поршень сервопривода
218 7D190 Род - низкой промежуточной поршень сервопривода (выберите FIT)
219 7D025 Seal - низкой промежуточной поршень сервопривода группы
220 7D040 Seal - низкой промежуточной поршень сервопривода крышки
221 7D027 Обложка - низкой промежуточной сервопривода

Детали автоматической коробки передач

37 7B066 плиты - обратного давления сцепления
38 7B164 плиты - обратное сцепление внутренних сплайна (трение)
39 7B442 плиты - обратное сцепление внешнего сплайном (сталь)
40 7E085 Весна - обратный подушки сцепления
41 N803048-S кольцо - (сохраняет поддержку и весной сборку в обратном цилиндр сцепления)
42 Поддержка 7G335 и пружины - обратное сцепление
43 N803200-S кольцо - (планеты и каретка - главной передачей с выходным валом
44 7060 Вал - дифференциальный выход
45 7D402 поршневые - обратное сцепление
46 7D403 Seal - обратное сцепление поршень - наружная
47 7D404 Seal - обратный поршень сцепления - внутренней
48 7F341 цилиндра - обратное сцепление
49 7D064 Gear и оболочки сборки - перед ВС32 7D006 планетарной сборки - задняя
33 7G177 подшипников и гонки сборки - планетарная Количество центр тяги 13
34 7A398 Планета сборки - передняя
35 7D483 Стопорные - задний диск сцепления (сохраняет перед планетарной сборки)
36 7D483 кольцо - сохранить (сохранить обратную нажимной диск сцепления на цилиндр) выберите пункт по размеру
37 7B066 плиты - обратного давления сцепленияа в корпус

22 7F342 сборки Gear - окончательный Сан Драйв
23 7A233 Gear - парковка
24 7F405 Подшипниковый узел - окончательное привода передних № 16
25 7A130 Поддержка сборки - задней планетарной
26 7G085 уплотнения в сборе - задняя трубка передачи смазочных тренней

19 7G215 Стиральная машина - главная передача планетарная передача тяги (8 req'd)
20 7G213 Вал - окончательное шестерни (4 req'd)
21 W706051-S кольцо - 77,3 фиксатор внешних (сохранить шестерни валов в носителе)

13 4211 Вал - дифференциальный выход
14 7F465 Gear и монтаж дифференциальных случае
15 7F404 Подшипниковый узел - окончательное привода тяги № 17
16 7G216 подшипник - главная