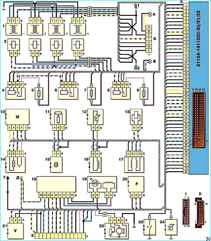
Схема соединений системы управления двигателем ВАЗ-21124

С распределенным впрыском топлива под нормы токсичности Евро-2 (контроллер M7.9.7)

Детали схемы:

Схема соединений системы управления двигателем ВАЗ-21124

С распределенным впрыском топлива под нормы токсичности Евро-2 (контроллер M7.9.7): 1 – катушки зажигания; 2 – форсунки; 3 – контроллер; 4 – главное реле; 5 – предохранитель, соединенный с главным реле; 6 – реле электровентилятора системы охлаждения; 7 – предохранитель, соединенный с реле электровентилятора системы охлаждения; 8 – реле электрического топливного насоса; 9 – предохранитель, соединенный с реле электрического топливного насоса; 10 – датчик массового расхода и температуры воздуха; 11 – датчик положения дроссельной заслонки; 12 – датчик температуры охлаждающей жидкости; 13 – электромагнитный клапан продувки адсорбера; 14 – датчик кислорода; 15 – датчик детонации; 16 – датчик положения коленчатого вала;  17 – регулятор холостого хода; 18 – блок управления иммобилайзера; 19 – индикатор состояния иммобилайзера; 20 – датчик фаз; 21 – датчик скорости автомобиля; 22 – модуль электрического топливного насоса с датчиком уровня топлива; 23 – датчик контрольной лампы давления масла; 24 – датчик указателя температуры охлаждающей жидкости; А – колодка, присоединяемая к жгуту проводов салонной группы АБС; Б – колодка диагностики; В – колодка, присоединяемая к жгуту проводов кондиционера; Г – к выводу "+" аккумуляторной батареи; Д – к колодке жгута проводов боковых дверей; Е – колодка, присоединяемая к жгуту проводов панели приборов G1, G2 – точки заземления; I – порядок условной нумерации штекеров в колодке блока управления иммобилайзера; II – порядок условной нумерации контактов в колодке диагностики

Работа цепей под напряжением проверяется вольтметром.

Проверять можно только цепи низкого напряжения, кроме цепи "катушка зажигания – коммутатор". Предел измерения 0–15 или 0–25 В постоянного тока.

Отрицательный провод (щуп) тестера надежно соединяем с "массой" (лучше – с отрицательной клеммой аккумулятора), а положительный с потребителями и источниками тока.

Напряжение на исправном, полностью заряженном аккумуляторе должно составлять 12,6–13,2 В (потребители выключены, двигатель остановлен).

Напряжение, вырабатываемое генератором – 13,2–14,7 В. На холостом ходу при включенных потребителях оно может быть несколько ниже.

Если при включенном потребителе напряжение на нем резко падает (на 10–20%), это указывает либо на неисправность питающей цепи (окисление контактов), либо (реже) на короткое замыкание в потребителе.

Для выяснения причины воспользуемся амперметром.

Лучше, если верхний предел измерения тестера 10 А и более и есть электромагнитная отсечка при перегрузке или, хотя бы, плавкий предохранитель.

В некоторых дешевых тестерах роль плавкого предохранителя выполняют провода: их жила перегорает, защищая прибор; поэтому не стоит "усиливать" перегоревший провод.

Измерьте потребляемый ток, сопоставьте его с номинальным, учтя поправку на фактическое напряжение в бортовой сети (в справочных данных номинальный ток соответствует номинальному напряжению сети, т.е. 12 В).

Если ток мал, то неисправна цепь (проверьте и контакт с "массой"), слишком большой ток указывает на замыкание в потребителе.