Электрооборудование выполнено по однопроводной схеме: отрицательные выводы источников и потребителей электроэнергии соединены с "массой" – кузовом и основными агрегатами автомобиля, которые выполняют функцию второго провода
Бортовая сеть – постоянного тока, с номинальным напряжением 12 В.
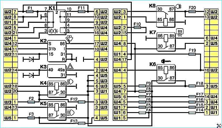
Расположение реле и предохранителем в монтажном блоке: К1 - реле контроля исправности ламп К2 - реле очистителя ветрового стекла К3 - реле-прерыватель указателей поворота и аварийной сигнализации К4 - реле включения ближнего света фар К5 - реле включения дальнего света фар К6 - дополнительное реле К7 - реле включения обогрева заднего стекла К8 - резервное реле F1 - F20 - плавкие предохранители
При неработающем двигателе все потребители питаются от аккумуляторной батареи, а после пуска двигателя – от генератора переменного тока со встроенным выпрямителем и регулятором напряжения.
При работе генератора аккумуляторная батарея заряжается.
Большинство электрических цепей защищено плавкими предохранителями.
Электродвигатели моторедукторов – очистители ветрового стекла, заднего стекла (ВАЗ-2111, -2112), фар (если установлены) – защищены автоматическими биметаллическими предохранителями многоразового действия.
Цепь питания системы впрыска топлива (двигатели ВАЗ-2111, -2112) защищена плавкой вставкой из провода с жилой уменьшенного сечения (1 мм 2).
Не защищены цепи заряда аккумуляторной батареи, зажигания (двигатель ВАЗ-2110), пуска двигателя, "генератор - выключатель зажигания - монтажный блок".
Мощные потребители (фары, электродвигатель вентилятора системы охлаждения, электробензонасос и т.п.) подключаются через реле.
Большинство предохранителей и реле находятся в монтажном блоке, расположенном в салоне автомобиля левее и выше педального узла.
Номинальный ток предохранителей и защищаемые ими цепи указаны в таблице.
При выходе из строя монтажного блока возможна замена печатной платы или припайка проводов взамен перегоревших токоведущих дорожек.
Для коммутации основных цепей автомобиля служит комбинированный выключатель (замок) зажигания, состоящий из контактной части и механического противоугонного устройства.
На автомобилях с двигателями 2111 и 2112 имеется жгут проводов системы впрыска топлива, устанавливаемый взамен жгута системы зажигания двигателя 2110.
Реле и предохранители системы впрыска находятся возле контроллера, под консолью панели приборов справа.
При ремонте системы электрооборудования отсоединяйте клемму "-" аккумуляторной батареи (при выключенном двигателе).
Прежде, чем установить новый предохранитель взамен перегоревшего, выясните и устраните причину перегорания.
Не используйте предохранители увеличенного номинала или самодельные – это может привести к перегоранию дорожек печатной платы, а возможно, и к пожару.
Из-за опасности короткого замыкания не поддевайте перегоревшие предохранители металлическими инструментами (отвертками), если соответствующие цепи не обесточены.
Цепи, защищаемые плавкими предохранителями ВАЗ-2110
№ предохранителя (номинальный ток). Защищаемые цепи
F1 (5 A)
- Лампы фонарей освещения номерного знака
- Лампы освещения приборов
- Контрольная лампа габаритного света
- Лампа освещения багажника
- Лампа габаритного света левого борта
F2 (7,5 A) Левая фара (ближний свет)
F3 (10 A) Левая фара (дальний свет)
F4 (10 A) Правая противотуманная фара
F5 (30 A) Электродвигатели стеклоподъемников дверей
F6 (15 A) Переносная лампа
F7 (20 A) Электродвигатель вентилятора системы охлаждения двигателя. Звуковой сигнал
F8 (20 A) Элемент обогрева заднего стекла
F9 (20 A)
- Клапан рециркуляции
- Очистители и омыватели ветрового заднего стекла и фар
- Обмотка реле включения обогрева заднего стекла
F10 (20 A) Резервный
F11 (5 A) Лампы габаритного света правого борта
F12 (7,5 A) Правая фара (ближний свет)
F13 (10 A)
- Правая фара (дальний свет).
- Контрольная лампа включения дальнего света фар
F14 (10 A) Левая противотуманная фара
F15 (20 A)
- Электрообогрев сидений
- Блокировка замка багажника
F16 (10 A)
- Реле-прерыватель указателей поворота и аварийной сигнализации (в режиме аварийной сигнализации)
- Контрольная лампа аварийной сигнализации
F17 (7,5 A)
- Лампа освещения салона
- Лампа индивидуальной подсветки
- Лампа подсветки выключателя зажигания
- Лампы стоп-сигнала
- Часы (или маршрутный компьютер)
F18 (25 A)
- Лампа освещения вещевого ящика
- Контроллер отопителя
- Прикуриватель
F19 (10 A)
- Блокировка замков дверей
- Реле контроля исправности ламп стоп- сигнала и габаритного света
- Указатели поворота с контрольными лампами
- Лампы света заднего хода
- Обмотка возбуждения генератора
- Блок индикации бортовой системы контроля
- Комбинация приборов
- Часы (или маршрутный компьютер)
F20 (7,5 A) Лампы задних противотуманных огней
Снятие монтажного блока
Отсоединяем минусовой провод от аккумулятора.

Нажав на выключатель защелки крышки монтажного блока, опускаем крышку с монтажным блоком вниз.

Крестообразной отверткой отворачиваем саморез крепления защелки и снимаем защелку.


Вынимаем блок из крышки и переворачиваем его.

Отсоединяем колодки с проводами от монтажного блока и вынимаем монтажный блок.
Замена предохранителей и реле

Заменить предохранители и реле можно, не снимая монтажный блок.
Для наглядности эту операцию показываем на демонтированном блоке.
Для замены предохранителей вынимаем щипцы и снимаем ими предохранитель.

Снимаем реле.

Устанавливаем монтажный блок в обратной последовательности.