Очистители фар вместе с электромагнитными клапанами омыва фар устанавливаются на автомобили в вариантном исполнении

Комплект состоит из двух моторедукторов с рычагами и щетками — разных для левой и правой фары.

Щетки останавливаются в нижнем положении, упираясь в ограничители блок-фар.

Моторедукторы защищены от перегрузки термобиметаллическими предохранителями.

Моторедукторы — неразборные, при выходе из строя их заменяют.

Технические характеристики

Число двойных ходов вала моторедуктора при нагрузке 0,05 кг/см, напряжении питания 14 В и температуре окружающей среды 25±10°С, мин -40-60

Потребляемый в этих условиях ток, А, не более   1,5

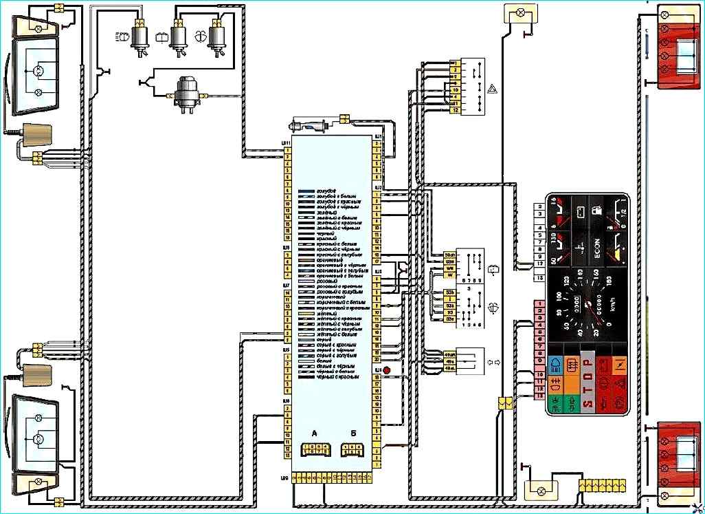
Схема очистителя фар

На рисунке 1 схема очистителя фар.

Очистители фар включаются одновременно с омывателями фар правым подрулевым переключателем (положение «на себя», не фиксированное), если переключателем наружного освещения включены фары.

При этом напряжение подается к обмотке вспомогательного реле включения очистителей фар типа 112.3747 в монтажном блоке (его характеристики аналогичны реле 113.3747).

От очистителя фар напряжение подается к клапану омыва фар.

При этом работает электродвигатель омывателя (жидкость также подается на ветровое стекло).

С 1989 г. применяется раздельная схема включения очистителей фар — отдельным кнопочным выключателем, расположенным на панели приборов, если переключателем наружного освещения включены фары.

При этом напряжение подается к вынесенным из монтажного блока вспомогательным реле, включающим очистители и электродвигатель омывателей фар (отдельный).

В такой схеме подключения вместо реле включения очистителей фар в монтажном блоке устанавливается перемычка.

На автомобилях с монтажным блоком нового образца (2114-37221010-60) при подключении очистителей по старой схеме контакт «W» подрулевого переключателя должен соединяться с выводом 16 разъема Х2.

В схеме с раздельным включением очистителей фар на этот же вывод должно подаваться напряжение от выключателя очистителей фар.

При этом в монтажном блоке устанавливается реле включения очистителей фар К1 типа 90.3747-01. Его характеристики такие же, как у реле 112.3747.