• Авторук
  • Системы
    • Схемы
    • Двигатели
    • ВАЗ-2108-2170
    • ВАЗ-2101-2107
    • Лада Приора
    • Лада Калина
    • ВАЗ-2121
    • ВАЗ-2110
    • Лада-Ларгус
    • Lada Xray
    • Лада Веста
    • Лада Гранта
  • Разделитель
    • ГАЗ-3110 (Волга)
    • ГАЗ-2705
    • ГАЗ-66
    • Соболь
  • Разделитель-2
    • Камаз
    • ЗИЛ-131
    • МАЗ
    • ПАЗ
    • ЗИЛ-5301
    • Урал
  • Разделитель-3
    • УАЗ-Патриот
    • УАЗ 3151
    • Нива Шевролет
  • Разделитель 4
    • Peugeot 307
    • Все по Форд Таурус
    • Опель Корса
    • Grand Cherokee
    • VW-Passat
    • Авео Шевролет
    • Mitsubishi Lancer
  • Разделитель 5
  • поиск

Соболь

Конструкция рулевого механизма автомобиля Соболь

Рулевой механизм автомобиля Соболь может быть выполнен как с гидроусилителем, так и без гидроусилителя

Конструкция передней подвески автомобиля Соболь

Передняя подвеска автомобиля Соболь – независимая, пружинная, на двойных поперечных рычагах, с однотрубными газонаполненными амортизаторами и стабилизатором поперечной устойчивости

Ремонт маятниковых рычагов автомобиля Соболь

Работаем на смотровой канаве. Отсоединяем от левого маятникового рычага продольную и поперечную рулевые тяги (см. Как заменить рулевые тяги автомобиля Соболь)

Как заменить насос гидроусилителя руля автомобиля Соболь

Насос гидроусилителя снимаем при ремонте двигателя или при ремонте самого насоса гидроусилителя

Как заменить охлаждающую жидкость автомобиля Соболь

Охлаждающую жидкость следует заменять через два года эксплуатации или через 60 тысяч пробега

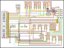
Электрическая схема СУД двигателя ГАЗ-560

Система управления двигателем ГАЗ-560 включаем в себя электронный блок управления, датчик положения педали газа, управляющий электромагнитный клапан рециркуляции отработавших газов, электромагнитный клапан рециркуляции отработавших газов, электромагнит управления насос-форсунками, датчик положения регулирующей рейки, датчик частоты вращения коленчатого вала двигателя,

Как вставить стекло сдвижной двери автомобиля Соболь

Боковые стекла многих автомобилей установлены с помощью резинового уплотнителя. И операции по снятию и установке стекол одинаковы

Страница 5 из 6

  • 1
  • 2
  • 3
  • 4
  • 5
  • 6