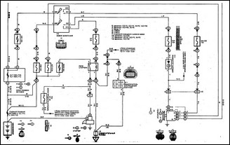
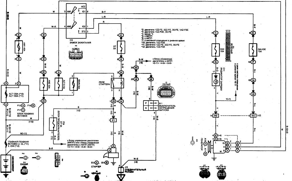
Схема системы запуска Tayota Avensis (модели выпуска с 07/2000 года)