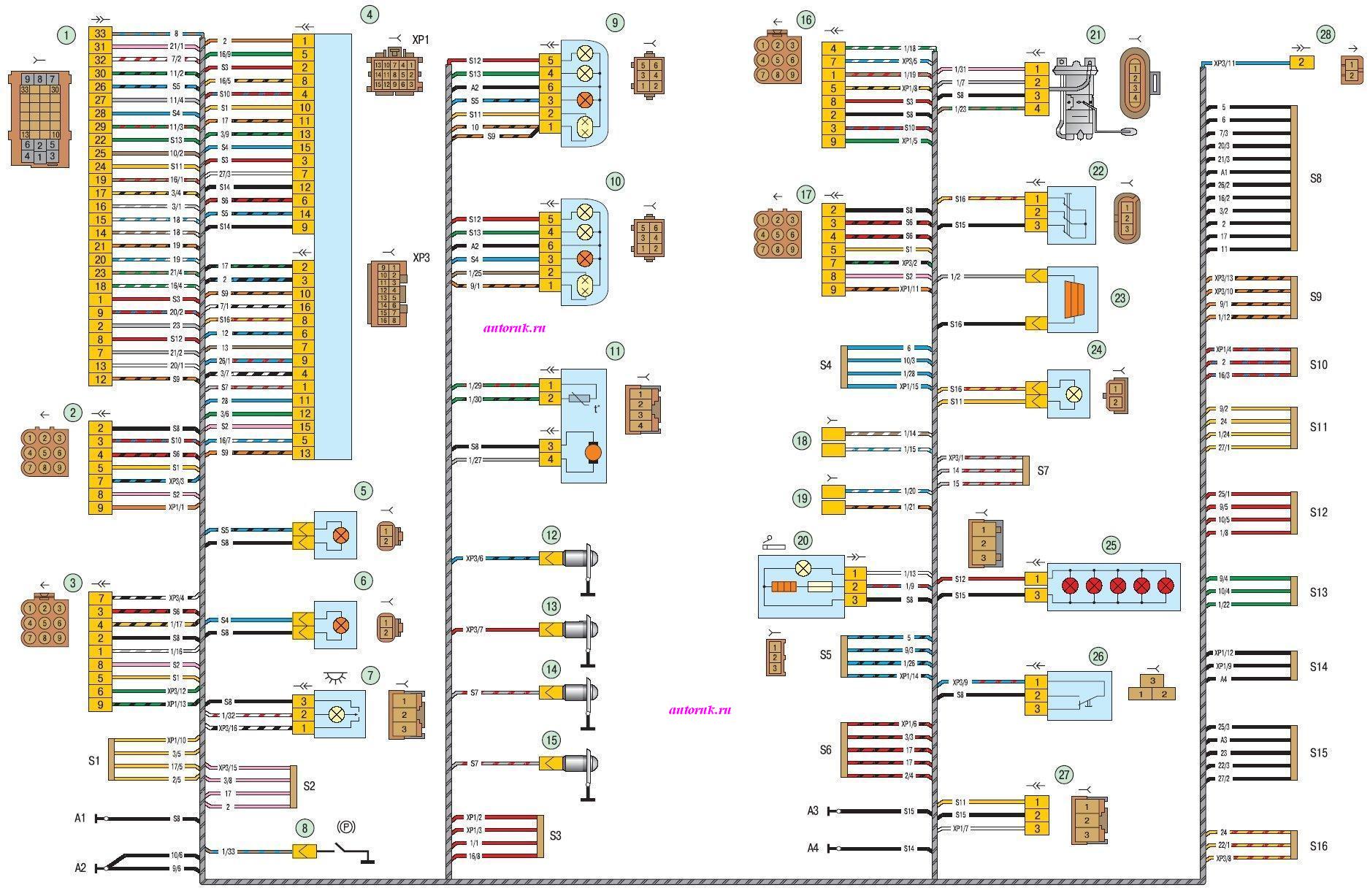
Соединения заднего жгута проводов автомобиля Лада Приора:
1 – колодка жгута проводов заднего к жгуту панели приборов;2 – колодка жгута проводов заднего к жгуту левой задней двери; 3 – колодка жгута проводов заднего к жгуту правой передней двери; 4 – контроллер электропакета;5 – боковой указатель поворотов левый; 6 – боковой указатель поворотов правый; 7 – плафон освещения салона;8 – выключатель контрольной лампы стояночного тормоза; 9 – левый фонарь; 10 – правый фонарь;11 – датчик температуры воздуха салона; 12, 13, 14, 15 – выключатели плафона освещения салона; 16 – колодка жгута проводов заднего к жгуту левой передней двери; 17 – колодка жгута проводов заднего к жгуту правой задней двери;18 – колодки жгута заднего к громкоговорителю заднему правому; 19 – колодки жгута заднего к громкоговорителю заднему левому; 20 – прикуриватель;21 – модуль электробензонасоса; 22 – выключатель освещения багажника; 23 – элемент обогрева заднего стекла;24 – фонарь освещения багажника; 25 – дополнительный стоп-сигнал; 26 – выключатель привода замка багажника;
