Схемы электрооборудования автомобиля Renault Megane 2
Электрооборудование автомобиля Renault Megane 2 выполнено по однопроводной схеме: отрицательные выводы источников и потребителей электроэнергии соединены с «массой».
Функцию второго провода выполняет кузов автомобиля
Электрические цепи системы управления двигателем выполнены по многопроводной схеме и соединены с «массой» автомобиля только через электронный блок управления.
Питание потребителей осуществляется от аккумуляторной батареи (при неработающем двигателе) и генератора (при работающем двигателе).
Для коммутации основных цепей автомобиля служит считывающее устройство.
Особенностью системы электрооборудования автомобиля является использование для передачи данных мультиплексных шин CAN (ConTRoller Area Network).
Каждая мультиплексная шина представляет собой витую пару проводов, соединяющих электронные блоки управления. CAN-шины сопряжены между собой через межсетевой интерфейс.
Использование мультиплексных шин CAN обеспечивает высокую скорость передачи данных (до 1 Мбит/с) и позволяет значительно сократить количество проводов в автомобиле.
Диагностическая шина CAN соединена с диагностическими разъемами, один из которых расположен в салоне автомобиля, а второй – в моторном отсеке.
При возникновении неисправности в шине CAN подключенные к ней в это момент электронные блоки записывают в память код неисправности.
Этот код и остальные коды неисправностей, хранящиеся в памяти электронных блоков, можно считывать, подключив к диагностическим разъемам сканирующие устройства.
Любые работы с электрооборудованием автомобиля проводите только при отключенной аккумуляторной батарее. Отсоединять или подсоединять аккумуляторную батарею можно только при выключенном зажигании.
При проверке цепей электрооборудования запрещается замыкать на «массу» провода (проверять исправность цепей «на искру»), так как это может привести к выходу из строя элементов электрооборудования.
Запрещается применять предохранители, не предусмотренные конструкцией автомобиля или рассчитанные на больший ток, а также использовать вместо предохранителей проволоку.
При замене предохранителей запрещается применять отвертки, поскольку это может привести к короткому замыканию в цепях электрооборудования.
Запрещается отсоединять аккумуляторную батарею при работающем двигателе во избежание выхода из строя регулятора напряжения и элементов электронного оборудования автомобиля.
При проведении электросварочных работ на автомобиле необходимо отсоединять провода от клемм аккумуляторной батареи, генератора и контроллера.
Регулярно очищайте клеммы аккумуляторной батареи и наконечники проводов от окислов и грязи.
При подзарядке аккумуляторной батареи с помощью зарядного устройства отсоединяйте провода от клемм батареи.


Выключатель сигнальной лампы стояночного тормоза.
Внутреннее зеркало заднего вида.


Противотуманные фары
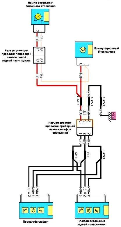
Плафоны освещения салона и багажного отделения


Рулевое управление с электроусилителем
Диагностический разъем


Передний и задний стеклоочистители и стеклоомыватели
Люк крыши с электроприводом


Звуковой сигнал
Прикуриватель


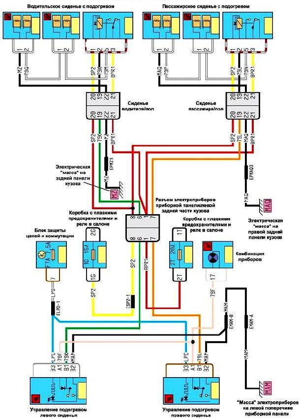
Электроподогрев сидений
Электрообогрев заднего стекла


Дополнительный обогреватель в салоне
Климатическая установка с автоматикой


Генератор и стартер
Базовое отопление