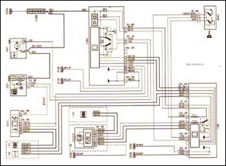
Схема Peugeot 307(Т6), бензиновый двигатель RFN, с АБС. Запуск двигателя

Обозначения на схемах