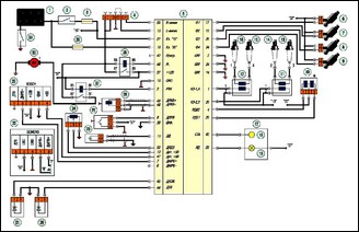
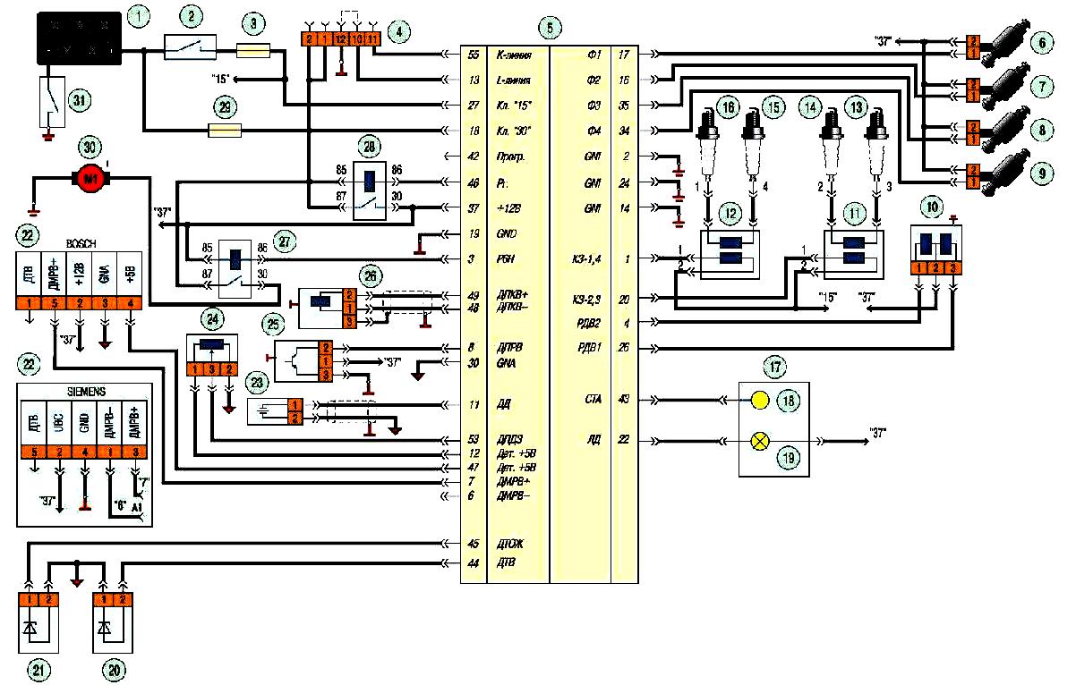
Схема УАЗ Патриот - соединение системы управления двигателем
Соединения системы управления двигателем мод. ЗМЗ-409 (Евро-2): 1 — аккумуляторная батарея: 2 — выключатель (замок) зажигания: 3, 29 — плавкие предохранители: 4 — диагностическая колодка: 5 — электронный блок управления двигателем: 6, 7, 8, 9 — топливные форсунки; 10— регулятор холостого хода: 11, 12 — катушки зажигания; 13, 14, 15, 16— свечи зажигания; 17— комбинация приборов: 18 — тахометр; 19 — сигнальная лампа «ПРОВЕРЬТЕ ДВИГАТЕЛЬ»; 20 — датчик температуры воздуха во впускной трубе: 21 — датчик температуры охлаждающей жидкости: 22 — датчик массового расхода воздуха: 23 — датчик детонации; 24 — датчик положения дроссельной заслонки: 25 — датчик положения распределительного вала: 26 — датчик положения коленчатого вала: 27 — реле топливного насоса: 28 — главное реле системы управления двигателем: 30 — топливный насос: 31 — выключатель «массы»
