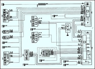
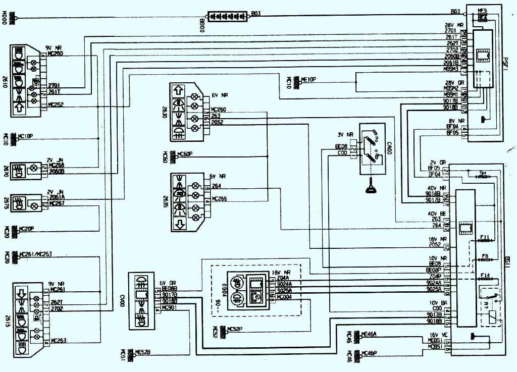
Схема Peugeot 307(Т6), бензиновый двигатель RFN, с АБС противотуманный фонарь

Обозначения на схемах