Схема приборной панели автомобильной панели Peugeot 307
Подсветка приборной доски (другой тип климатической установки,комбинированный датчик яркости освещения/дождя)
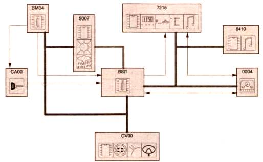
Подсветка приборной доски (другой тип климатической установки)
Схема приборной панели автомобильной панели Peugeot 307
Подсветка приборной доски (другой тип климатической установки,комбинированный датчик яркости освещения/дождя)
Подсветка приборной доски (другой тип климатической установки)