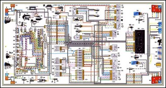
Схемы автомобилей ВАЗ-21214
ВАЗ-21214 (НИВА)
- 1. Левый передний фонарь.
- 2. Фары.
- 3. Датчик температуры охлаждающей жидкости.
- 4. Звуковой сигнал.
- 5. Датчик положения дроссельной заслонки.
- 6. Датчик массового расхода воздуха.
- 7. Электромагнитный клапан продувки адсорбера
- 8. Форсунки.
- 9. Правый передний фонарь.
- 10. Боковые указатели поворота.
- 11. Аккумуляторная батарея.
- 12. Электродвигатель отопителя.
- 13. Дополнительный резистор электродвигателя отопителя.
- 14. Выключатель контрольной лампы блокировки дифференциала.
- 15. Реле очистителя ветрового стекла.
- 16. Стартер.
- 17. Электродвигатель очистителя ветрового стекла.
- 18. Генератор.
- 19. Электродвигатель омывателя ветрового стекла.
- 20. Модуль зажигания.
- 21. Свечи зажигания.
- 22. Контроллер.
- 23. Регулятор холостого хода.
- 24. Индикатор состояния АПС.
- 25. Датчик указателя температуры.
- 26. Датчик контрольной лампы давления масла.
- 27. Штепсельная розетка для переносной лампы(*).
- 28. Выключатель контрольной лампы уровня тормозной жидкости.
- 29. Колодка диагностики.30. Реле включения обогрева заднего стекла.
- 31. Реле включения дальнего света фар.
- 32. Реле включения ближнего света фар.
- 33. Электробензонасос с датчиком уровня топлива.
- 34. Реле включения стартера.
- 35. Дополнительный блок предохранителей.
- 36. Основной блок предохранителей.
- 37. Реле-прерыватель указателей поворота и аварийной сигнализации.
- 38. Выключатель света заднего хода.39. Выключатель стоп-сигнала.
- 40. Прикуриватель.
- 41. Переключатель наружного освещения.
- 42. Лампы подсветки рычагов управления отопителем.
- 43. Выключатель заднего противотуманного света (**).
- 44. Выключатель обогрева заднего стекла.
- 45. Переключатель электродвигателя отопителя.
- 46. Переключатель очистителя и омывателя заднего стекла.
- 47. Выключатель аварийной сигнализации.
- 48. Выключатель зажигания.
- 49. Выключатель освещения приборов.
- 50. Переключатель очистителя ветрового стекла.
- 51. Выключатель омывателя ветрового стекла.
- 52. Выключатель звукового сигнала.
- 53. Переключатель указателей поворота.
- 54. Переключатель света фар.
- 55. Реле электробензонасоса.
- 56. Датчик скорости автомобиля.
- 57. Выключатели плафонов, расположенные в стойках дверей.
- 58. Плафоны освещения салона.
- 59. Электродвигатель омывателя заднего стекла.
- 60. Комбинация приборов.
- 61. Выключатель контрольной лампы стояночного тормоза.
- 62. Главное реле.
- 63. Задние фонари.
- 64. Фонари освещения номерного знака.
- 65. Электродвигатель очистителя заднего стекла.
- 66. Элемент обогрева заднего стекла.
- 67. Датчик положения коленчатого вала.
- 68. Датчик детонации.
- 69. Датчик кислорода.
- 70. Реле электровентиляторов (см. Письмо в конце страницы).
- 71. Электровентиляторы (см. Письмо в конце страницы).
- 72. Блок предохранителей системы впрыска;
- 73. К плафону освещения салона.
- 74. К выключателю плафона освещения в двери водителя.
- 75. Блок управления АПС.
А - порядок условной нумерации штекеров в колодках трехрычажного переключателя.
(*) - штепсельная розетка в последнее время не устанавливается.(**) - в последнее время выключатель задних противотуманных фар имеет более сложное, чем показано на схеме, устройство. Возможно, используется дополнительное реле.
На ВАЗ-21214 устанавливаются стеклоочистители и стеклоомыватели фар. Схема их подключения аналогична ВАЗ-21213.
