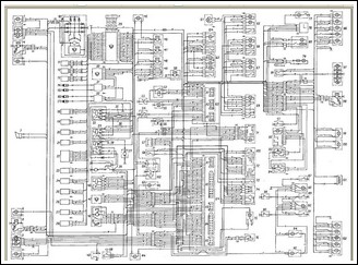
Схема электрических жгутов проводов автомобиля УАЗ-3160-31605