Система электрооборудования отрицательного заземления имеет рабочее напряжение 12 вольт.
Питание для системы электрооборудования поступает от свинцово-кислотного аккумулятора, который подзаряжается от генератора
Следует заметить, что при работе с любым элементом электрооборудования автомобиля провод отрицательной клеммы аккумуляторной батареи должен быть отсоединен для предотвращения короткого замыкания и/или возгорания.
Схемы открывать в новой вкладке браузера или кликнуть по схеме
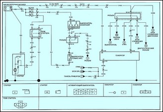
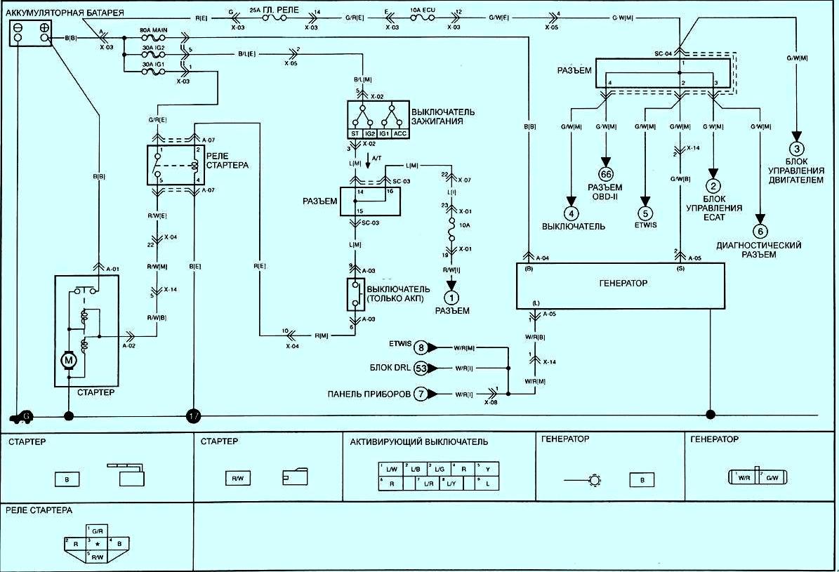
Схема системы запуска и зарядки
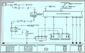
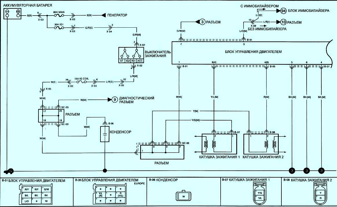
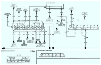
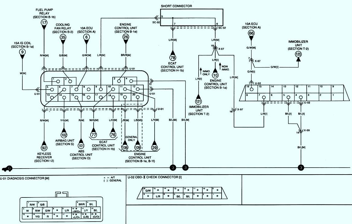
Блок управления двигателем
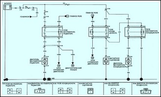
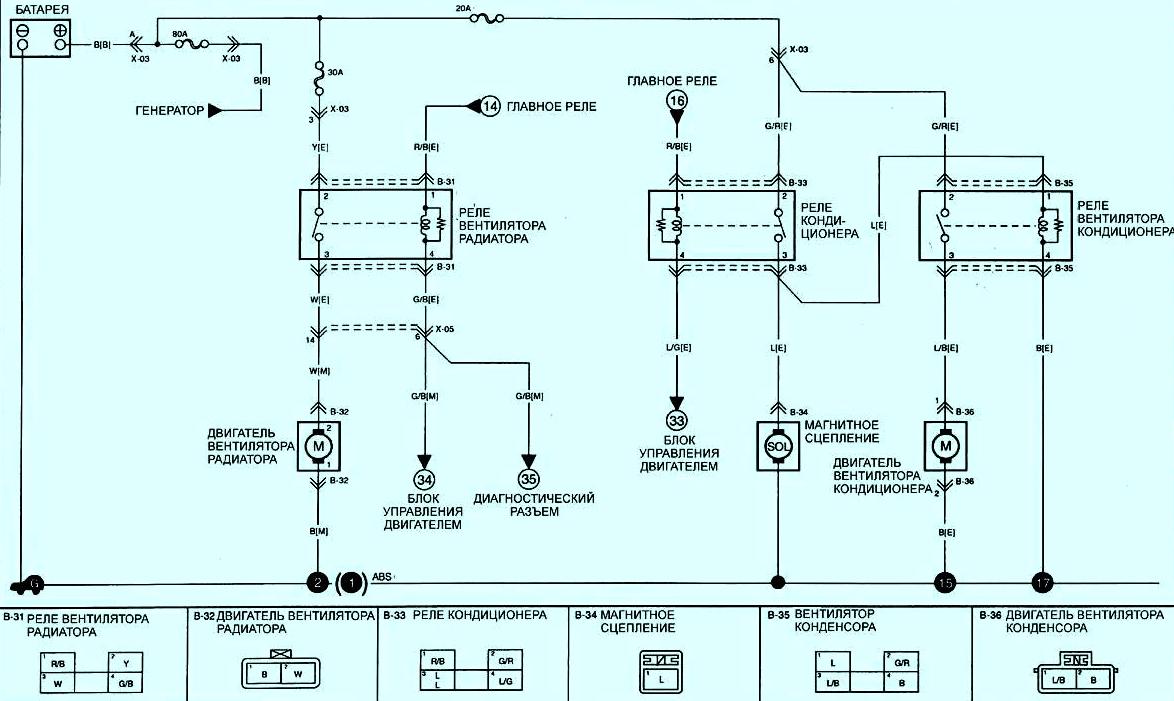
Схема системы охлаждения
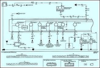
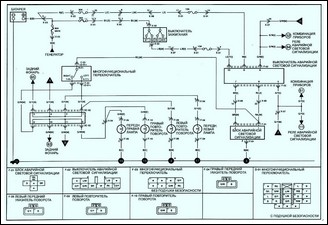
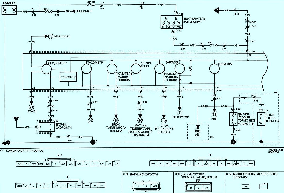
Комбинация приборов и контрольные лампы
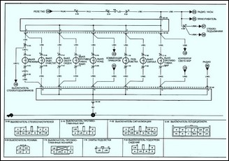
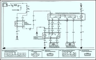
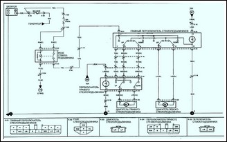
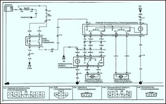
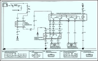
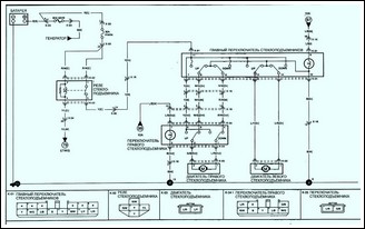
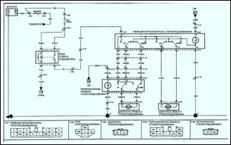
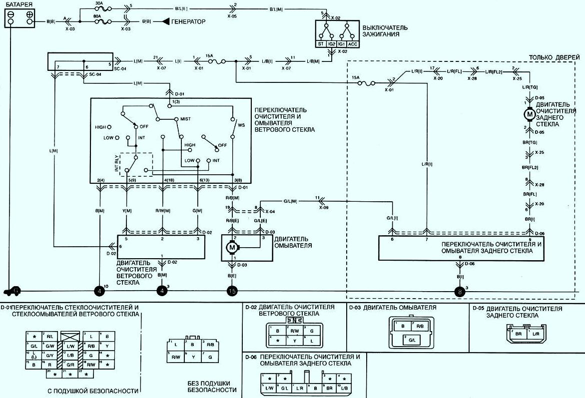
Стеклоочистители и стеклоомыватели
Переднее освещение (с подушкой безопасности)
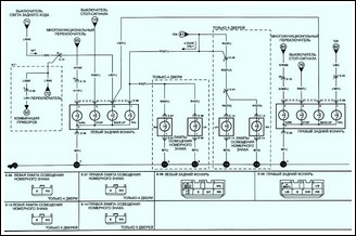
Заднее освещение
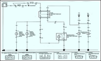
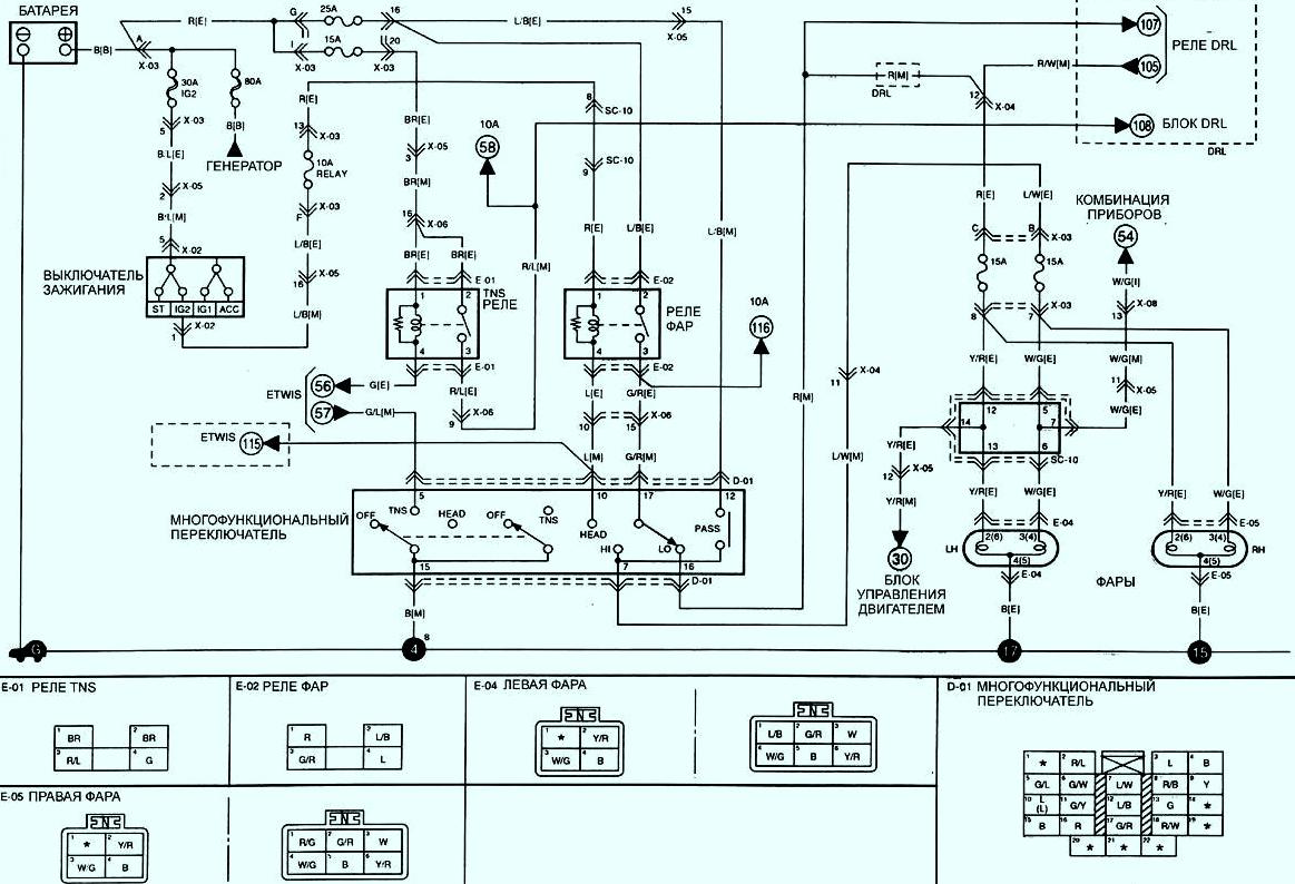
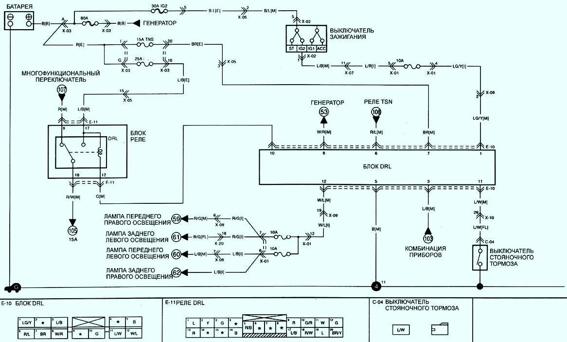
Фары (DRL)
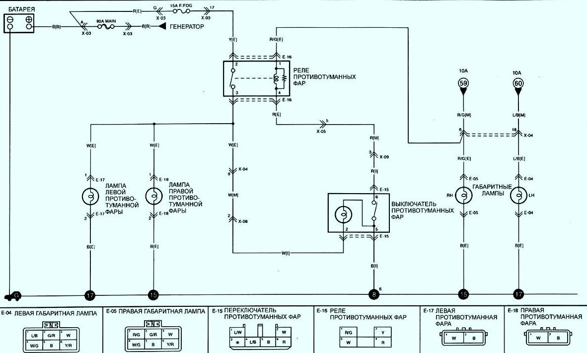
Передние противотуманные фары
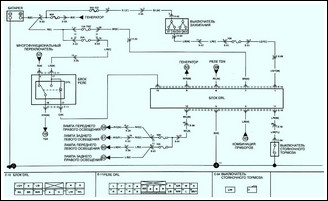
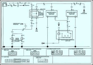
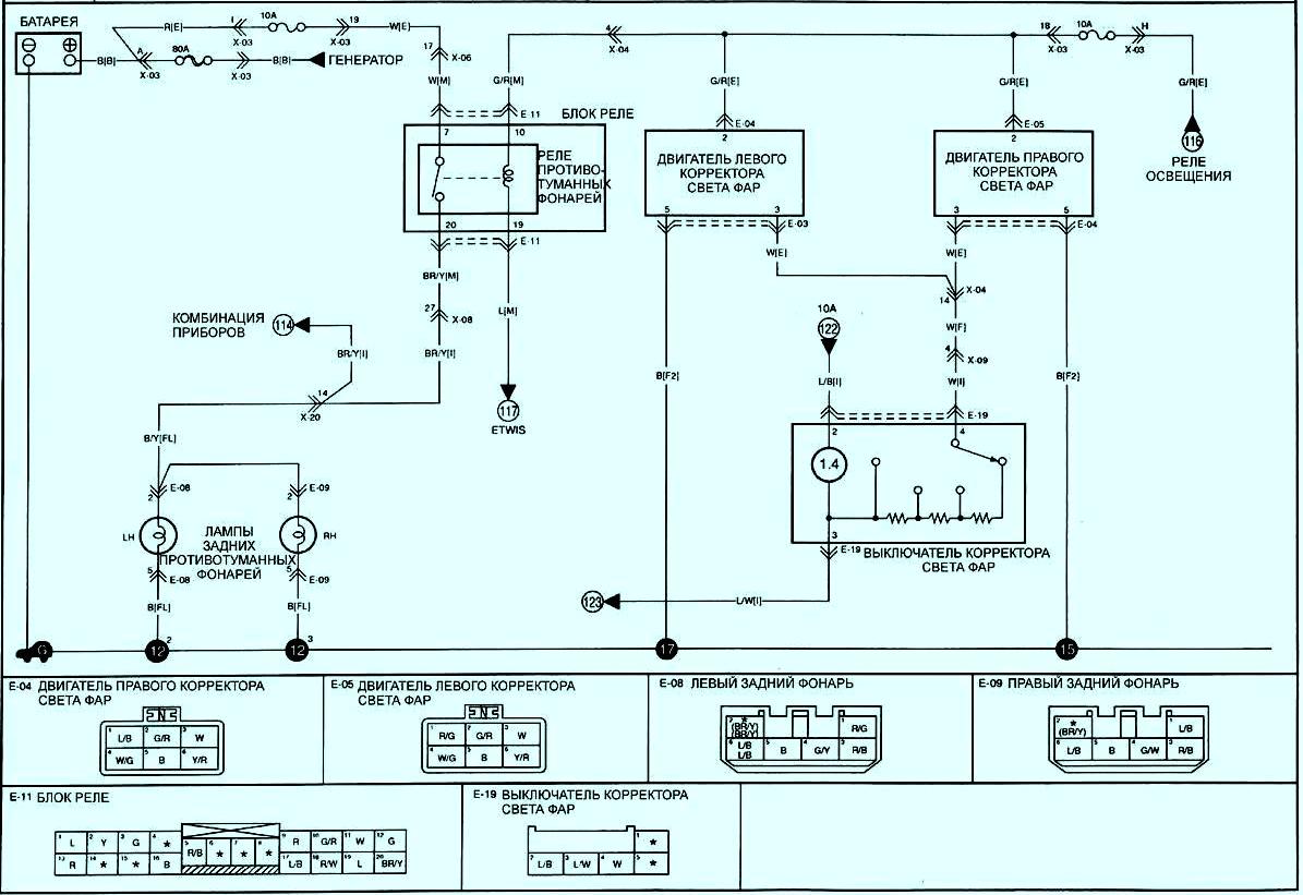
Задние противотуманные фонари, корректор света фар (HLLD)
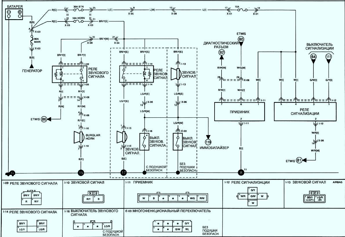
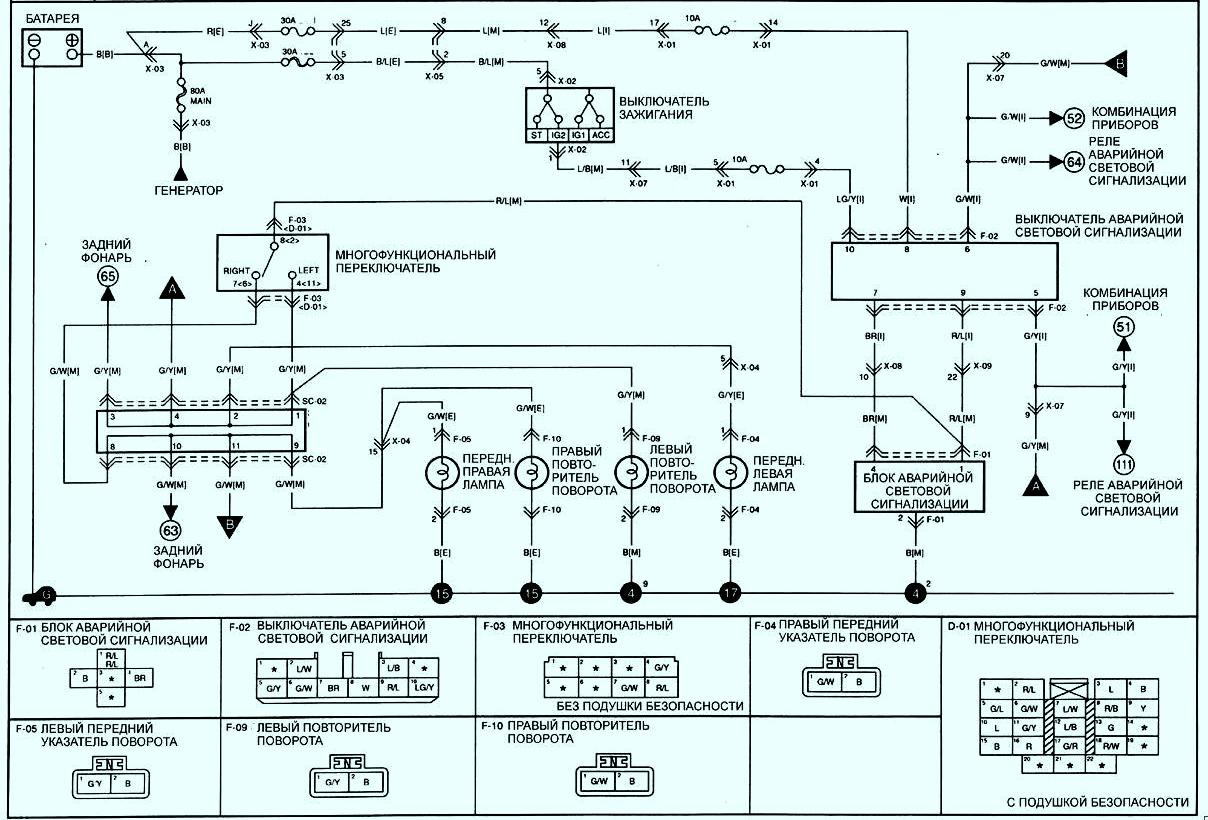
Звуковой сигнал и блок аварийной световой сигнализации
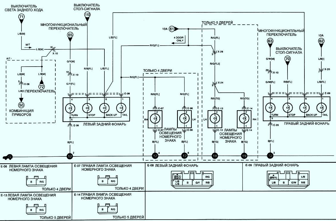
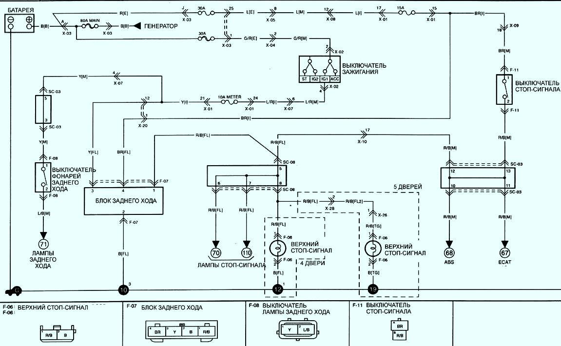
Лампы заднего хода и стоп сигнала
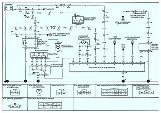
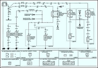
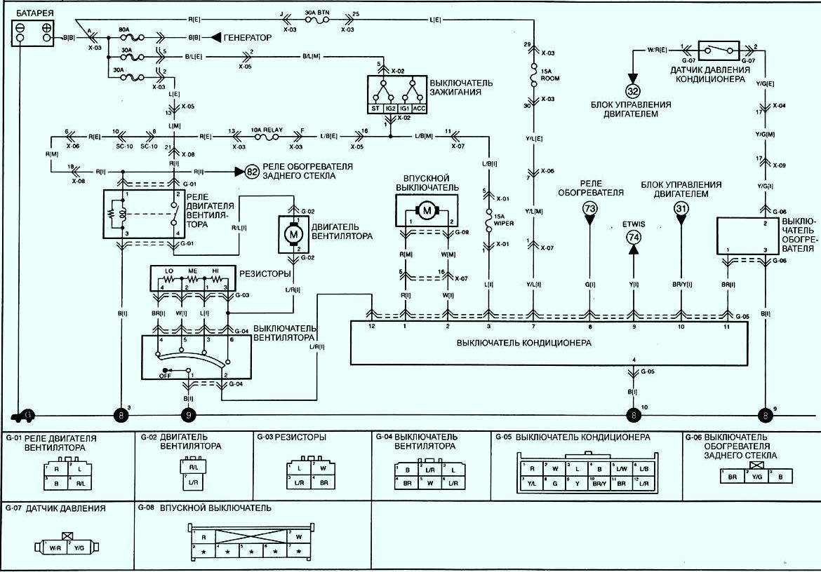
Система кондиционирования воздуха
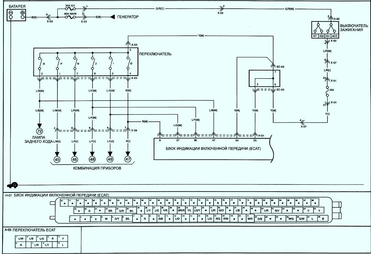
Система индикации включенной передачи (ECAT)
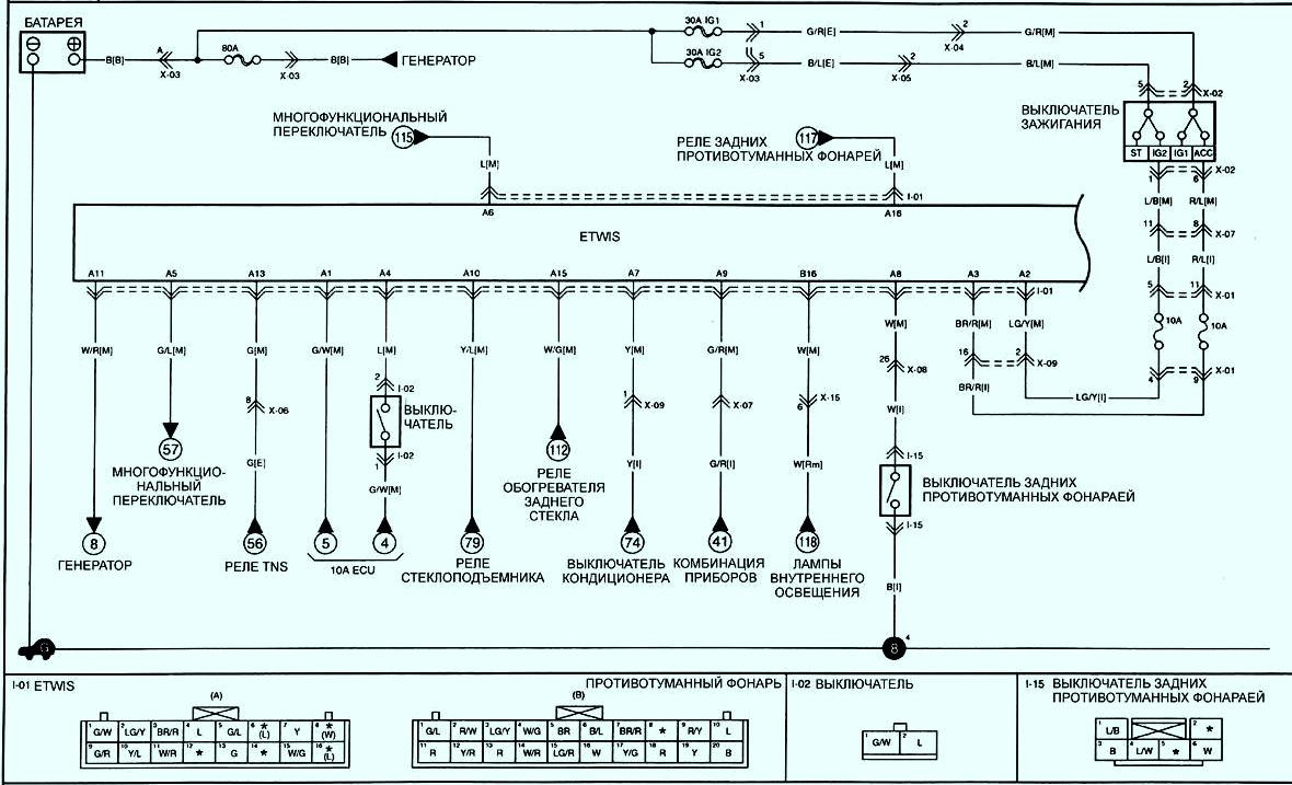
ETWIS
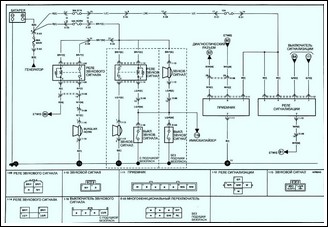
Приемник, реле сигнализации и звуковой сигнал.
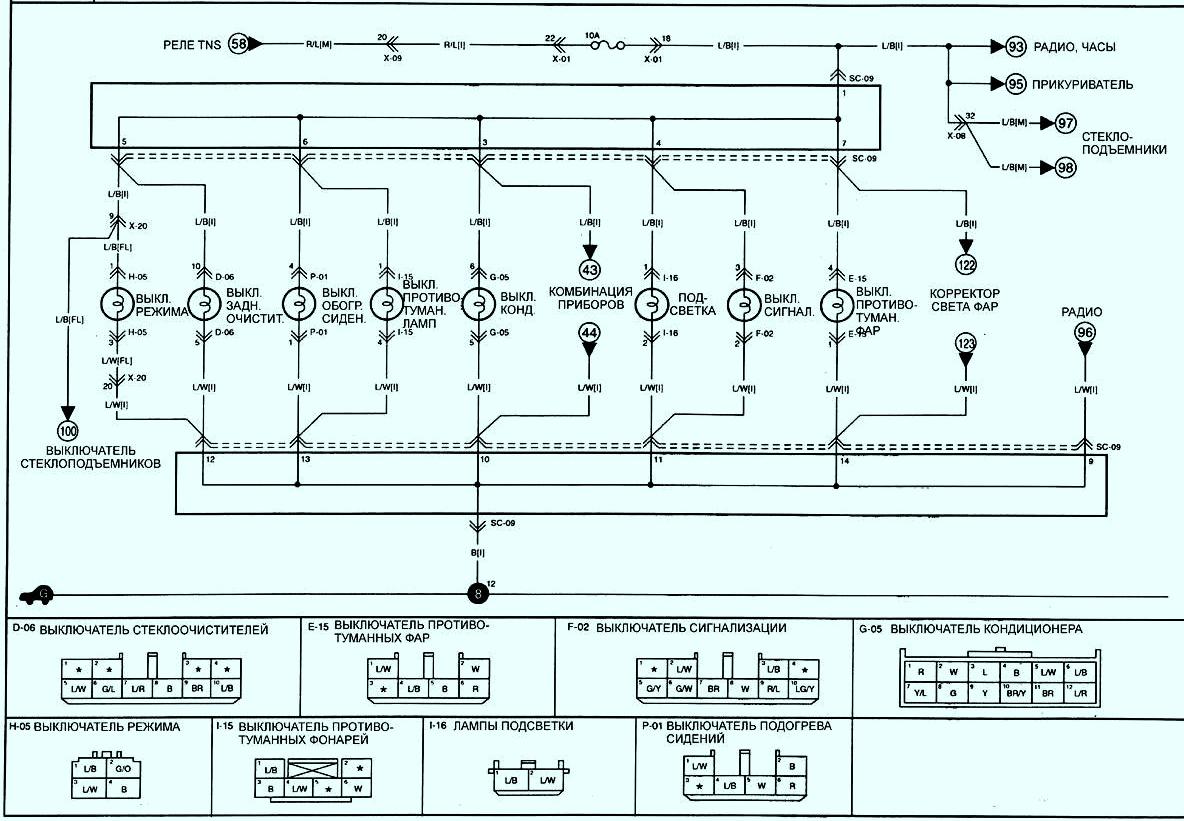
Лампы подсветки
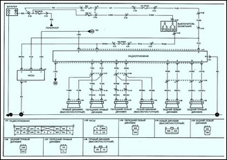
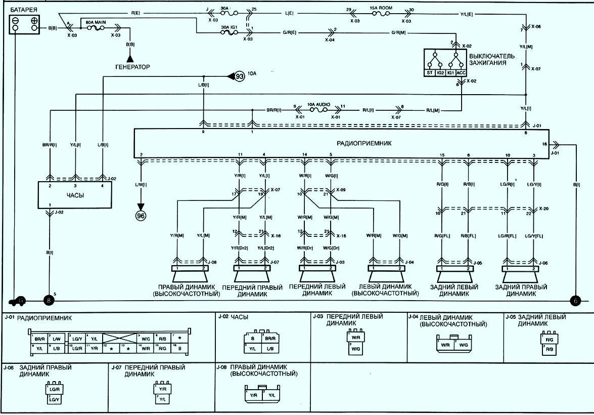
Схема подключения радиоприемника
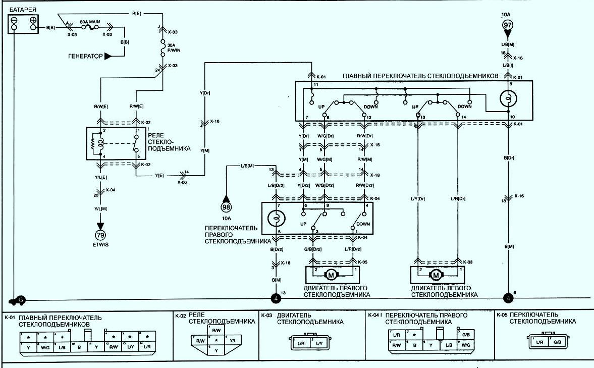
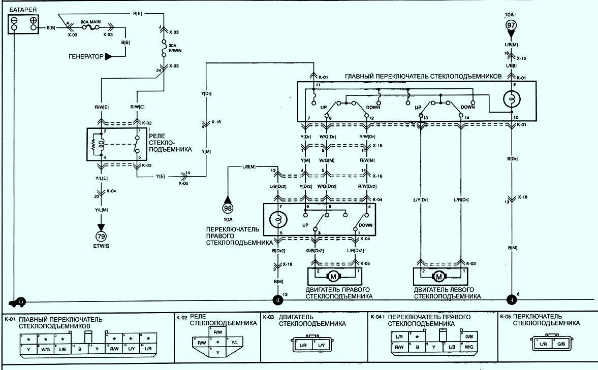
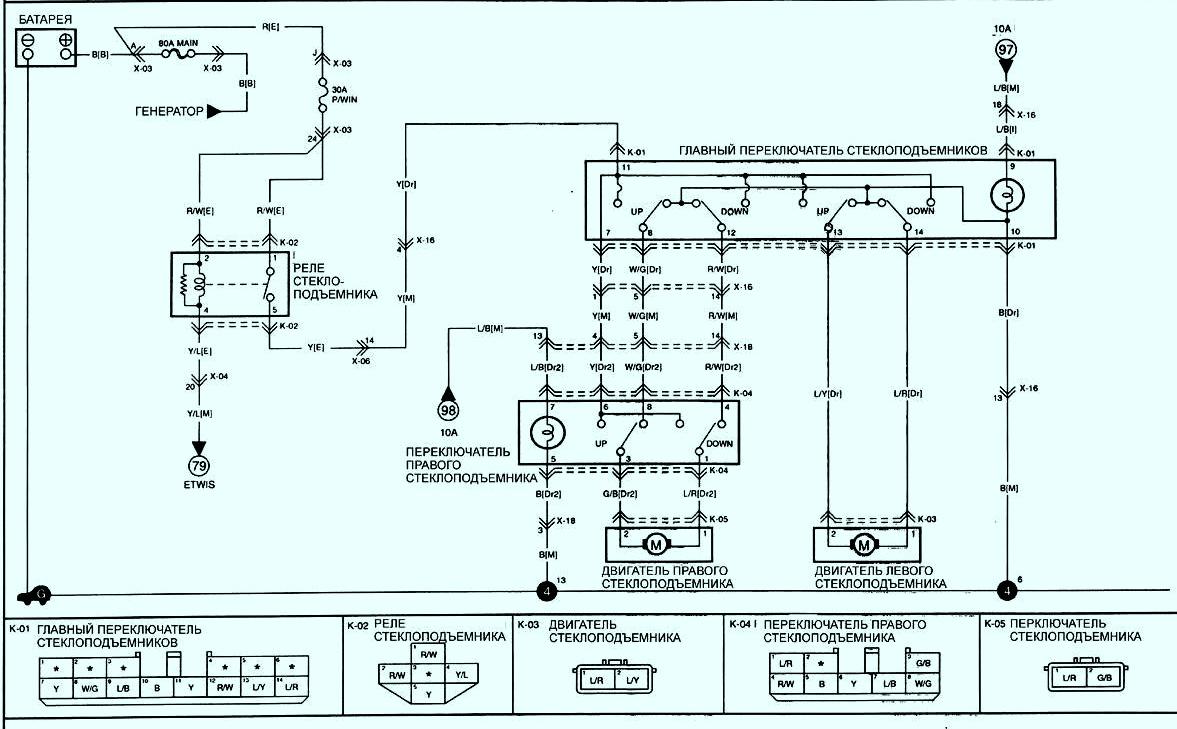
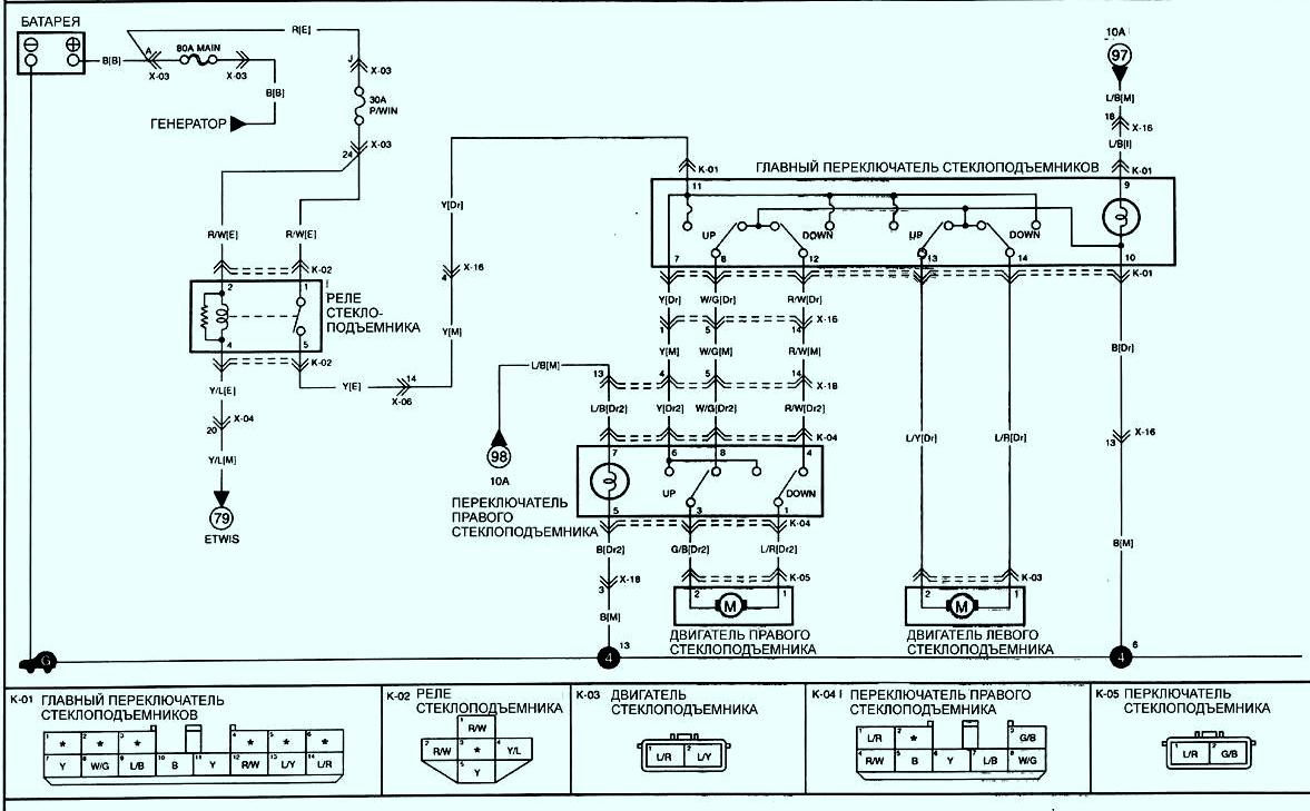
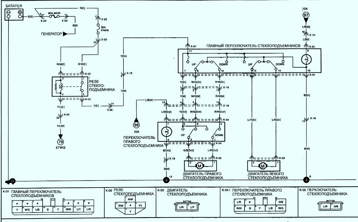
Стеклоподъемники (2 двери)
Стеклоподъемники (4 двери)
Центральный замок
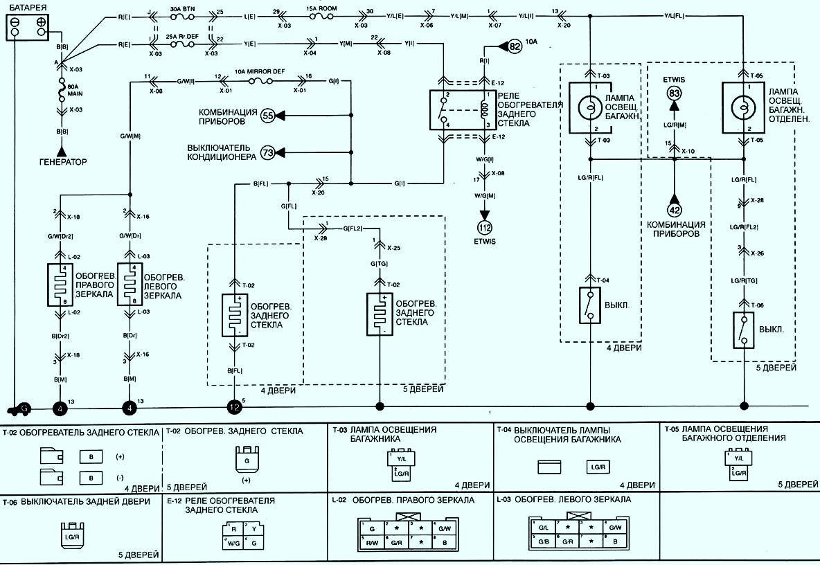
Наружные зеркала заднего вида с электрическим приводом
Внутреннее освещение, люк
Антиблокировочная система тормозов (ABS)
Обогреватель сиденья
Подушки безопасности (Без боковых подушек)
Подушки безопасности (С боковыми подушками)
Обогреватель заднего стекла и освещение багажного отделения
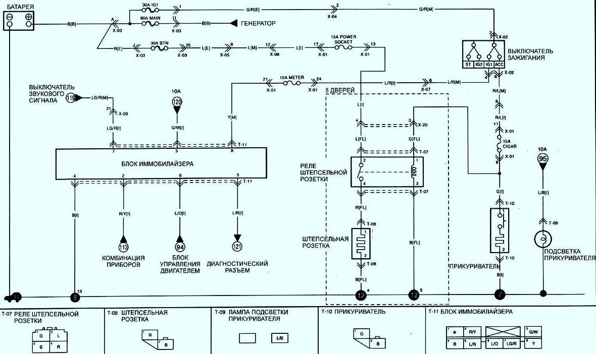
Штепсельная розетка, прикуриватель и иммобилайзер
Диагностический разъем, OBD-II разъем проверки





























